關於BRT的選用
可以參考前一章節PART1的選用來當成依據
但仍然有其他的電氣特性需要注意
- 耐電壓
應考慮的耐壓是關斷時施加在開關端子兩端的最大電壓以及最大和最小控制電壓。
1) 關斷時開關端子上的最大電壓(集電極-發射極的耐壓)
這定義為基極(B)打開時的集電極-發射極電壓(VCEO)。東芝的BRT集成了一個通用雙極型晶體管,類似於2SC2712和2SA1162,其集電極-發射極電壓為50V。
2) 控制電壓(最大和最小發射極-基極電壓,VEBO)
前進方向:
隨著控制電壓的增加,BRT從關閉狀態轉換為開啟狀態。
在一般的雙極晶體管不帶電阻的情況下,隨著控制電壓在導通後增加,其集電極電流或集電極功耗會在有源區域內達到最大額定值,因此無法進一步提高控制電壓。如果雙極晶體管處於飽和區域,則其工作通常受到額定基極或集電極電流的限制。
由於BRT通常在飽和區工作,因此應注意基極和集電極電流。 BRT偏置電阻的允許功耗指定為1/8W。因此,最大控制電壓(VI)基本上如下所述確定:
(1) 當R1大時:R1的功耗
(2) 當R1小時:最大集電極電流(IC)
圖: 正向控制電壓
- R1的功耗
讓內部雙極晶體管的基極-發射極電壓在開啟時的正向控制電壓為Vbe。
然後,流過R1(IB)的電流表示如下。
為了簡單起見,假設為Vbe = 0.7V。
IB =(VI – Vbe)/ R1 =(VI – 0.7)/ R1
由於IB而導致R1的功耗不得超過1/8W。因此:
1/8瓦 > R1 * {(VI – 0.7)/ R1} ²
> (VI – 0.7)2 / R1
VI < (R1 / 8)1/2 + 0.7 (1)
- 最大集電極電流(IC)
可以通過從IB中減去流到R2(IR2)的電流來計算流到內部雙極晶體管(Ib)的基極(b)的電流:
Ib = IB – IR2 =(VI – Vbe)/ R1 – Vbe / R2 =(VI – 0.7)/ R1 – 0.7 / R2
由於在工作條件下集電極電流(IC)等於Ib乘以hFE,因此必須滿足以下公式:
IC(max)> IC = hFE * Ib = hFE * {(VI – 0.7)/ R1 – 0.7 / R2}
VI < R1 * IC(最大)/ hFE +(R1 + R2)* 0.7 / R2 (2)
根據以下兩個因素計算得出的VI值中的較低者為最大允許VI值。
圖1給出了最大VI值的趨勢,儘管僅應將其作為指導。基本上,VI由偏置電阻R1(1/8 W)的允許功耗決定。但是,當R1較小且hFE相對較大時,最大VI值取決於額定集電極電流(IC)。
圖1: 集電極電流(IC)與輸入電壓(VI)的關係(左:hFE = 10,右:hFE = 20)
反向:
讓我們考慮內部雙極型晶體管的發射極-基極電壓(等效於2SC2712 / 2SA1162類的通用雙極型晶體管)。發射極是晶體管的正極。對於沒有偏置電阻的雙極晶體管,發射極-基極電壓由VEBO表示。對於BRT,當施加發射極-基極電壓時,內部雙極晶體管會關閉。因此,發射極-基極電壓由R2 /(R1 + R2)確定。因此,具有較高電阻比(R1 / R2)的BRT提供較高的VEBO,如圖1所示。
反向電壓是當控制輸入電壓VI反向時發生的過衝/下衝(負電壓),發射極端的電壓可能變得高於基極端的電壓。應當注意防止這種情況。

圖: 反向控制電壓
圖: VEBO 與 R1 / R2
- 控制電壓(輸入電壓(ON)(VI(ON))和輸入電壓(OFF)(VI(OFF)))
在雙極型晶體管的情況下,基極電流開始以大約0.6 V的閾值電壓(Vb)流動,從而導致晶體管導通或關斷。如圖3-1所示,使用BRT配置開關電路時,Q開始導通的輸入電壓(VI)與R2成反比,與R1成正比,如以下等式所示:
Vbe = R2 /(R1 + R2)* VI
VI =(R1 + R2)* Vbe / R2 =(R1 / R2 + 1)* Vbe
BRT的輸入電壓(ON)和輸入電壓(OFF)定義如下:(Ta = 25°C)
輸入電壓(ON),VIN(ON): 在VCE = 0.2 V時獲得集電極電流等於或高於規定值(例如,IC = 5 mA)所需的電壓
輸入電壓(OFF),VIN(OFF): 在VCE = 5 V時,保持集電極電流等於或低於規定值(例如,IC = 0.1 mA)所需的電壓
由於如上所述在飽和區域中使用了BRT,因此少數載流子在內部雙極型晶體管導通之後,在進入飽和區域之前會積聚在基極區域中。直到累積的少數載流子從基極區域中清除後,BRT才會關閉。
導通時,R1限制了對基極充電和放電的電流。 R1和R2對具有相同電阻比(R1 / R2)的BRT的影響也不同。圖2 繪製了數據手冊中顯示的最大VI(ON)值。
圖2: 偏壓電阻對VI(ON)的影響
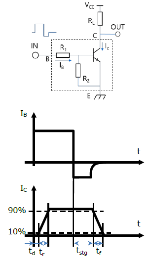
- 切換時間
雙極晶體管的開關時間定義如圖3所示。
開啟時間=延遲時間(td) + 上升時間(tr)
關斷時間=存儲時間(tstg)+下降時間(tf)
在雙極晶體管的情況下,基極區域中的電荷(QB)累積在導通後立即開始。在飽和區域中運行的BRT即使打開後仍會繼續積累過多的電荷。電荷累積持續到(τn* Ib),該值由內部雙極晶體管的壽命(τn)和基極電流(Ib)確定。
在關閉時,BRT保持開啟狀態tstg直到打開後累積的過量電荷從基極區清除。此後,IB呈指數下降。

圖3: 測試電路以及開關時間的定義
表1顯示了這些BRT特性的測量結果示例。在5 V的VCC上進行測量,將輸入電壓從0 V切換到5 V,反之亦然。負載電阻(RL)為1kΩ。如表1所示,tstg構成了切換時間的主要部分。
表:1 BRT切換時間測量結果示例
減少tstg有兩個注意事項:
- 最小化多餘載流子的積累。
這有助於減小BRT開啟時的飽和深度。淺飽和度意味著高hFE。從圖4可以看出,BRT的集電極電流主要取決於電源電壓(VCC)和負載電阻(RL)。 VCE(sat)對集電極電流的貢獻較小。因此,即使IB減小而hFE增大,對輸出電壓的影響也常常可以忽略。當優先考慮切換時間時,選擇具有較大R1的BRT是有利的
表2: R1對tstg的影響
- 快速移除多餘的載流子。
儘管根據先前電路的配置,載流子去除路徑略有不同,但是累積在基極區域中的多餘的載流子主要通過R2去除。 (如1中所述,R1對飽和深度有很大影響。當R1大時,多餘的載流子很少,這對於發射時間是有利的。)。因此,具有低R2值的BRT適用於提高開關速度。
表3: R2對tstg的影響

圖4: 集電極電流
東芝BRT的類型
表4列出了單路BRT的陣容。東芝為BRT提供了多種電阻組合,因此您可以找到一種滿足您的電氣特性要求的電阻。
東芝還提供如圖5所示的2合1 BRT。
表4: BRT的陣容
二合一BRT具有五引腳共發射極,六引腳點對稱和並行配置。
大多數二合一BRT由NPN或PNP對組成,而並行二合一BRT也具有NPN / PNP配置。
圖5 二合一BRT
如需瞭解有關TOSHIBA BRT更多資訊,請按一下以下連結
評論