5月14-16日,2025第四屆上海國際充換電與光儲充展覽會(簡稱:CPSE上海充換電展)在上海汽車會展中心盛大開幕。基本半導體攜全系列碳化矽功率器件及高壓快充解決方案盛裝參展,向業界展示了公司在新能源汽車充換電領域的碳化矽技術,吸引了眾多行業人士的高度關注。

碳化矽技術賦能高壓快充 推動行業降本增效
碳化矽器件憑藉寬禁帶、高熱導率、高擊穿場強等優異特性,可顯著提升單位功率密度,降低系統損耗,並支持更小型化、輕量化的設計,滿足充電樁設備耐高壓、耐高溫、更小型化以及降低成本的需求,幫助新能源汽車實現快速充電的目標。展會上,基本半導體重點展示了針對高壓快充優化的碳化矽功率器件解決方案。

全系列產品矩陣滿足多元化需求
作為國產碳化矽功率器件的領跑者,基本半導體此次展出了完整的高壓快充領域產品線:
基本半導體產品在雙向充電樁電源模塊中的選型推薦方案
基本半導體可提供針對充電樁電源模塊的多種碳化矽和集成電路產品選型方案,可進一步提升充電樁的散熱性能和系統穩定性,幫助充電樁客戶實現更快、更穩定的充電解決方案。
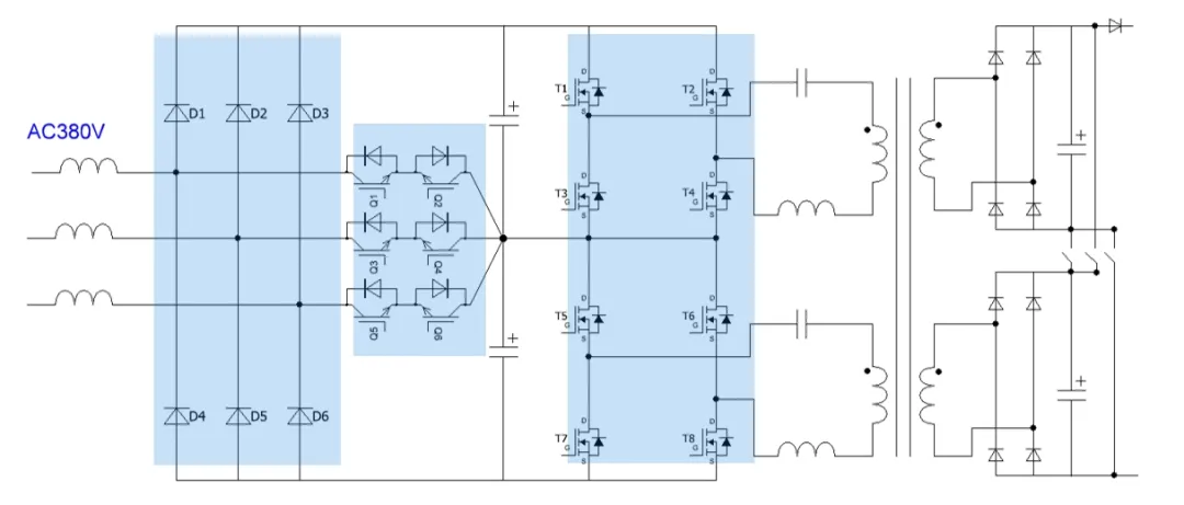
EVC方案1:
維也納+Si超結MOSFET的LLC拓撲方案 
產品選型列表

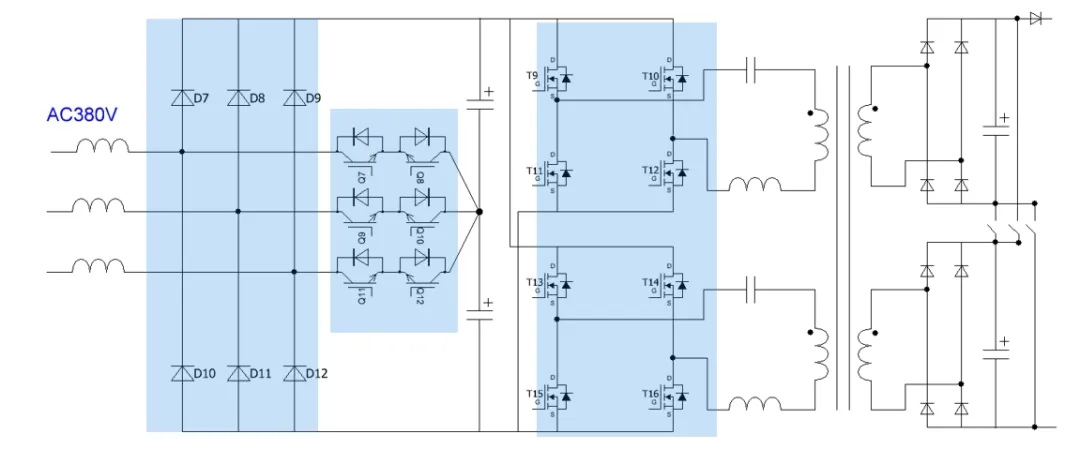
EVC方案2:
維也納+SiC MOSFET的H橋拓撲方案
產品選型列表

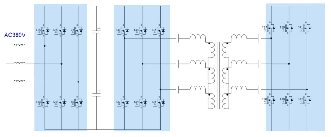
EVC方案3:
SPWM整流+SiC MOSFET三相LLC+同步整流的雙向拓撲方案
產品選型列表

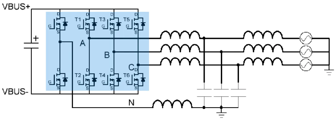
選型推薦方案(三相四橋臂)
基本半導體產品在125kW工商業PCS應用中的選型推薦方案(三相四橋臂)
產品選型列表

展品一覽


展會精彩繼續,基本半導體誠邀業界同仁蒞臨展位交流洽談,共同探討碳化矽技術在充換電領域的最新應用與發展前景。未來,公司將繼續加大在高壓碳化矽器件及模塊等領域的研發投入,攜手產業鏈夥伴共同推動充換電網絡的高效化、標準化和智能化發展,助力全球能源綠色轉型。