
東芝電子元件及儲存裝置株式會社(簡稱「東芝」)現已推出一款N通道功率MOSFET「TK024N60Z1」。該產品基於DTMOS Ⅵ 600 V系列的技術,並且具有Super Junction結構。此元件適用於資料中心的伺服器、工業設備的電源供應器(SMPS)以及太陽能的相關應用。
近年來,為了提高電源電路的效率,對低導通電阻產品的需求不斷增加。為滿足這種需求,東芝專門開發了該產品。 TK024N60Z1實現了0.024 Ω(最大值)的導通電阻,是DTMOS Ⅵ 600 V系列中導通電阻最低的產品[1] ,並降低了導通損耗。提高了電源效率,減少了熱能的產生。
此外,本產品採用TO-247封裝,可用於多種散熱方式,提高散熱性能。
透過優化閘極設計和技術, DTMOS Ⅵ 600 V系列(包括新產品),與東芝傳統DTMOSIV-H系列產品相比,在相同VGS電壓,單位面積的導通電阻值降低了約13 %,導通電阻與閘-汲極電荷乘積(MOSFET性能的品質因數)降低了約52%。此外,東芝還提供模擬用模型,用於支援電源供應器(SMPS)的電路設計。除了可以在短時間內驗證電路功能的G0 SPICE模型外,現在還提供可以精準重現瞬態特性的高精度G2 SPICE模型。
東芝將持續擴大DTMOS Ⅵ系列產品線,並透過降低電源供應器(SMPS)的功率損耗來達成節能需求。
註:
[1] 截止2025年1月的東芝調查。
特性
- DTMOS Ⅵ系列的最小導通電阻(0.024 Ω(最大)(V GS =10 V))
- 低R DS(ON) × Q gd (導通電阻與閘-汲極電荷乘積)支援電源供應用(SMPS)的高效率
特性說明
1.DTMOS Ⅵ系列的最小導通電阻(0.024 Ω(最大) (V GS =10 V))
在DTMOS Ⅵ系列中,TK024N60Z1實現了最低的導通電阻(0.024 Ω(最大值)(V GS =10 V)), 將導通損耗最小化,從而幫助提高電源效率。
電路範例
功率因數校正(PFC)電路
Totem-pole PFC
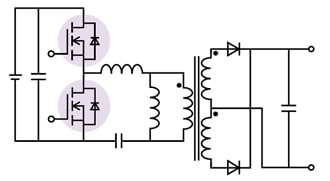
LLC DC/DC converter
- 低 RDS(ON)×Qgd(導通電阻與閘-汲極電荷乘積)以及電源供應器(SMPS)的高效率
透過優化閘極設計和技術, DTMOS Ⅵ 600 V系列(包括新產品),與東芝傳統DTMOSIV-H系列產品相比,在相同VGS電壓,單位面積的導通電阻值降低了約13 %,導通電阻與閘-汲極電荷乘積的乘積(MOSFET性能的品質因數)降低了約52%。
這意味著DTMOS Ⅵ系列在導通損耗與切換損耗之間實現了更佳的權衡,有助於提高電源供應器(SMPS)的效率。
RDS(ON)×Qgd 特性曲線[2]
註:
[2]上述數值均由東芝測量。
應用
- 電源供應器(資料中心伺服器等)
- 太陽能的相關應用
- 不間斷電源(UPS)
主要規格
(在T a =25 °C條件下,除非另有規定)
相關連結
請造訪以下連結,了解新產品的更多詳情。
TK024N60Z1
請造訪以下連結,了解東芝MOSFET的更多詳情。
MOSFETs
相關資訊
