17位解析度,<±0.04°角度重複精度, SPI / ABZ / UVW / PWM等多種接口。
專注於隧道磁阻(TMR)技術的磁傳感器製造商江蘇多維科技有限公司 (MultiDimension Technology Co., Ltd., MDT)基於TMR技術,推出17位TMR磁性旋轉編碼器晶片TMR3107和TMR3108產品。 該系列晶片是在多維科技車規級TMR角度傳感器晶片的基礎上,集成了信號調理、角度解算、SPI通訊等電路,實現了角度的數字輸出。
產品特性
1、隧道磁阻(TMR)技術 ;
2、角度自動校準功能;
3、多接口:SPI,ABZ,UVW,PWM;
4、17位絕對式輸出:SPI 通訊模式;
5、A/B 相輸出脈衝數可編程:1 ~ 4096 線 ;
6、Z 脈衝寬度可編程:1 ~ 16384 LSB;
7、UVW 換向輸出解析度可編程:1 ~ 32 極對 ;
8、零位可編程 ;
9、角度絕對精度 < ±0.2°(典型工況) ;
10、角度重複精度 < ±0.04°(典型工況) ;
11、最高轉速:40,000 RPM ;
12、供電電壓:3.3 V ~ 5 V。
多維科技TMR3107和TMR3108磁性旋轉編碼器晶片具備優良的溫度穩定性,在全溫區(-40°C~125°C)範圍,絕對角度精度優於±1°。 該2款晶片的角度自動校準功能可極大地便利客戶使用。

TMR3107電性能參數

TMR3108電性能參數
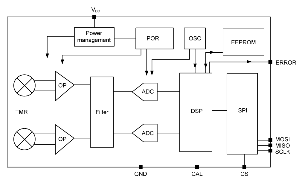
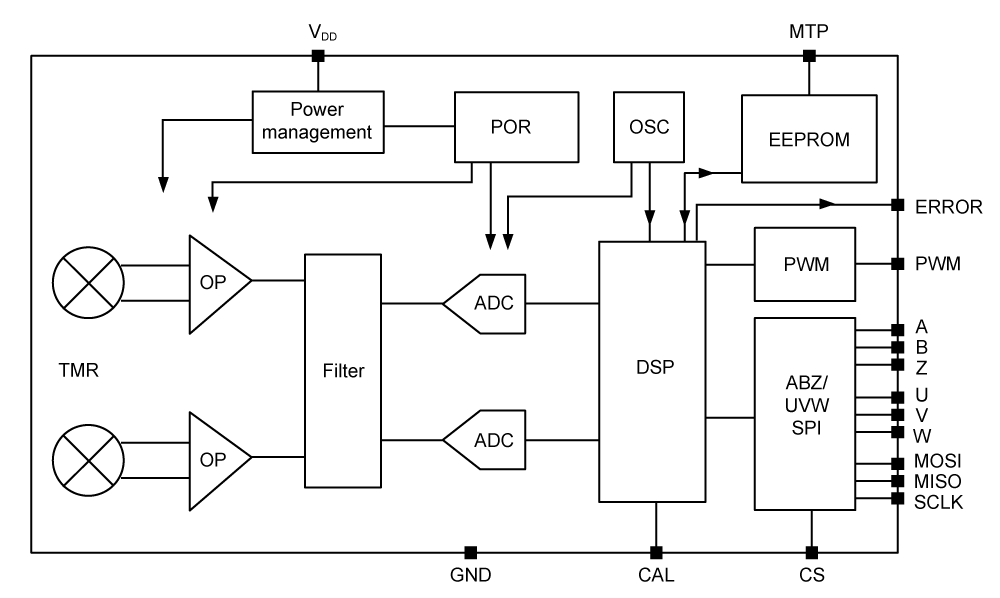
多維科技TMR3107磁性旋轉編碼器晶片採用SOP8封裝,配置了17位SPI絕對角度輸出。 TMR3108磁性旋轉編碼器晶片採用TSSOP16封裝,除了具備17位SPI絕對角度輸出外,還具備了ABZ增量輸出接口,直流無刷電機所需的UVW 換相輸出接口和脈寬調製信號(PWM)輸出接口。
TMR3107(SOP8封裝)、TMR3108(TSSOP16封裝)
信號轉換參數
多維科技TMR3107和TMR3108磁性旋轉編碼器晶片產品適用於BLDC無刷電機位置檢測、轉速檢測、閉環步進電機位置檢測,2500線增量式和17位絕對式伺服編碼器及多種非接觸式角度檢測等應用。
TMR3107功能框圖
TMR3108功能框圖

產品選型表