
東芝電子元件及存儲裝置株式會社("東芝")推出了30V產品"SSM6K818R",N通道MOSFET適用於大燈控制開關等的汽車設備,以擴大其產品線。
新產品以行業領先[1]低導通電阻為特點,採用我們的新工藝。並且使用扁平引腳封裝擴展了晶片安裝能力,降低了熱阻。因此,該產品的功率耗散等級為1.5W,採用小型 TSOP6F 套件,有助於降低設備的功耗。此外,TSOP6F 封裝與功率耗散等級相似的 SOP-8 封裝相比,縮減了約 70% 的安裝面積,有助於縮小設備尺寸。此外,它們符合 AEC-Q101,允許用於各種用途,包括汽車應用,如大燈控制開關、燈控開關和用於 USB 送電的負載開關。
另有40V產品SSM6K804R[2]將批量生產。
注:
[1] 與 TSOP6F 類包裝產品相比,最高評級相同,根據東芝的調查(截至 2021 年 7 月)
[2] 大規模生產將於 2021 年 10 月(截至 2021 年 9 月)按計劃開始
應用
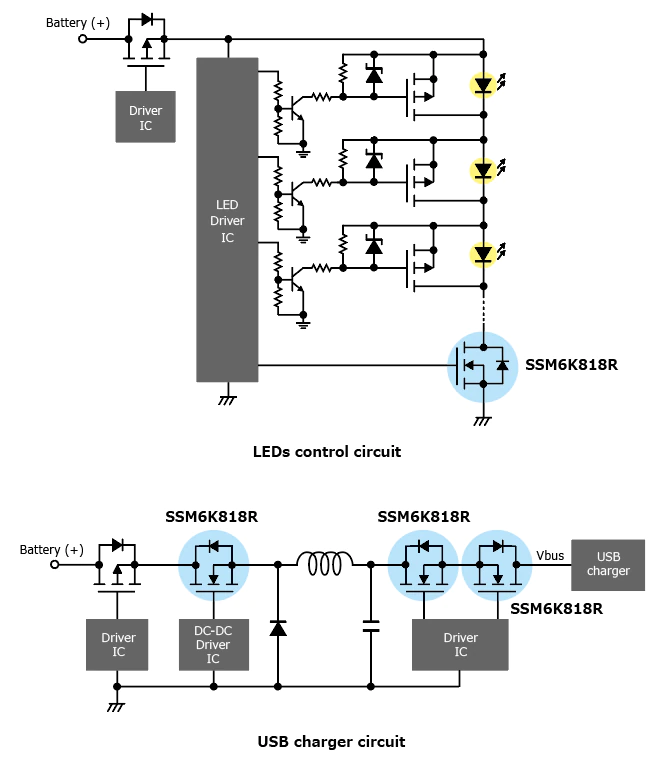
- 汽車設備(大燈、轉向燈、日間運行燈、USB 充電器等)
特性
- 降低功耗與行業領先的[1] 低導通電阻:RDS(ON)=12 mohm (最大值) 在 VGS=4.5 V (SSM6K818R)
- 藉由降低熱阻,採用TSOP6F封裝的功率耗散額定值為1.5W
- 符合AEC-Q101 標準
產品規格
(@Ta=25 °C)
注:
[3] 現有產品
內部電路
應用電路示例
注 :
本文所示應用電路僅供參考。
需要進行全面評估,特別是在量產設計階段。
提供這些應用電路示例並不授予任何工業產權許可。
*本文檔中的產品價格和規格、服務內容和聯繫方式等資訊,在公告之日仍為最新資訊,如有變更,恕不另行通知。