With the rapid development of the economy and the fast-paced updates of mobile devices, wireless access devices have also kept up with the times by offering high throughput. The new generation of Wi-Fi 7 (802.11be) wireless access devices (hereinafter referred to as APs) has been designed to meet these demands, featuring significant improvements in wireless stability and performance. These devices are well-suited for innovative scenarios such as high-density, high-bandwidth, low-latency environments, AI big data server wireless access, the metaverse, XR remote collaboration, XR telemedicine, and XR interactive teaching.
The unlicensed spectrum in the 2.4GHz and 5GHz bands is limited and congested, making it inevitable for existing Wi-Fi to encounter low QoS issues when running emerging applications such as VR/AR/AI. To achieve the goal of a maximum throughput of no less than 30Gbps, Wi-Fi 7 introduces the 6GHz band and adds new bandwidth modes, including contiguous 240MHz, non-contiguous 160+80MHz, contiguous 320MHz, and non-contiguous 160+160MHz.
- This solution is designed with the Qualcomm IPQ5332 as the main control platform, paired with the QCN9224. The PA amplifier adopts Vanchip's next-generation Wi-Fi 7 linear FEM, with the 2.4 GHz band using VC5371-11*4, the 5 GHz band using VC5771-21*4, and the 6 GHz band using VC5871-11*4. It supports tri-band operation with 2.4 GHz (2x2 MIMO), 5 GHz (4x4 MIMO), and 6 GHz (4x4 MIMO), delivering a total of 10 spatial streams and speeds of up to 20.865 Gbps, providing users with a fiber-like wireless experience.
- The goal of the Wi-Fi 7 protocol is to increase the throughput of WLAN networks to over 30Gbps while providing low-latency access guarantees. To achieve this goal, the entire protocol has undergone corresponding changes at both the PHY layer and the MAC layer. Compared to the Wi-Fi 6 protocol, the main technological advancements introduced by the Wi-Fi 7 protocol are as follows:

3.This product design features an IP68 waterproof and dustproof rating, along with a wide temperature operating range. It adopts an industrial-grade power design with three redundant power inputs (two PoE++ and one 48V adapter) to minimize the risk of system power failure and data loss. It supports multiple installation methods, including ceiling mount, wall mount, outdoor installation, and pole mount, making it suitable for WLAN coverage in various harsh environments such as indoor, outdoor, and industrial server rooms.
4.Schematic design
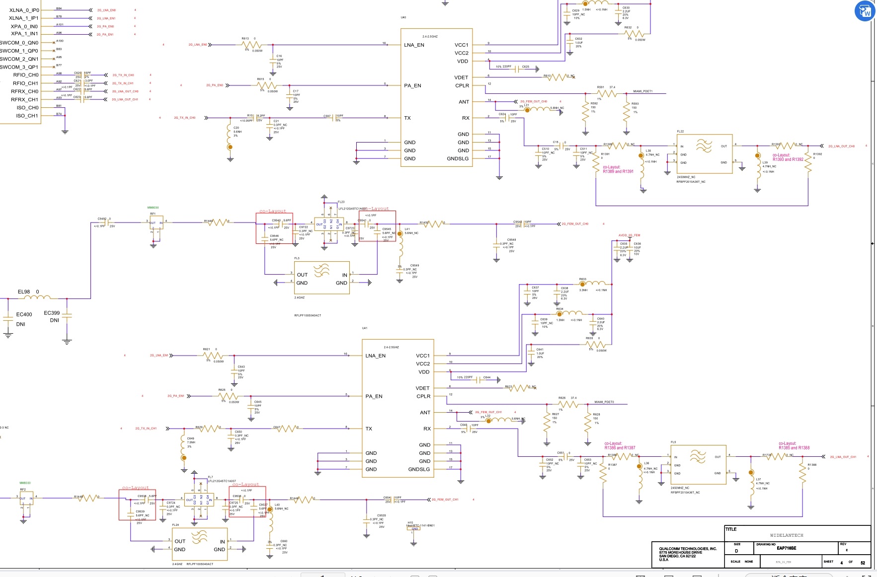
2.4 Schematic Diagram:

5. 5G partial schematic diagram:

6. 6G partial schematic diagram:

7. FEM passive debugging
5G Passive Network Sub-debugging:

6G Passive Network Debugging Diagram:

8. Actual measurement of TX data after passive debugging of PCBA:
2.4G TX data logging:

5G Real-World TX Data Recording:

6G real-world TX data recording:

9. FAQ Section:
1. Q: What is the maximum output rate of WIFI7?
A: The new Wi-Fi 7 standard can achieve a maximum transmission rate of up to 30Gbps.
2. Q: Compared to WIFI6, what are the significant improvements in WIFI7?
A: In addition to the transmission speed mentioned above, WIFI7 will see improvements in IEEE standards, frequency bands, bandwidth, modulation methods, security protocols, and multiple-input multiple-output (MIMO).
3. Q: What is the maximum bandwidth of the 6G frequency band?
A: Supports up to BE320M-MCS13.
4. Q: Is Vanchip's VC5871 a linear or nonlinear FEM?
A: VC5371-11, VC5771-11, and VC5871-11 are all linear FEMs for WIFI7.
5. Q: Can the matching parameters of Vanchip's FEM be fixed without debugging?
A: The TX/RX/ANT routing and matching position parameters of the FEM for general customers may vary. Typically, passive tuning is performed based on the load-pull data provided by the original manufacturer to adjust to an appropriate position before testing. If the performance is not optimal, further fine-tuning and optimization are carried out.
►场景应用图

►产品实体图

►展示板照片


►方案方块图

►核心技术优势
1. Supports 2.4GHz, 5GHz, and 6GHz tri-band operation simultaneously, with a maximum rate of 0.688Gbps for the 2.4GHz band, 8.647Gbps for the 5GHz band, and 11.53Gbps for the 6GHz band, achieving a total device rate of 20.865Gbps. 2. The 6GHz band can be flexibly switched to the 5GHz band, operating in 5GL+5GH bands, ensuring compatibility with regions where the 6GHz band is not yet available. 3. MIMO: 10 spatial streams, 2.4GHz: 2×2:2, 5GHz: 4×4:4, 6GHz/5GHz: 4×4:4; (dynamically switchable*). 4. Supports 2×2.5GE Ethernet ports and 1×10G SFP+ slot, with both Ethernet ports supporting PoE power supply. The AP device power design adopts IEEE802.3bt Ethernet power supply (PoE++) and features dual redundant inputs, allowing smooth transitions between the two PoE inputs and auxiliary (DC) input. The product design supports up to three power sources (two PoE power supply equipment (PSE) sources and one AC/DC wall-mounted adapter auxiliary power source), enabling the AP device to seamlessly transition between PoE and auxiliary power or between PoE sources in case the primary power source is removed or fails, reducing the risk of system downtime and data loss. 5. To enhance the safety and stability of 802.3bt PoE++ power supply for the AP system, the AP employs a high-efficiency, safe forward synchronous rectification power solution. Its excellent transient voltage control and load characteristics ensure more efficient, stable, and secure power delivery for the entire device. 6. Supports centralized AC management for network administration and operations, reducing network maintenance costs.
►方案规格
1. Frequency bands (2.4G, 5G, and 6G) support the IEEE802.11be standard and are compatible with IEEE 802.11a/b/g/n/ac/ax standards; 2. Supports 320 MHz bandwidth, Multi-RU, multi-link operation, and coordination between multiple APs; 3. Supports throughput of up to 30 Gbps or higher, ensuring low-latency access; 4. Supports automatic AP onboarding functionality; 5. Supports intelligent roaming with 802.11k and 802.11v protocols; 6. Supports fast roaming with the 802.11r protocol (≤50ms); 7. Supports one-click MESH networking; 8. Supports advanced cellular network coexistence (ACC).