The USB-C solution designed for optimizing universal product charging is called Power Delivery (PD).
As part of the overall USB standard, this specification can coordinate chargers and powered devices to determine the appropriate voltage levels and power configurations. This allows the charger to deliver the maximum possible power, enabling faster charging for the device.
However, current consumer devices and home appliances still require dedicated chargers or adapters. System manufacturers can leverage USB Type-C PD chargers from smartphones and laptops to power the next generation of consumer devices, further reducing electronic waste and achieving corporate social responsibility goals. Therefore, incorporating USB PD sink controllers to enable USB Type-C PD functionality in next-generation devices has become a key design standard for system designers.
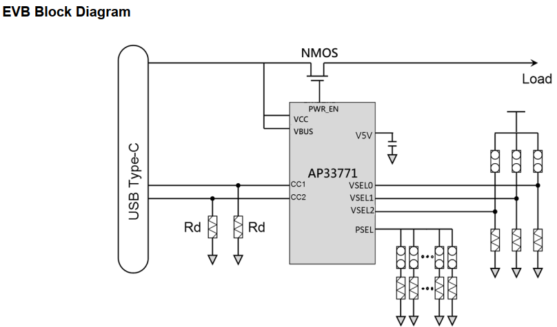
This coordination and control require the use of sink controller ICs, such as the DIODES from Diodes Incorporated.AP33771These controllers comply with the PD3.0 specification and are part of Diodes' extensive range of USB PD solutions.
Diodes Incorporated designs these controllers for home appliances and wireless power tools, offering a flexible and user-friendly solution. The AP33771 operates within a voltage range of 3.3V to 21V and can deliver up to 100W of power.
The AP33771 uses a simple pin-driven method to set the required voltage and power, while still offering the flexibility to choose from eight outputs and ten power levels to meet various customer needs.
►场景应用图

►展示板照片

►方案方块图

►核心技术优势
• USB PD3.1 v1.6 certified with TID: 9960 • VCC operating voltage range: 3V to 31V • Supports up to 28V PD3.1 EPR/AVS and up to 21V SPR/PPS • Voltage/current selection via resistor configuration • Supports Type-C features including P and OTP • Driver for enabling nMOS switch for output • Supports battery depletion functionality • Automatic cable voltage drop compensation • VBUS short-circuit protection up to 34V on CC1/CC2 pins • Supports humidity detection for Type-C connectors
►方案规格
The operating voltage range of AP33771 is 3.3V to 21V, capable of delivering up to 100W of power. • VCC operating voltage range: 3V to 31V • Supports up to 28V for PD3.1 EPR/AVS and up to 21V for SPR/PPS