產品介紹
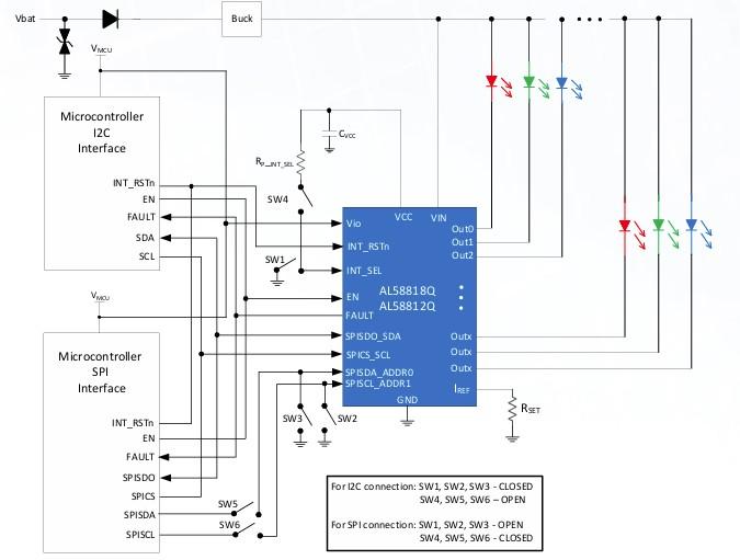
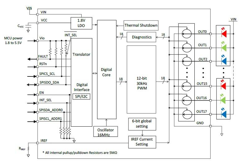
AL58818Q是一款由Diodes公司推出的18通道線性LED驅動器。其系統架構包含18個可編程的LED電流通道,每通道配備12位元PWM調光及6位元全域電流控制,能透過I2C或SPI數位介面進行控制。外接一個電阻即可設定所有通道的全域輸出電流,單通道最大輸出可達70mA(受封裝熱限制影響)。系統內建30kHz的PWM振盪器,每通道PWM分辨率為12位元,具備色彩混合及亮度控制寄存器,能實現模組級獨立或整體調光。具備硬體可選擇的INT_SEL腳位,切換SPI或I2C介面協定。芯片封裝為具濕潤側邊的W-QFN5050-40/SWP,支援車規等級(AEC-Q100),工作溫度範圍-40°C至+125°C。
AL58818Q主要應用於汽車 LED 照明系統,如汽車尾燈模組、格柵及標誌照明、車內環境燈、資訊娛樂顯示器、汽車狀態指示燈、觸控面板及液晶顯示器等。其18通道架構適合驅動最多6個RGB LED模組,或18個單色LED,能透過獨立或模組化控制實現複雜及生動的燈光效果,如閃爍、呼吸燈等動畫。車用照明系統可藉由精準的3%通道間及器件間電流匹配,實現均勻的色彩混合與亮度分佈,滿足高標準視覺表現。
產品應用
- 汽車外部照明系統:適用於尾燈模組、格柵燈及車標燈,實現多功能動態轉向燈、迎賓燈光效果,提升車輛識別度及科技感。
- 車內環境照明:支持多區域氛圍燈光系統,根據音樂、駕駛模式等資訊動態調整燈光色彩與亮度,提升駕乘舒適體驗。
- 資訊娛樂系統背光:為觸摸屏和LCD提供平滑亮度調節與色彩過渡,改善顯示畫面視覺效果。
- 車輛狀態指示:用於駕駛狀態、電池充電、模式確認等狀態可視化顯示,通過顏色變化直觀反映車輛訊息
►場景應用圖

►展示板照片

►方案方塊圖

►核心技術優勢
1. 內置12位元、30kHz PWM振盪器,提供高解析度及高頻率的調光能力,並支援PWM相位偏移,以分散切換電流峰值,減少電源尖峰與電子干擾。 2. 獨立的色彩混合及亮度控制功能,支援超過1600萬色(256x256x256)的色彩組合,以線性或對數刻度調節亮度,符合人眼視覺特性。 3. 支援低功耗待機模式,所有輸出關閉時靜態電流低至1μA,省電表現卓越。 4. 故障診斷功能完善,具有LED開路、短路、欠壓鎖定(UVLO)、過溫保護(OTP)等故障檢測,並可透過獨立遮罩寄存器設定故障報告。 5. 數位介面靈活,透過I2C或SPI介面進行編程控制,軟體開發彈性大。
►方案規格
1. AEC-Q100(一級)認證 2. 輸入電壓:2.7V 至 5.5V 3. 18 個精密 LED 電流吸收器 4. 硬體可選 I2C 或 SPI 數位介面 5. 診斷與保護功能 5.1 開漏故障指示引腳和暫存器 5.2 每個頻道獨立的故障屏蔽暫存器 5.3 過溫保護 (OTP)預過溫警告 5.4 LED 開路/短路、欠壓 6. 超低靜態關閉電流 1μA:省電模式:15μA(最大)