藍牙技術自問世以來,不斷演進,持續為我們的生活帶來便利與創新。藍牙 LE Audio(低功耗藍牙音訊)作為藍牙音訊技術的重要發展階段,引入了一系列令人矚目的新特性,其中 Auracast 廣播音訊技術更是備受關注。Auracast 是藍牙特別興趣小組(SIG)基於藍牙 LE Audio 開發的一項突破性技術,它徹底改變了傳統藍牙一對一或有限多連接的音訊傳輸模式,構建了全新的一對多藍牙音訊廣播體系,為使用者帶來前所未有的音訊體驗。
Auracast 的核心在於其獨特的廣播模式。在傳統藍牙音訊傳輸中,設備之間需要進行一對一的配對連接,這極大地限制了音訊分享的範圍和效率。而 Auracast 允許單個音訊來源設備,例如電視、智慧型手機、公共廣播系統或電腦等,同時向周圍範圍內數量不限的相容接收設備廣播音訊流。這些接收設備涵蓋了各類支援藍牙 LE Audio 的耳機、耳塞、助聽器以及其他音訊接收裝置。
具體運行時,Auracast 基於藍牙 LE Audio 的公共廣播配置文件(PBP)規範展開工作。音訊發射端會發出攜帶音訊流以及相關元數據的廣播公告。附近配備 Auracast 輔助功能的設備,例如某些智慧型手機應用程式,能夠偵測到這些公告資訊。使用者透過該應用程式,可以獲取當前周邊可用的音訊流列表,在選定感興趣的音訊流後,接收設備無需像傳統藍牙連接那樣進行繁瑣的配對流程,就能立即接入廣播音訊,整個過程如同連接 Wi-Fi 網路一般便捷。此外,使用者還可以透過掃描 QR 碼、輕觸設備等簡單操作方式,快速加入廣播,進一步簡化了使用步驟,提升了使用者體驗的便利性。
要使用 Auracast 技術,設備需滿足一定條件,即支援藍牙 5.2 及以上版本,並且符合 LE Audio 規範。隨著藍牙技術的廣泛普及和不斷發展,越來越多的設備正逐步滿足這些要求,為 Auracast 的大規模應用奠定了堅實基礎。
Auracast 優勢:
1. 提升音訊可及性協助聽力障礙者透過助聽器等設備,在嘈雜的場所清晰接收音訊,減少資訊獲取障礙與使用污名化。
2. 支援多語言與多內容可同時廣播多語言音訊流,同一空間不同區域也能傳輸不同內容,適配多樣化需求。
3. 個人化聆聽體驗使用者能自主調節音量、切換音訊流,在共享場景中兼顧個人需求與他人感受。
4. 低成本高效部署基於標準藍牙協議,無需大規模改造現有設備,透過軟體升級即可支援,降低應用門檻。
5. 優化音質與低延遲依靠 LC3 編解碼器,在低比特率下仍能保持良好的音質,且傳輸延遲低,適合用於高畫質視頻、即時互動等場景。
QCC3095方案實現Auracast音箱:
1. 首先需要準備程式碼環境,前往高通官網下載QMDE、Toolkit、Source code等。安裝完成後啟動QMDE,選擇載入專案,並選擇對應的toolkit。

2. 預設專案是預設開啟Auracast功能,可以在配置中再確認是否有宏定義。

想要 APTX 等高品質編碼在正常模式下正常使用,可參考:藍牙 | 軟體:未被定義的傳統藍牙轉Auracast
3. 進行重建

4. 此時,將TRB或USB連接到板子上,等build完成之後就可以燒錄了。

測試驗證:
1. 長按 QCC3095 的 sys_ctl(pio0)6 秒後釋放,開機時可以看到指示燈快速閃爍。
2. 使用支援發現Auracast來源的手機進行連接,等待連接完成
3. 連接完成後,使用手機搜尋附近的auracast來源,選擇想要的來源
4. 音箱接收到選擇後,就會自動連接Auracast來源播放聲音
其他的連線測試方法,可以參考以下的部落格文章來實現:
a. 手機應用程式選擇音源:藍牙 | 軟體:Qualcomm AuracastApp搭配LE Audio Auracast使用體驗
b. 固定廣播ID,定向連接:藍牙|軟體 QCC51xx系列開發之LE AUDIO Auracast進階使用
c. 循環選擇周圍的廣播來源:藍牙 | 軟體:auracast 盲切廣播源邏輯
d. 使用加密狗進行測試:藍牙|軟體 QCC51xx系列開發之LE AUDIO Auracast使用指導
硬體設計:
Flash和IO電路:

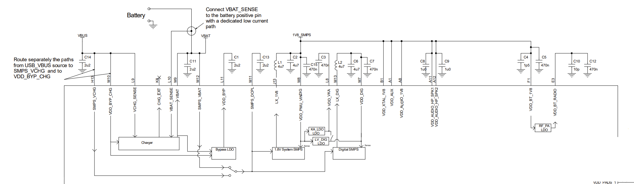
供電系統設計:

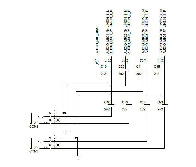
Line in 設計:

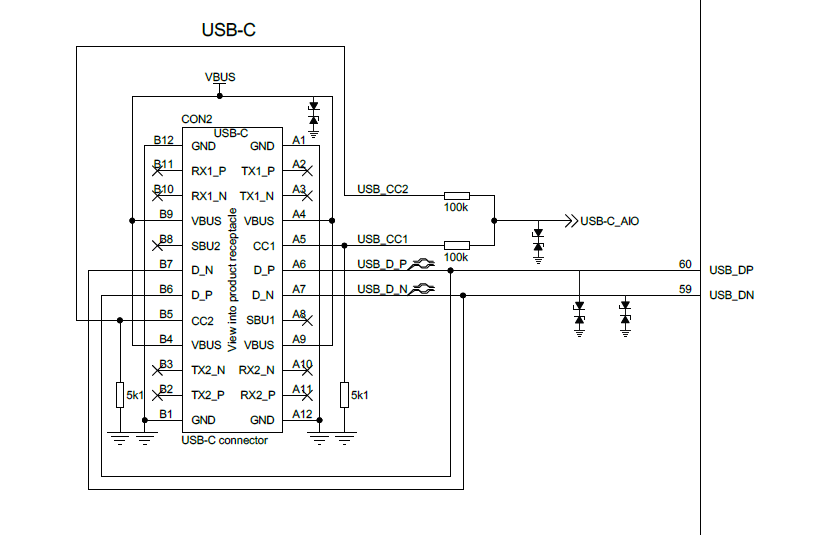
Type C USB設計:

Q1:使用 Auracast 技術需要哪些硬體條件?
A1:設備需支援藍牙 5.2 或更高版本,並符合 LE Audio 規範。
Q2:Auracast 技術是否支援多語音頻流?
A2:是的,Auracast 可以同時廣播多語言音訊流,滿足多元化需求。
Q3:Auracast 技術是否適用於助聽器?
A3:是的,Auracast 可以顯著提升助聽器使用者的音訊接收體驗。
Q4:Auracast 的音質表現如何?
A4:依靠 LC3 編解碼器,Auracast 在低比特率下仍然能保持高音質。
Q5:Auracast 技術未來的發展方向是什麼?
A5:隨著藍牙技術的普及,Auracast 將在更多領域實現廣泛應用,例如智慧家庭、公共服務和醫療輔助等。
Q6:Auracast 的延遲表現如何?
A6:它具有低延遲特性,適合高畫質影片和即時互動場景。
Q7:Auracast 的廣播範圍有多大?
A7:廣播範圍取決於設備的藍牙信號強度,通常可覆蓋數十公尺。
Q8:Auracast 是否支援多個設備同時連接?
A8:是的,它允許多個接收設備同時連接到同一音訊來源。
Q9:如何調節 Auracast 的音量?
A9:使用者可透過接收設備或手機應用程式自行調節音量。
►場景應用圖

►展示板照片

►方案方塊圖

►核心技術優勢
藍牙5.4規範 • Bluetooth LE Audio 單播音樂,具備媒體控制(MCP) • Bluetooth LE Audio 單播語音,具備通話控制(CCP) • 使用 VCP 進行音量控制 • Qualcomm 藍牙高速連接 • Bluetooth LE Audio 遊戲模式,具備超低延遲的語音回傳通道
►方案規格
134球 6.7 mm x 7.4 mm x 1.0 mm,0.5 mm 間距 VFBGA • CPU:32位元雙核RISC MCU,最高頻率80MHz • DSP:240 MHz,384KB程式RAM,1408KB資料RAM 周邊介面: • I2C(最高400Kbps) • SPI(最高8MHz) • UART(最高4MBd) • USB2.0(最高12Mbps) • 6x PWM LED • 53x PIO(電壓支援1.7 V至3.6 V) 音訊介面: • SPDIF • USB2.0(最高12Mbps) • I2S(24位元,最高384kHz,1輸入3輸出) • 2x ADC(24位元,最高96kHz) • 10x 數位麥克風(最高支援4MHz)