隨著經濟的快速發展,行動裝置的快速更新換代,無線接入設備的高吞吐量也隨之緊跟時代的步伐。新一代 Wi-Fi 7(802.11be)無線接入設備(以下簡稱 AP)設計應運而生,無線穩定性能均有大幅提升,適用於高密度、高頻寬、低延遲的場景,例如 AI 大數據伺服器無線接入、元宇宙、XR 遠端協作、XR 遠端醫療、XR 互動教學等創新應用場景。
2.4GHz 和 5GHz 頻段的免授權頻譜有限且擁擠,現有的 Wi-Fi 在運行 VR/AR/AI 等新興應用時,不可避免地會遇到 QoS 低的問題。為了實現最大吞吐量不低於 30Gbps 的目標,Wi-Fi 7 引入了 6GHz 頻段,並增加了新的頻寬模式,包括連續 240MHz、非連續 160+80MHz、連續 320MHz 和非連續 160+160MHz。
- 本方案設計主控平台採用高通IPQ5332搭載QCN9224,PA放大器採用Vanchip的新一代WIFI7線性FEM,2.4G採用VC5371-11*4,5G採用VC5771-21*4和6G採用VC5871-11*4,同時支援2.4 GHz (2x2 MIMO)、5 GHz (4x4 MIMO)和6 GHz (4x4 MIMO)三頻,整機10條空間流,速率可達20.865Gbps,讓使用者享受光纖般的無線體驗。
- Wi-Fi 7 協議的目標是將 WLAN 網路的吞吐率提升到 30Gbps 以上,並且提供低延遲的接入保障。為了達成這個目標,整個協議在 PHY 層和 MAC 層都做了相應的改變。相較於 Wi-Fi 6 協議,Wi-Fi 7 協議帶來的主要技術革新點如下:

3. 本設計產品具備 IP68 防水防塵等級以及大範圍寬溫工作能力。採用工業級電源設計,提供三個電源冗餘輸入(兩個 PoE++ 和一個 48V 適配器),以降低系統斷電及資料丟失的可能性。支援多種安裝方式:吸頂、壁掛、室外、抱杆等,可廣泛應用於室內、室外、工業機房等各類惡劣環境場景的 WLAN 覆蓋。
- 原理圖設計
2.4部分原理圖:

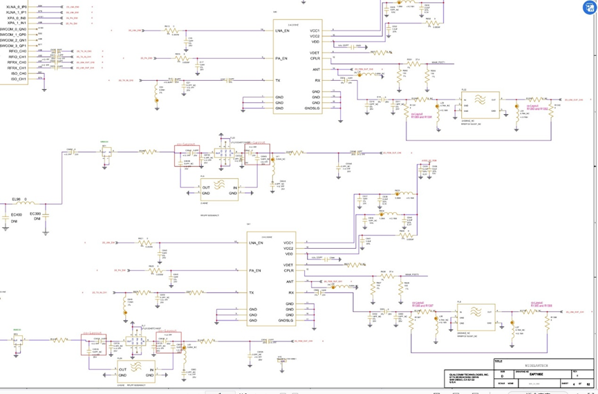
5. 5G部分原理圖:

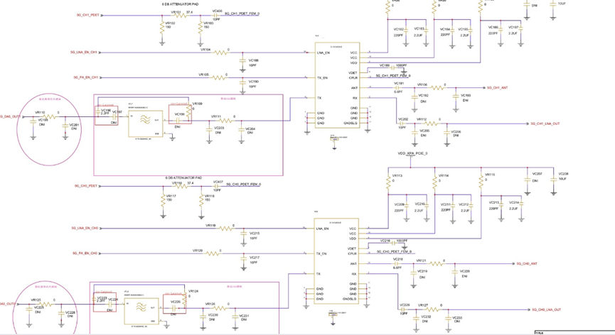
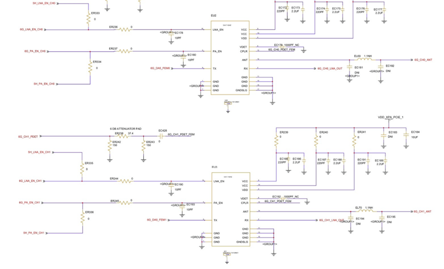
6. 6G部分原理圖:

7. FEM無源調試
5G無源網分調試:

6G無源網分調試圖:

8. PCBA無源調試後實測TX數據:
2.4G的TX數據記錄:

5G實測TX數據記錄:

6G實測TX數據記錄:

9. 常見問題環節:
1. 問:WIFI7的輸出速率最大可以達到多少?
A:WIFI7 的新標準最大傳輸速率可達 30Gbps。
2. 問:相較於WIFI6,WIFI7有哪些明顯的提升?
A: WIFI7除了上述的傳輸速率外,在IEEE標準、頻段、頻寬、調變方式、安全協議以及多輸入多輸出方面都需要提升。
3. 問:6G頻段的最高頻寬是多少?
A:最大支援到BE320M-MCS13。
4. 問:Vanchip的VC5871是線性還是非線性FEM?
A: VC5371-11、VC5771-11 和 VC5871-11 都是 WIFI7 的線性 FEM。
5. 問:Vanchip的FEM的匹配參數可以固定不調試嗎?
A: 一般客戶的FEM的TX/RX/ANT走線和匹配位置參數可能都不一樣,通常會根據原廠提供的loadpull進行無源調試到合適的位置後再進行測試,如果性能未達到最佳,則會進行微調優化。
►場景應用圖

►產品實體圖

►展示板照片


►方案方塊圖

►核心技術優勢
1. 支援 2.4GHz、5GHz 和 6GHz 三頻段同時提供服務,2.4G 頻段最大速率為 0.688Gbps,5G 頻段最大速率為 8.647Gbps,6G 頻段最大速率為 11.53Gbps,整機速率達到 20.865Gbps; 2. G 頻段可靈活切換為 5G 頻段,運行於 5GL+5GH 頻段,完美相容於尚未開放 6G 頻段的地區; 3. MIMO:10 條空間流,2.4GHz:2×2:2,5GHz:4×4:4,6GHz/5GHz:4×4:4;(可軟體切換*)MIMO:10 條空間流,2.4GHz:2×2:2,5GHz:4×4:4,6GHz/5GHz:4×4:4;(動態切換*); 4. 支援 2 個 2.5GE 電口和 1 個 10G SFP+ 插槽,且兩個電口均支援 PoE 供電。AP 設備電源設計採用了 IEEE802.3bt 乙太網供電 (PoE++),並具有雙冗餘輸入,可在這兩個(PoE)輸入與輔助 (DC) 輸入之間平穩過渡。產品設計最多可使用三個電源(兩個 PoE 電源設備 (PSE) 電源和一個交流/直流插牆式適配器輔助電源),使 AP 設備能夠實現 PoE 到輔助電源以及 PoE 到 PoE 電源連接之間的平滑過渡(若主電源被移除或發生故障),以降低系統斷電和資料丟失的可能性; 5. 為了提高 802.3bt PoE++ 為 AP 系統供電的安全性與穩定性,AP 同時採用了更高效率、安全的正激同步整流電源方案,因其優良的輸出電壓瞬態控制特性和負載特性,使整機供電更加高效、穩定、安全; 6. 支援 AC 集中管理,進行管理與運維,節省網路運維成本。
►方案規格
1. 頻段(2.4G、5G 和 6G)支援 IEEE802.11be 標準,兼容 IEEE 802.11a/b/g/n/ac/ax 標準; 2. 支援 320 MHz 頻寬、Multi-RU、多鏈路操作和多 AP 間協調等技術; 3. 支援高達 30 Gbps 以上的吞吐量,提供低延遲的接入保障; 4. 支援 AP 自動上線功能; 5. 支援 802.11k、802.11v 協議的智慧漫遊; 6. 支援 802.11r 協議的快速漫遊(≤50ms); 7. 支援 MESH 一鍵組網; 8. 支援高級蜂窩網共存 ACC。