隨著家庭網路已經進入超高速時代,WiFi技術的快速發展,最新的WIFI7技術使網路頻寬從1G逐步提升至10G以上,滿足了使用者對高效能網路的需求。然而在市場上主要的家用路由器使用方面,考量到設計成熟度、性價比等因素,WIFI6產品仍然是市場的主流。
IRG600L模組是移遠基於MTK主控設計的,搭載唯捷創新Vanchip的WIFI6 FEM,就能輕鬆設計出性價比優良的產品,滿足市場需求,適用於運營商網關、企業接入點、家庭路由器及Mesh節點。
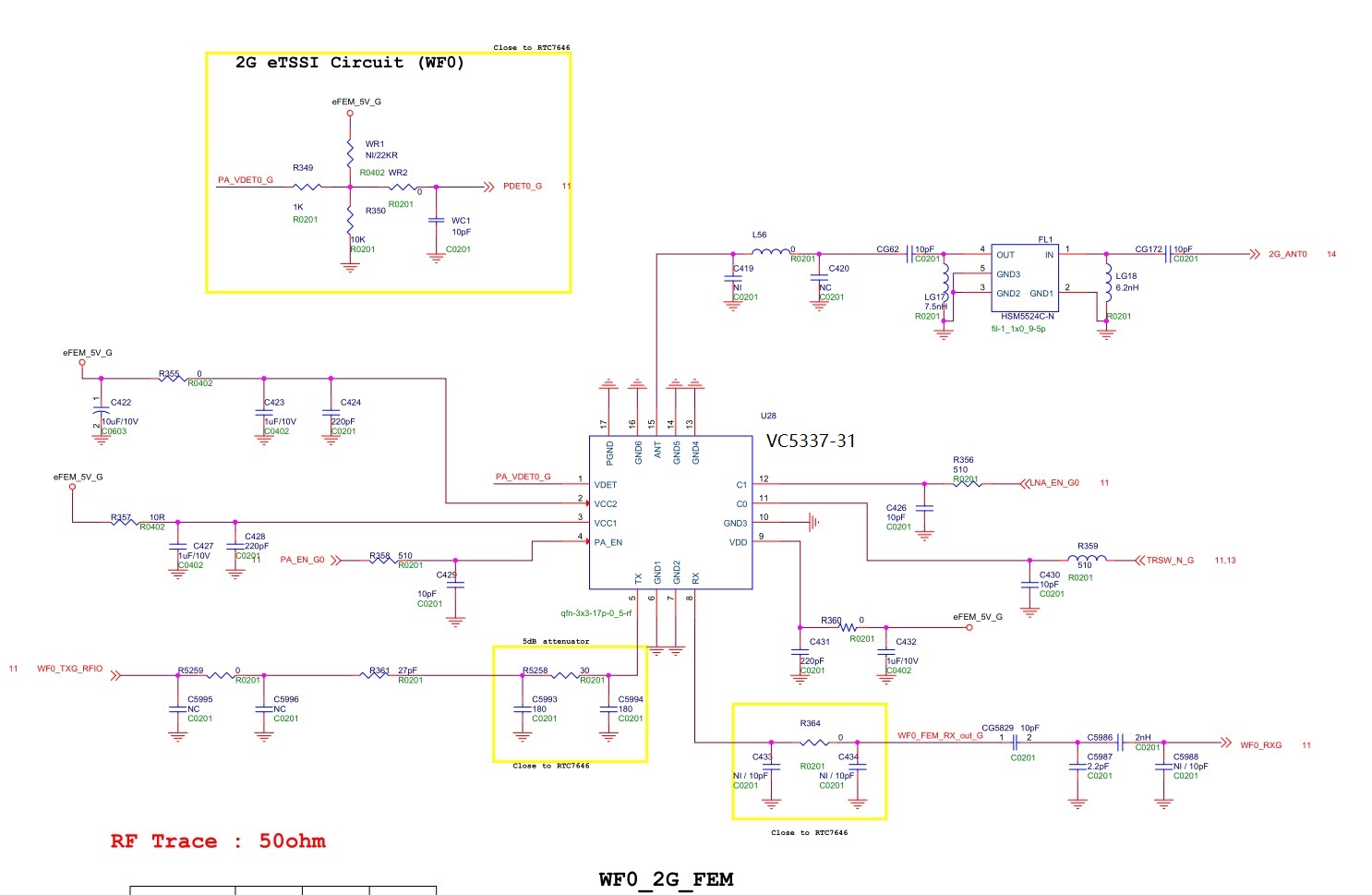
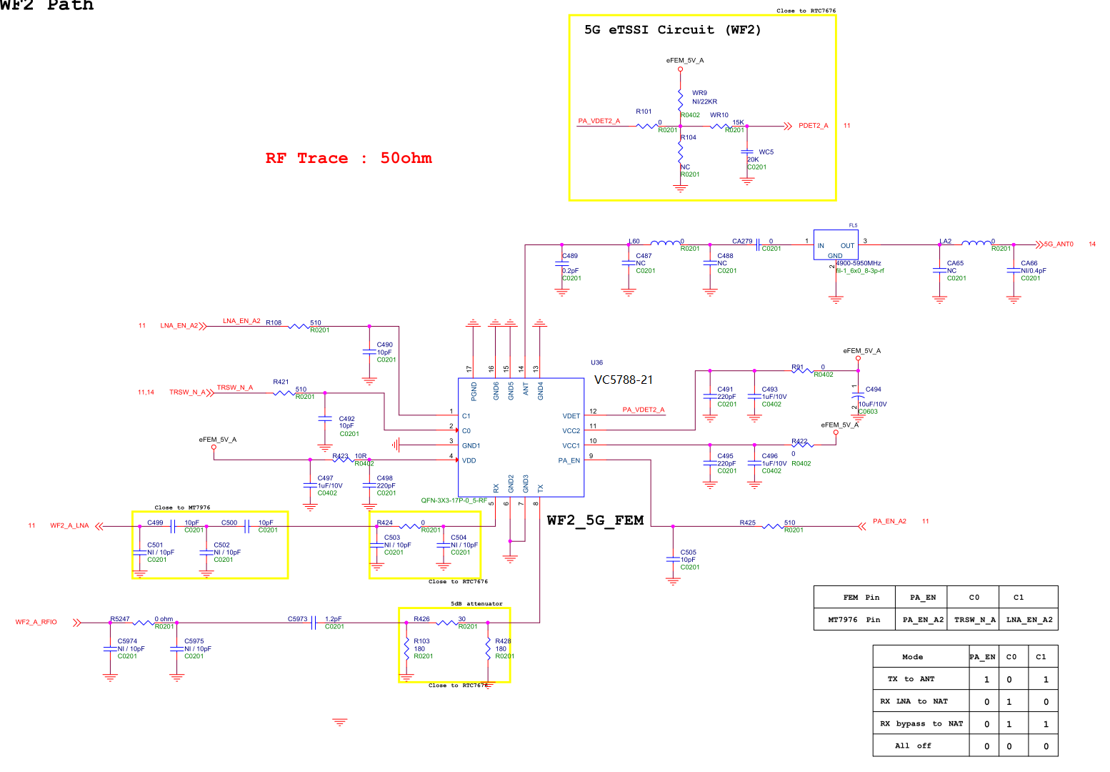
1. 2.4G的放大器選擇VC5337-31,5G的放大器選擇VC5788-21,雙頻雙路支援802.11ax和MU-MIMO,支援兩條空間流技術,2.4G提供最高574Mbps的接入速率,5G提供最高1201Mbps的接入速率。整機提供1.775Gbps的接入速率,千兆極速無線讓性能不再成為瓶頸。
2. 設備支援AP和路由兩種模式,既可以多台AP組網構成一個無線網路,也可以單台充當無線路由器獨立使用。設備配置更靈活,應用功能更豐富,適用場景更廣泛。
3. 放大器FEM原理圖設計部分:
2.4G部分:

5G部分:

4. VC5337-31 的 TX 性能參考:

VC5788-21 的 TX 性能參考:

5. PCBA 無源負載拉動調試參考:
VC5337-31實際調試參考:

VC5788-21實際調試參考:

6. 常見問題部分:
1.Q: 2.4G的無源匹配調試很困難嗎?
A:其實2.4G調試無源相對來說是比較簡單的,頻寬不大;
2.Q:VC5788-21 的 AX80 的輸出功率可以做到多大?
A:VC5788-21在AX80_MCS11模式下,EVM為-40dB DEVM時,最大可以輸出約21.5dBm;
3.Q: 這顆5G放大器適合用於哪些應用?
A:例如無線接入點、PC卡、網關、物聯網、客戶端終端設備等都可以;
4. 問:5G的調試收斂是正中50R是最好的嗎?
A: 這個不一定,通常是根據原廠提供的loadpull作為參考,並根據客戶的輸出功率和EVM可能會進行微調;
5. 問:VC5788-21的TX放大倍數是多少?
A:在5V供電,溫度25°C的情況下,TX的放大倍數典型值為31dB。
►場景應用圖

►產品實體圖

►展示板照片

►方案方塊圖

►核心技術優勢
1. 支援 802.11a/b/g/n/acWave1/Wave2/ax 協議; 2. 支援 IEEE 802.11ax、IEEE 802.11ac wave2、wave1、802.11a/b/g/n 同時運作; 3. IEEE 802.11b/g/n/ax:2.4 GHz~2.4835 GHz; IEEE 802.11a/n/ac/ax:5.150 GHz~5.350 GHz,5.725 GHz~5.850 GHz; 4. 2.4 GHz,2條流,2×2 MU-MIMO; 5 GHz,2條流,2×2 MU-MIMO; 5. OFDM:BPSK@6/9Mbps,QPSK@12/18Mbps,16QAM@24Mbps,64QAM@48/54Mbps; DSSS:DBPSK@1Mbps,DQPSK@2Mbps,及 CCK@5.5/11Mbps; MIMO-OFDM:BPSK,QPSK,16QAM,64QAM,256QAM 和 1024QAM。
►方案規格
1. 整機最大接入速率為1775Mbps,雙頻千兆; 2. 支援AP與路由兩種工作模式,支援二層漫遊,支援一體化組網,支援APP管理; 3. 支援PoE供電和本地供電; 4. 支援PSK認證方式; 5. 支援WPA(TKIP)、WPA2(AES)、WPA-PSK數據加密; 6. 支援靜態黑名單、支援靜態白名單; 7. 支援靜態IP地址、DHCP動態獲取、PPPoE撥號; 8. 平台自動射頻調整。