方案簡覽;
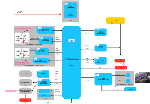
該方案採用英飛凌 TVII-B系列的CYT2B9晶片是整個方案的核心大腦,具備強大的運算能力與豐富的接口資源。其採用先進的製程工藝,在保證高性能的同時,有效降低了功耗,滿足汽車對電子元器件高效節能的嚴苛要求。該晶片集成了多個功能模塊,能夠快速處理來自座椅各個傳感器的信號,並精準控制執行機構,實現座椅功能的智能調節.搭配 TLE92108為座椅電機提供穩定、高效的驅動。驅動晶片集成了多個半橋驅動器,可靈活控制有刷直流電機的正反轉與轉速,適應座椅位置調節、按摩等不同功能對電機驅動的多樣化需求。同時,晶片具備出色的過流、過熱保護功能,確保在複雜工況下電機的可靠運行,延長電機使用壽命。方案中配備多種傳感器如KP466&TLE4913HTSA1,以實現對座椅狀態和乘客信息的精準感知。
通過 TVII-B 晶片與驅動晶片的協同工作,可實現座椅多維度的精準調節。支持前後、上下、靠背角度、頭枕高度與角度等多種調節方式,滿足不同身材乘客的個性化需求,並且搭配座椅按摩驅動部分,滿足日益功能增多的座椅控制需求。英飛凌的智能高邊開關BTS7040,用於控制座椅加熱絲與通風風扇。TVII-B 晶片根據溫度傳感器反饋的信息,精確調節加熱絲的電流與風扇的轉速,實現座椅表面溫度的快速調節與恆定保持。在寒冷天氣,座椅能夠迅速升溫,為乘客帶來溫暖;炎熱夏日,通風功能可有效驅散座椅表面的熱量與濕氣,保持乘坐乾爽舒適。
►場景應用圖

►展示板照片

►方案方塊圖

►核心技術優勢
• 英飛凌在半導體領域的深厚技術積累,使其 TVII-B 方案具備領先的技術性能。晶片的高性能、低功耗特性,以及驅動晶片與傳感器的協同優化,確保了座椅功能的高效、穩定實現。方案高度集成了多種功能晶片與模塊,減少了外部元件的使用,有效節省了電路板空間,降低了系統成本與複雜度。英飛凌方案能夠靈活支持不同配置等級的座椅,從基礎的座椅調節功能到高端的全功能座椅,均可通過調整晶片組合與軟體設置實現。無論是入門級車型還是豪華車型,都能找到適配的解決方案,為汽車廠商提供了廣泛的選擇空間,降低了研發與生產的複雜性。 • 優秀的品牌也為方案提供了穩定的保障,英飛凌產品以零缺陷質量保證著稱,TLE92108驅動晶片具備多種診斷功能,如電機短路、開路檢測等,能夠及時發現並處理故障,確保座椅系統的可靠運行。在複雜的汽車使用環境中,可有效應對電磁干擾、溫度變化等因素對座椅功能的影響。
►方案規格
• CYT2B9是 Infineon 推出的TRAVEO™ T2G 系列 32 位汽車 MCU,基於雙 CPU 子系統(160-MHz Arm® Cortex®-M4F 和 100-MHz Arm® Cortex®-M0+),採用 40nm 工藝製造,主要面向車身控制單元等汽車系統。其核心特性包括:2112-KB 代碼閃存 + 128-KB 工作閃存、256-KB SRAM,支持 Read-While-Write 和 FOTA;集成CAN FD(最高 8 Mbps)、LIN、CXPI等通信接口;具備加密引擎(AES、SHA 等)、安全啟動等安全功能,滿足 ASIL-B 功能安全要求;支持低功耗模式(Active 至 Hibernate),並提供多種封裝(64-LQFP 至 176-LQFP),通過 AEC-Q100 認證。 • TLE92108-232QX 是一款多 MOSFET 驅動 IC,主要用於控制最多 16 個 N 溝道 MOSFET,集成 8 個半橋,具備自適應 MOSFET 柵極控制,可改善電磁輻射並降低 PWM 模式下的開關損耗;擁有 24 位 SPI 接口用於配置和診斷;集成兩路可配置增益的電流檢測放大器,支持高側和低側電流監測;具備漏源電壓監測用於短路檢測,還有過溫警告與關斷、超時 watchdog 等保護功能。 • KP464 是一款基於電容傳感原理的 XENSIV™數字絕對壓力傳感器,壓力測量範圍 40 至 115 kPa,精度 ±1.0 kPa,工作溫度 - 40°C 至 125°C,採用 4.5 mm x 5.1 mm 的 8 引腳 DFN 封裝,支持 10/12/14 位解析度的壓力和溫度數據通過 SPI 接口輸出,具備低功耗掉電模式、集成信號路徑診斷功能,適用於汽車氣壓、電池監控、工業控制等領域,符合 AEC-Q103 認證和 RoHS 標準。 • BTN7030-1EPA 是一款 NovalithIC™ Lite 智能集成半橋,採用 PG-TSDSO-14 封裝,具備高低邊開關配置,集成診斷與保護功能,如過溫、過流、欠壓、交叉電流保護,支持反向電流導通(InverseON),可通過 SPI 接口實現比例負載電流檢測,適用於驅動最大電感 3mH 的電機和 solenoid,其在 25°C 時高邊導通電阻 12mΩ、低邊 20mΩ,符合 RoHS 標準並通過 AEC-Q100 認證。 • BTS7020-2EPA 是一款 PROFET™+2 12V 智能高邊功率開關,採用 PG-TSDSO-14 封裝,具備雙 20mΩ 通道,支持電阻性、電感性和電容性負載,可替代機電繼電器等元件;其集成診斷與保護功能,包括過溫、過流、欠壓、過壓保護及反向電流導通(InverseON),在 25°C 時高邊導通電阻 12.7mΩ,150°C 時 23.7mΩ,標稱負載電流 5A,電流檢測比 3700,符合 RoHS 標準並通過 AEC-Q100 認證。