在能源需求不斷增長的時代,電力消耗逐漸從化石燃料轉向可再生能源,低碳節能已成為全球優先事項。智慧電網作為構建永續、更高效能源未來的關鍵支撐,具備整合可再生能源、優化能源消耗以及提升電網可靠性的能力。而雙向儲能模組則是智慧電網的「靈活調節中樞」,能夠確保各個環節之間電力的有效傳輸。
全球氮化鎵工藝創新與功率元件製造領導者英諾賽科近日推出更高效、更節能的4kW雙向PFC方案,憑藉氮化鎵低損耗、高速切換等優勢,有望助力智慧電網實現突破性收益!
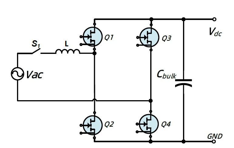
4kW 雙向 PFC 解決方案採用 AC-DC 無橋圖騰柱 PFC 拓撲,設計緊湊,支援雙向運作,內建英諾賽科合封氮化鎵,峰值效率高達 99.03%。
該方案內建4顆InnoGaN合封元件ISG6121TD,整個電源模組(不包括風扇和輔助電源)在整流230Vac測量的峰值效率為99.03%逆變測試峰值效率98.95%。


ISG6121TD 是 SolidGaN™ 產品系列的一部分,該系列產品不僅具備分立式 GaNFET 的所有優勢(關鍵任務應用中的長壽命可靠性、超低開關損耗和零 Qrr),還具備其他先進功能。

SolidGaN™ 的先進功能包括:
- 穩壓 Vgs,可實現最佳的導通電阻 (Rdson) 和閘極節點可靠性
- 去飽和檢測,用於短路保護
- 過溫保護
- 米勒夾具,可實現可靠的關閉
ISG6121TD 採用堅固耐用的 TO247-4L 汽車級熱優化封裝,並帶有開爾文源極引腳。
ISG6121TD的 Vdss 額定值為 700V,實際 BVdss 電壓更高,導通電阻 (Rdson) 為 22mΩ(典型值 25°C)。驅動引腳支援高達 27V 的 PWM 輸入電壓。
ISG6121TD可以替代 IGBT 和 650V SiC MOSFET,具有顯著更高的 PFC 效率,適用於 AI 資料中心高達 5.5kW 的高功率系統。
FAQ:
1:氮化鎵INN6121TD內阻是多少?
INN100EA035A在環溫25度情況下,內阻爲22毫歐。
2:這套方案功率密度做到多少?
該方案功率密度:65.6W /立方英寸。
3:該方案,可以應用在哪些場景?
應用的地方比較廣,比如便攜式儲能,空調電源,服務器電源等。
4:如果要做這個方案,可以提供一些什麼技術支持?
我們可提供整套方案,原理圖,PCB Layout參考,以及技術指導。
5:該方案中,GaN採用INN6121TD,該管子是什麼封裝,大約是一個什麼樣的規格?
系統採用InnoGaN合封器件,該器件採用TO-247-4L封裝,管腳採用開爾文源極設計,漏源耐壓700V,導通電阻22mΩ Typ。驅動耐壓最高可達27V,可直接替換同封裝的Si MOS,實現快速替換。
►場景應用圖

►產品實體圖

►展示板照片


►方案方塊圖

►核心技術優勢
• 高效率(整流):99.03% @ 230Vac Vin • 高效率(逆變):98.95% @ 230Vac Vout • 高功率密度:65.6W/立方英吋 英諾SolidGaN™ 的先進功能包括: • 穩壓 Vgs,可實現最佳的導通電阻 (Rdson) 和閘極節點可靠性 • 去飽和檢測,用於短路保護 • 過溫保護 • 米勒鉗位,可實現可靠的關斷
►方案規格
正向整流參數規格: • 輸入電壓:200-264V AC • PFC整流工作頻率:63kHz • 輸出電壓:393V • 輸出功率:4000W max 逆變參數規格: • 輸入電壓:375-425V DC • PFC反向工作頻率:63kHz • 輸出電壓:230V • 輸出功率:4000W max