車規級 SPD1179Demo 開發板主要由輸入電源濾波電路(含防反功能),CAN,LIN 通訊,逆變電路及晶片相關外圍硬體組成。其逆變部分由 6 個型號為 JMSH0401BGQ分立式 MOS 搭建,最大工作電壓可達 40V,最大工作電流可達100A。
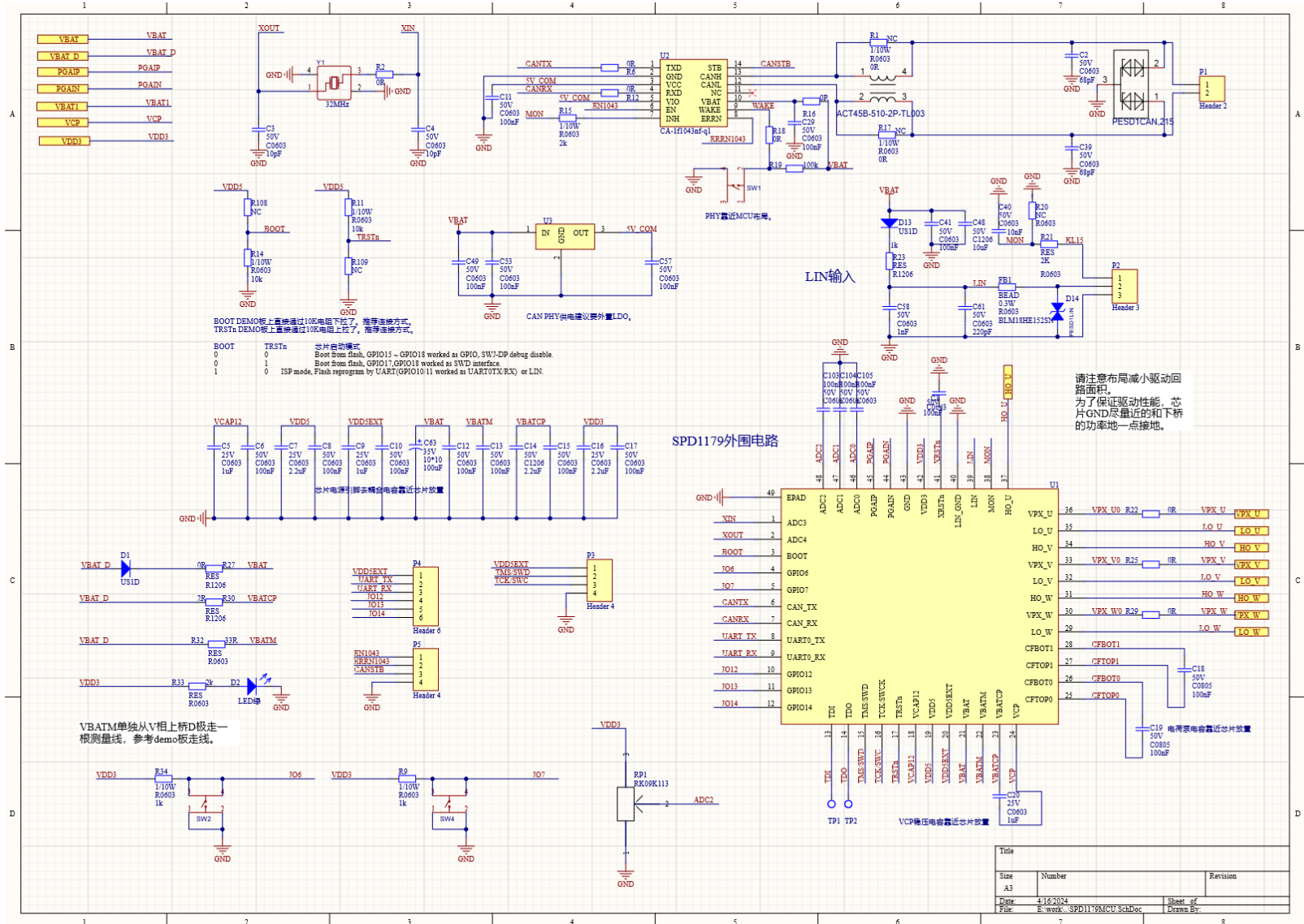
MCU 為Spintrol 公司的車規級晶片 SPD1179,QFN48,晶片結溫為:-40°~150°。SPD1179晶片內部集成主頻可達100MHz ARMCortexM4 內核、1路PGA及Charge Pump等優異的外設資源,結合板上電流採樣電阻、偏置計算等電路,可進行三相PMSM相關控制算法驗證。
·正常工作電壓範圍 5.5V ~ 40V,可面向最高 24V 電壓輸入的車載電機驅動應用場景
·最大輸出功率 200W
·內部集成 LIN PHY 具備 LIN 通訊能力。
·可實現單電阻電流採樣。
·具備 PWM 信號給定與反饋功能
·集成1路增益可選差分運算放大器,13位ADC,溫度傳感器,過流保護比較器
·集成直流母線電壓等多路電源域的 BOD 檢測功能
·主電源經過內部集成的5V和3.3VLDO為SPD1179晶片供電,無需再額外引入3.3V
·集成VDD5EXT LDO電路可為外部傳感器供電
·多數引腳具備ECAP功能,捕獲輸入電平
·具備UART、CAN 、LIN、SPI通信能力
·集成電流型預驅模塊,內含自舉二極體,配合兩級Charge Pump電容和旁路電容,可輸出100%占空比
·支持深度睡眠模式(電流低至25uA)和LIN/MON引腳喚醒功能
板上預留SWD燒錄接口,TRSTn操作開關以及UART通信接口,很方便進行程序燒錄及電機運行的控制和監測。
典型應用:
- EPS
- 車載天窗
- 車載水/油泵
- 駕駛室空調風扇
►場景應用圖

►產品實體圖

►展示板照片


►方案方塊圖

►mcu參考電路

►POWER部分

►核心技術優勢
1.32 位 M4 內核,支持浮點運算,主頻高達100MHz 2.128KFlash+32KRAM 充足的存儲空間,附帶1KB EEPROM 3.5.5V~40V 寬電壓工作範圍 4.同時支持LIN,CAN/CANFD車載專用標準協議 5.內置單端運放和差分運放可分別用於母線電流採樣以及相電流的採樣和重構完善的硬體保護機制,可確保電機驅動過程中的快速保護 6.ECAP具備Dualpin模式,可以同時計算不同輸入引腳信號的頻率及占空比 7.定時器具備gate等多種模式,可以通過外部GPIO電平或邊沿信號來控制定時器的使能計數 8.可支持ISP模式下通過UART或LIN接口下載燒錄程序 9.電流型驅動,可編程配置驅動能力,MOS的控制更加靈活,VCP-based架構,省去自舉電容,節省設計成本 10.高壓MON引腳可用於ECAP捕獲 11.產品等級:功能安全等級ASIL-B;AECQ100認證
►方案規格
1.5.5V~40V 寬電壓工作範圍,帶有有防反電路,EMC濾波電路。 2.Sensorless FOC,節省hall成本。 3.最大輸出功率 300W。 4.過壓、欠壓、短路、開路、過流、過溫保護。 5.可以選擇CAN /LIN通信,可以旋鈕調速。 6.可以用按鍵啟停,正反轉。