NCP11187 是一種高度增強的電源晶片,集成了採用峰值電流模式 PWM 控制器,以及 800V 超級結II Mosfet。它具有一個高壓啟動電路,恆定輸出功率限制,有各種保護。具有成本效益的離線電源,具有更少的 BOM 器件數和更小的 PCB 尺寸和高效率。此外,儘管有多個輸出,但它仍然可以得到較低的待機功耗,低於通常的 50mW。
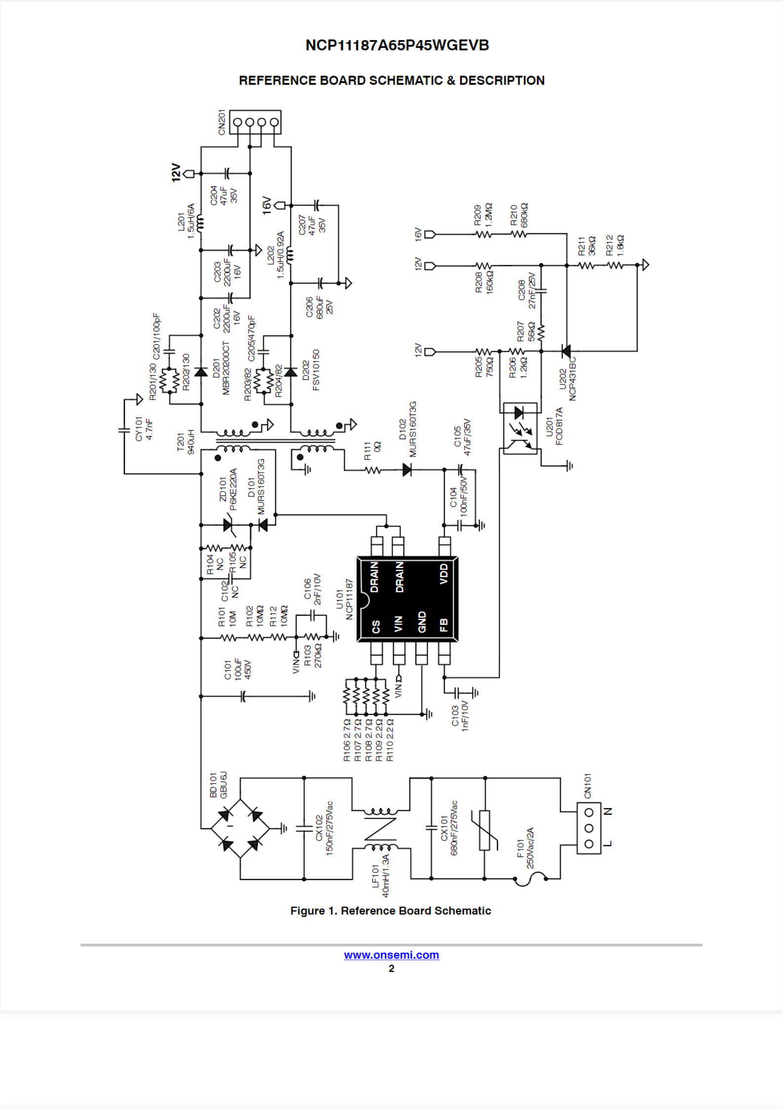
該參考板包括四個部分,EMI濾波器、主側控制、二次輸出和反饋電路部分。
部分器件描述如下。
- EMI濾波器由共模濾波器 LF101、X-電容器 CX101和 CX102 和 Y-電容器 CY101 的組件形成。
- 轉換器中的初級側控制部分包括 NCP11187,變壓器 T201、主電容器 C101、全波整流器 BD101、緩衝器電路 ZD101 和 D101等 。
- 二次側輸出(12V/3.5A 和16V/0.2A),相關組件有輸出二極體 D201、D202,輸出電容器 C202、C203、C204、C206、C207,濾波電感L201,L202等。
- 二側反饋電路有 R208、R211、R212和R205 ,電壓基準 U202和光耦合器 U201。
►場景應用圖

►產品實體圖

►展示板照片


►方案方塊圖

►核心技術優勢
1、NCP11187 是一種高度增強的電源晶片,集成了採用峰值電流模式 PWM 控制器,以及 800V 超級結II Mosfet 2、高壓啟動電路,恆定輸出功率限制,有各種保護。具有成本效益的離線電源,具有更少的 BOM 器件數和更小的 PCB 尺寸和高效率 3、有多個輸出,但它仍然可以得到較低的待機功耗,低於通常的 50mW 4、整個輸入電壓範圍內的可編程恆定輸出功率限制
►方案規格
世平安森美半導體(NCP11187A65)白色家電和工業設備的45 W輔助電源 • 峰值電流模式控制器集成了 800VSJ-IIMosfet、高電壓 • 啟動、軟啟動和斜坡補償 • 切換頻率選項:65/100/130kHz • 低電磁干擾的專用異步跳頻技術 • 整個輸入電壓範圍內的可編程恆定輸出功率限制 • 精密欠電壓保護和線路過電壓保護(LOVP) • 過流保護,短路保護,過熱停機保護 • 保護自動恢復功能