雙管正激式變換器與單管正激拓撲的大部分原理是相同的,但雙管正激式的突出優點有三:
(1)變壓器儲能有釋放迴路,不需要另設復位電路或復位繞組。主要原因是在開關管導通時,變壓器勵磁,而開關管閉合時由橋臂上的兩個二極體續流,磁芯去磁,同時磁芯能量返回直流電源。
(2)變壓器初級電路半導體器件承受的電壓等於轉換器的輸入電壓Ui。而單管正激需要高得多的耐壓器件。
(3)雙管正激相對於其他多管的變換器拓撲而言,兩隻開關管無直通短路的危險。因兩隻開關管在橋的對角線上,正常工作時就是兩管同時開通,同時關斷,此時變壓器初級繞組承受電壓,所以沒有直通危險。而全橋和半橋拓撲則有直通的危險。
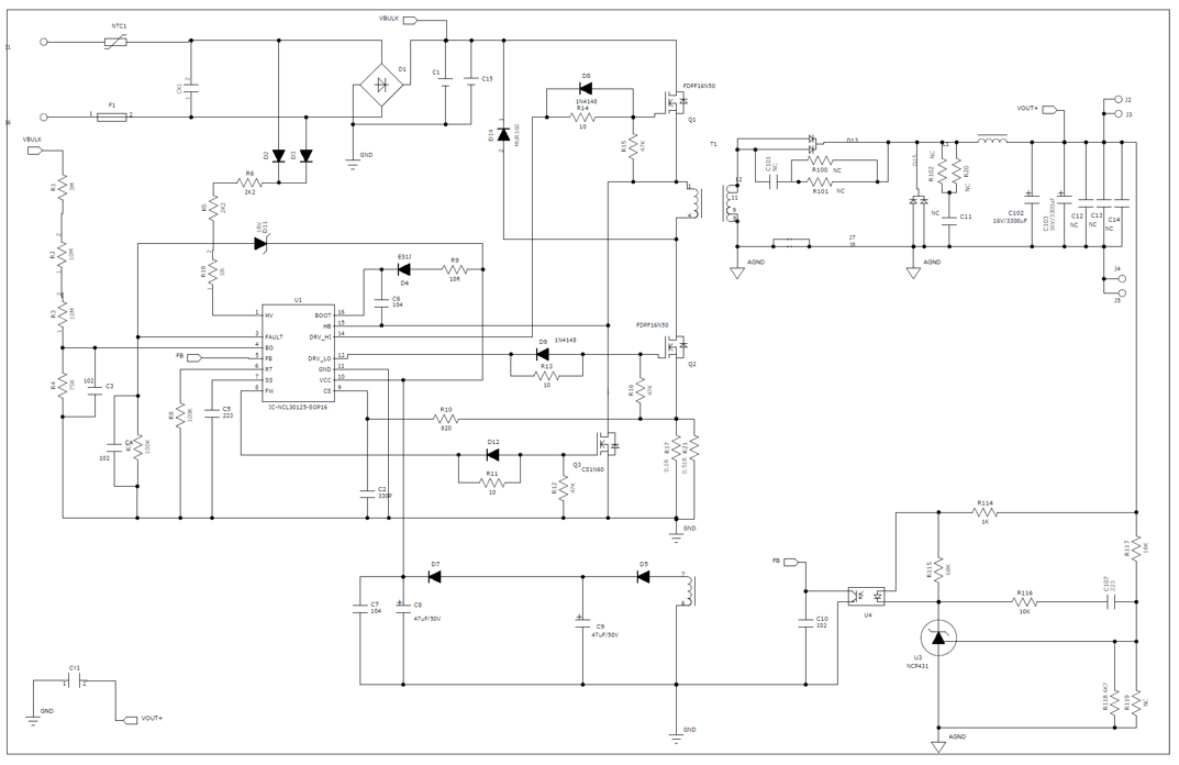
目前市面上雙管正激方案都是採用單管控制器加變壓器或光耦來實現上管驅動,ON Semiconductor新推出NCL30125雙管正激方案,上管與下管驅動分離,並通過控制復位MOS可解決開機之前MOS中點電壓(HB)不為0的issue。








(1)變壓器儲能有釋放迴路,不需要另設復位電路或復位繞組。主要原因是在開關管導通時,變壓器勵磁,而開關管閉合時由橋臂上的兩個二極體續流,磁芯去磁,同時磁芯能量返回直流電源。
(2)變壓器初級電路半導體器件承受的電壓等於轉換器的輸入電壓Ui。而單管正激需要高得多的耐壓器件。
(3)雙管正激相對於其他多管的變換器拓撲而言,兩隻開關管無直通短路的危險。因兩隻開關管在橋的對角線上,正常工作時就是兩管同時開通,同時關斷,此時變壓器初級繞組承受電壓,所以沒有直通危險。而全橋和半橋拓撲則有直通的危險。
目前市面上雙管正激方案都是採用單管控制器加變壓器或光耦來實現上管驅動,ON Semiconductor新推出NCL30125雙管正激方案,上管與下管驅動分離,並通過控制復位MOS可解決開機之前MOS中點電壓(HB)不為0的issue。




►場景應用圖
►展示板照片
►方案方塊圖
►核心技術優勢
1. 上管與下管驅動分離,省去上管驅動變壓器及其周邊期間,整體成本降低 2. 電源架構簡化,可減少電源尺寸,實現小型化 3. 通過控制復位MOS可解決開機之前MOS中點電壓(HB)不為0的issue。
►方案規格
1. 輸入電壓:180V~264V 2. 輸入電流:2A @ 180Vin & 滿載 3. 輸入頻率:47~63Hz 4. 輸出功率:300W 5. 效率:88.4% @ 230Vin & 板端測試 6. 輸出電壓/電流:12V/25A 7. 待機功耗:<0.3W @ 230Vin