NCP1397+NCP1605+NCP4303,240W 安森美充電器方案採用,同步整流充電器方案,12V 20A 輸出,採用NCV1397版本是可以達到車規級晶片,是目前市場上少有的PWM控制電源晶片,可以應用于低速車的車載充電器,也可以應用於電動工具充電器。性能穩定,價格好,方案齊全,可以直接生產的方案,包括齊全的Gerber檔,和原理圖,測試參數資料。
►場景應用圖

►產品實體圖

►展示板照片


►方案方塊圖

►核心技術優勢
1. 安森美的240W電源配置,可以用在低速車上的車載充電器,(OBC)目前市場上很少有的達到車規級的方案, 安森美充電器方案和工業輔助電源,醫療電源,軍工輔助電源等等,都是該方案可以覆蓋的應用市場,在LED路燈,到通訊電源,和伺服器電源等的應用方案 2. 工作方式是同步整流充電器方案,12V 20A 輸出,採用NCV1397版本是可以達到車規級晶片,是目前市場上少有的PWM控制電源晶片 3. 同步整流的整機方案可以做到94%的轉換效率,帶有功率校正的功能 4. 方案可以方便給工程師提供參考,可以減少很多驗證和測試的工作,並且可以提供Demo板給客戶測試。
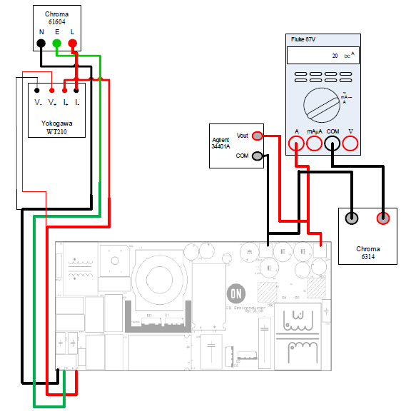
►方案規格
1. 輸入電壓範圍是85-265VAC-全電壓 2. 換效率高達95% 3. 輸出電壓12V 20A 240W的充電器方案,廣泛應用於12V系統的場合,通訊、低速充電器、待機系統電源、醫療電源,等等場合 4. 已經有測試報告此方案可以已經通過EMI EMC測試,內附BOM和用料