UA402 是集賢科技自主研發的一款專用於IOT的低功耗Wi-Fi模組,該模組支援標準的IEEE802.11 b/g/n 協定,支援TCP/IP協定棧,使用者可以使用該模組為現有的設備添加聯網功能,也可以構建獨立的網路控制器。該模組以最低成本提供最大實用性,為WiFi功能嵌入其他系統提供無限可能。
該方案使用目前可連接機智雲、塗鴉雲、深智雲、智雲奇點等,多是落地應用以及行業工業應用,可以提供定制開發功能。

相容目前市面上98%的路由器

應用場景:連結雲端識別控制語音演示

►場景應用圖
►展示板照片
.png)
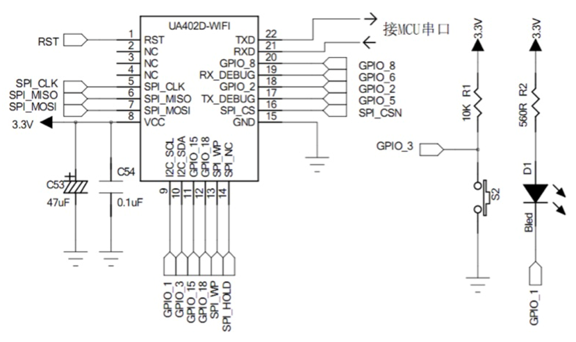
►方案方塊圖
.png)
►核心技術優勢
模組特性 ● 功耗低,體積小,尺寸為16mm*24mm*3mm ● 支援 802.11 b/g/n協定 支援AP/STA模式 ● 對模組操作極為簡單,僅需串口AT指令即可實現Wi-Fi功能 ● 支援各類Wi-Fi加密方式WEP/WPA-PSK/WPA2-PSK ● 支援 Smart-Link智慧聯網功能 ● 支援遠端固件OTA升級 模組採用四層板工藝,增強阻抗匹配,信號輸出更佳 ●PCB天線經過專業實驗室測試,完美匹配 ●可外接天線,實現更遠距離控制 ●模組已過FCC及CE認證,幫助用戶節省過認證費用
►方案規格
可連接機智雲、塗鴉雲、深智雲、智雲奇點