uPI推出Intel IMVP9的Vcore Power Solution-uP9523PQKI

日期 : 2019-05-27

新聞內容

uPI推出Intel IMVP9的Vcore Power Solution-uP9523PQKI




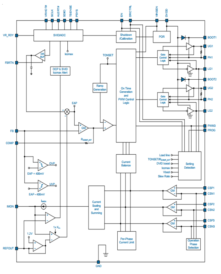
uP9523是一款兼容INTEL IMVP9的3相PWM穩壓控制器,適用於移動型電腦以及桌上型電腦平台應用。uP9523PQKI內建兩個5V MOSFET drivers與bootstrap diodes。此控制器支援3/2/1相位配置,為平台電源設計提供靈活性。此裝置同時結合了真實的differential output voltage sense, inductor DCR current sense, input voltage sense 與adaptive voltage positioning來提供CPU精準的調節電壓.


功能特點:

•  INTEL IMVP9兼容移動型及桌上型CPU
•  RCOT架構控制
•  內建兩組5V MOSFET drivers
•  支援相位關閉功能
•  可選擇的穩壓器參數
•  系統輸入電源監控
•  溫度感測
•  過電壓保護/低電壓保護/過電流保護/過溫關閉


Functional Block Diagram: 
 

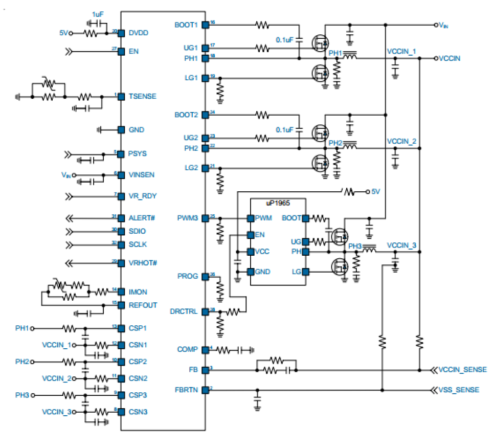
應用電路:三相位操作模式






我要聯絡