2024 年即將過去。回顧這一年,聖邦微電子發布了眾多優秀產品 ...
包括車規級電流檢測晶片、LDO、功率監測晶片、超精密電流放大器、MOSFET 驅動器等。它們覆蓋了汽車電子、工業控制、通訊和醫療、消費類電子等領域
下面,讓我們一起來回顧一下
SGM8197xQ --- 車規級電流檢測晶片
應用場景:汽車空氣懸架、剎車控制、EPS 等系統中感性負載電流檢測場景,及 BMS、LiDAR 等汽車系統上常規電源電流檢測應用

聖邦微電子推出符合 AEC-Q100 標準的車規級電流檢測晶片 SGM8197xQ(型號中 x 代表不同增益)。
該晶片支持業界領先的超寬共模輸入電壓 -24V 至 +105V,供電電壓 2.7V 至 28V。SGM8197xQ 內部集成了差分放大器、比較器和電壓基準。
內置差分放大器具有 10/20/50/100 四種增益,從而方便搭配不同的採樣電阻並實現較寬電流檢測範圍。
SGM8197xQ 輸入端耐受 -28.5V 至 +28.5V 的極限差分輸入電壓,這樣可以保證即使在大多數負載短路甚至採樣電阻燒毀開路等極端工況下,SGM8197xQ 也可以安全可靠地工作。
SGM8197xQ 內部放大器最高具有 1.6MHz 的超高帶寬(和增益相關),可以實現負載電流的快速檢測和負載及系統的可靠保護。
SGM38121 --- 面向攝像頭應用的 4 路 LDO PMIC
應用場景:相機傳感器、智慧型手機等

聖邦微電子推出面向攝像頭應用的 4 路 LDO PMIC 新品 SGM38121。
晶片集成了 2 路低壓差 DVDD,2 路高 PSRR AVDD,為不同型號、不同輸入電源的攝像頭提供穩定、可調、可靠的多路電源支持,保障拍攝的清晰度和穩定性。
傳統的分離式單路 LDO 方案,雖然使用靈活,但外圍器件數量多,布板分散,直接導致布板面積和手機製造成本的增加;同時一款手機往往有多家攝像頭傳感器供應商,不同型號的攝像頭可能需要不同的輸入電源。
SGM38121 能夠在更小的面積內、以更低的成本,滿足攝像頭市場對於高像素、大電流傳感器的應用需求。
SGM832 --- 具有警報功能、36V、16-Bit、兼容 I2C 和 SMBus 接口的電流、電壓、功率監測晶片
應用場景:通信設備、服務器、電池充電器、電源管理、測試設備、電源、筆記本電腦等

聖邦微電子推出監測晶片 SGM832,可以用於供電系統監測中的電壓、電流和功率監測。
晶片兼容 I2C 和 SMBus 接口,可同時監測差分電壓和總線電源電壓。晶片集成了靈活的寄存器配置,可根據需求編輯工作模式和轉換時間、次數並設置警報功能和閾值,最終輸出電流(A)、電壓(V)和功率(W)信號。
晶片採用符合環保理念的 MSOP-10 和 TDFN-3×3-10L 綠色封裝,工作溫度範圍在 -40℃ 至 +125℃。
SGM2079xQ --- 車規級 1A、低噪聲、寬帶寬、高 PSRR、低壓差線性穩壓器
應用場景:汽車應用、PLL/VCO/RF 電路、音頻設備等
SGM2079xQ 是一款集低噪聲、高電源抑制比(PSRR)和低電壓差於一身的線性穩壓器。
它能夠提供高達 1A 的輸出電流,同時保持僅 130mV 的典型壓降。
這款穩壓器還具備邏輯控制的關斷模式、短路電流限制和熱關斷保護等其他特性。SGM2079xQ 還具有自動放電功能,能夠在禁用狀態下迅速對 VOUT 進行放電。
它採用符合環保理念的 TDFN-3×3-8JL 綠色封裝,並符合 AEC-Q100 標準,確保了其在汽車電子領域的適用性。此外,SGM2079xQ 的工作溫度範圍廣泛(-40℃ 至 +125℃),使其能夠在極端環境下穩定工作。
SGM48521Q --- 最小脈衝寬度 1ns 的車規級低側 GaN 和 MOSFET 驅動器
應用場景:雷射測距系統、5G RF 通信系統、無線充電、GaN DC/DC 轉換等

SGM48521Q 是一款車規級高速單通道低側驅動器,專用於驅動氮化鎵(GaN)場效應管和 MOSFET。
應用領域包括使用低側驅動器的雷射雷達、面部識別 ToF 和電源轉換器。
SGM48521Q 提供 7A 源電流和 6A 灌電流輸出能力。分路輸出配置允許根據場效應管優化單獨的導通和關斷時間。
SGM48521Q 採用符合環保理念的 WLCSP-0.88×1.28-6B 和 TDFN-2×2-6DL 綠色封裝,具有最小寄生電感,限制振鈴,能有效縮短上升和下降時間。
SGM840xQ --- 車規級 -4V 至 80V、高 PWM 抑制的雙向超精密電流放大器
應用場景:汽車應用、電機控制、電磁閥和閥門控制、電源管理、執行器控制、壓力調節器、電信設備等

SGM840xQ 是一款專為汽車行業設計的雙向、固定增益、電壓輸出型電流放大器,它具備高的 PWM 抑制性能和 -4V 至 80V 寬廣的共模電壓範圍。
其高 PWM 抑制能力能夠有效抑制輸入端較大共模瞬態(ΔV/Δt)對輸出電壓影響,這對於採用脈寬調製(PWM)技術的電機驅動器和電磁閥控制系統等應用至關重要。
此外,其負共模電壓功能使得器件能在電壓低於地線的情況下正常工作,這對於螺線管的反激周期等典型應用場景極為有利。這些特性共同確保了電流測量的精確性。
該器件支持 2.7V 至 5.5V 的單電源供電,並具有 1mA(典型值)的低電源電流消耗。SGM840xQ 提供三種固定增益選項:20V/V、50V/V 和 100V/V,以滿足不同應用的需求。
採用符合環保理念的 SOIC-8 和 TSSOP-8 綠色封裝,並通過了 AEC-Q100 認證,適用於各種汽車應用。-40℃ 至 +125℃ 的寬泛工作溫度範圍確保了在極端環境下的可靠性能。
SGM71622R8 --- 8 通道、16 位、SPI 接口、帶內部基準電壓輸出的 DAC
應用場景:光學模塊、可編程邏輯控制器、工業自動化和實驗室儀器等
SGM71622R8 系列:一款高性能 16 位、8 通道、低功耗數模轉換器(DAC),支持 SPI 接口和內部基準。
SGM71622R8 系列數模轉換器以其卓越的 16 位精度和 8 通道設計,成為低功耗應用的理想選擇。該系列晶片內置 2.5V、5ppm/℃ 的高精度內部基準,提供 1.25V(增益=½)、2.5V(增益=1)或 5V(增益=2)的可編程全量程輸出電壓範圍,並確保高達 ±0.5LSB(典型值)的高線性度。
該系列 DAC 擁有靈活的串行操作接口,完全兼容 SPI,支持高達 50MHz 的工作時鐘頻率,滿足高速數據轉換需求。
SGM71622R8 系列還集成了上電復位管理電路,確保設備啟動時有穩定的默認輸出電壓。提供兩種上電復位電壓選項:0V 或中量程,以適應不同的應用場景。
在 5.5V 供電條件下,每通道的功耗僅為 0.5mA,非常適合電池供電的便攜設備。在省電模式下,功耗進一步降低至 0.5μA/通道,顯著延長設備的使用壽命。
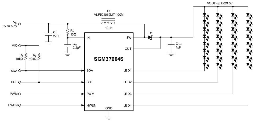
SGM37604S --- 一款高效 4 路 LED 驅動器
應用場景:背光顯示
SGM37604S 是一款高性能 4 路白光 LED 驅動 IC,集成了 1.2MHz 升壓轉換器,支持 3V 至 5.5V 的工作電壓範圍。
它能夠高效驅動多達 9 串 LED,每串 LED 的最大電流可達 25mA,確保了高轉換效率。該晶片採用自適應電流調節技術,能夠適應不同 LED 串的電壓,維持穩定的電流輸出。LED 電流可通過 I2C 接口或 PWM 信號靈活編程。
憑藉這些優勢,SGM37604S 成為緊湊型 LED 驅動解決方案的理想選擇,尤其適合用於 LCD 顯示屏的背光顯示。
SGM37604S 的高精度和高效率是其兩大核心優勢,對於 LED 背光照明驅動應用至關重要。
更多新品發布,請關注我們
![]() |
聖邦微電子 始終致力於為用戶提供高性能、高品質的模擬IC解決方案。一分耕耘,一分收穫,聖邦微電子與您共同成長! 更多信息,請登錄 www.sg-micro.com |

