作者 : 東芝半導體官網
出處 : https://toshiba.semicon-storage.com/tw/company/news/new-products-share/automotive/automotive-20221130-1d.html
東芝電子元件及存儲裝置株式會社( “東芝”)宣布,推出兩款直流有刷電機驅動晶片 ,分別為“TB9053FTG”和“TB9054FTG” ,增加車載應用產品線,兩款器件均採用2通道輸出驅動,額定電流5A [1] 。
新產品TB9053FTG和TB9054FTG採用額定電流為5A [1] 的2通道輸出驅動,提供兩種小型QFN封裝( 6.0mm×6.0mm (典型值)),有助於縮小貼裝面積,減小系統尺寸。此外, 2通道並聯模式下,產品可提供額定電流為10A [1]單通道驅動。同時, PWM控制功能H橋輸出導通電阻低至200mΩ [2] ,可實現高效電機驅動。此外, SPI通信可以菊鏈方式連接,還具有僅用SPI通信的電機控制功能,有助於減少MCU端口數量。
注:
[1]驅動電機的實際電流受環境溫度、供電電壓等工作條件的限制。
[2] @T j = 25°C , I out = 3A , VBAT = 8V
應用
車載設備
- 動力總成系統:引擎控制中採用H橋電子節氣門控制,各種閥門控制等。
- 底盤系統:可折疊車門後視鏡、車門鎖等。
- 其他:採用H橋/半橋電路等的控制電路。
特性
- 輸出驅動IC:2通道驅動,2通道並聯提供額定電流為10 A [ 1]單通道驅動,4通道半橋驅動
- 低H橋輸出導通電阻:R on(H+ L) = 200mΩ (典型值) @T j =25°C, I out =3A,VBAT=8V
- SPI通信功能:菊花鏈連接和僅用SPI通信的電機控制功能減少MCU端口數量,實現系統小型化
主要規格
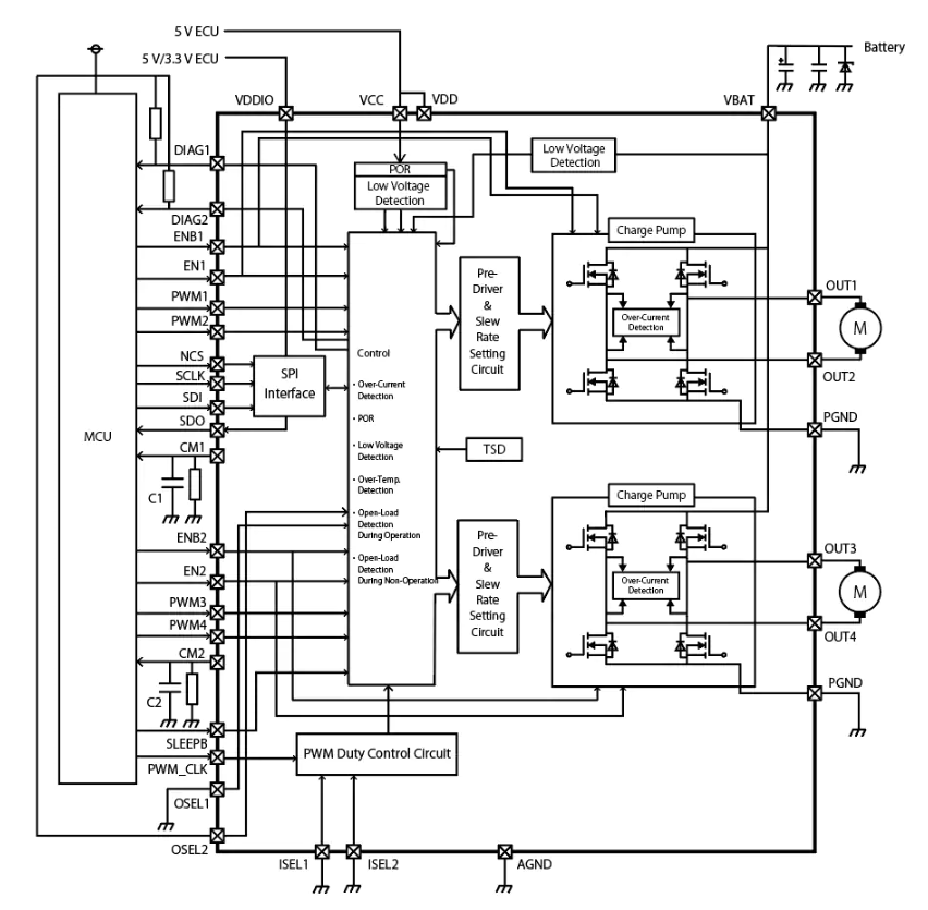
方框圖

注:
為便於解釋可能省略或簡化了框圖中的一些功能塊、電路或常量。
應用電路示例

注:
本文所示應用電路僅供參考。
需要進行全面評估,特別是在量產設計階段。
提供這些應用電路實例並不授予任何工業產權證可。