
東芝電子元件及存儲裝置株式會社(“東芝”)推出了採用SO6L封裝的光耦產品TLP5771H、TLP5772H和TLP5774H,可通過隔離的控制電路來驅動中小型MOSFET或IGBT柵極。
與現有產品相比[1],新產品的最高工作溫度從110℃提高至125℃。新產品的主要特性是工作溫度範圍為-40~125℃,從而使設計和保持溫度餘量變得更加容易。
該封裝輕薄小巧,最大高度僅為2.3mm,有助於提高系統板上零件佈局的靈活性。此外,該封裝可安裝在東芝使用SDIP6封裝[3]的以往產品[2]焊盤上。因此,可以將產品安裝在電路板的背面或高度受限的位置,從而取代以往產品。
註:
[1] 現有產品:TLP5771、TLP5772和TLP5774
[2] 以往產品:使用SDIP6封裝的TLP700H和TLP701H
[3] 封裝高度:4.15mm(最大值)
特性
- 大峰值輸出電流額定值 (@Ta= -40 至 125 °C):
IOPH/IOPL= -1.0/+1.0 A (TLP5771H)
IOPH/IOPL= -2.5/+2.5 A (TLP5772H)
IOPH/IOPL= -4.0/+4.0 A (TLP5774H) - 高工作溫度額定值 : Topr 最大值=125 °C
- 軌對軌輸出
應用
- 工業設備(工業逆變器、光伏逆變器的功率調節器等)
- 家電設備(空調逆變器等)
產品規格
(除非另有規定, @Ta= -40 至 125 °C)
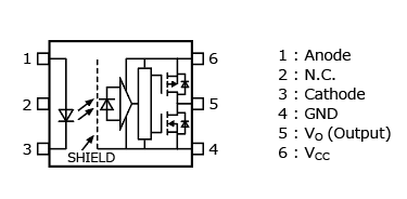
引腳分配
應用電路示例
註:
本文所示應用電路僅供參考。需要進行全面評估,特別是在量產設計階段。
提供這些應用電路示例並不授予任何工業產權許可。
* 本文檔中的產品價格和規格、服務內容和聯繫方式等資訊,在公告之日仍為最新資訊,如有變更,恕不另行通知。