
東芝電子元件及存儲裝置株式會社(“東芝”)推出了一款導通電流額定值為1.5A的電壓驅動型光繼電器—TLP3403SRHA,該產品採用業內安裝面積最小的S-VSON4T封裝[1],擴充了其產品線。
通過新發佈的1.5A額定導通電流產品,以及在此之前發佈的產品[2],東芝的產品線得到了擴展,涵蓋20V到60V斷態終端電壓以及0.4A到1.5A導通電流。新產品的最高額定工作溫度為125°C,適用於高溫環境。此外,還使具有較大熱裕度設備的設計變得容易。並且通過在輸入側集成一個內置電阻器,可以製成不需要外部電阻器的電壓驅動產品。這有助於減少電路板上所需的空間,從而增加了光繼電器的安裝數量。
該產品適用於半導體測試設備和探針卡等應用,這些應用需要在電路板上安裝大量繼電器,但空間有限。
注:
[1]安裝面積2.9mm2(典型值),東芝2021年3月調查。
[2]此前發佈的產品:TLP3407SRA、TLP3412SRHA、TLP3475SRHA
特性
- • 大額定導通電流:ION=1.5A(S-VSON4T封裝的導通電流最大值)
- • S-VSON4T封裝,1-Form-A觸點業內最小安裝面積[1]
- • 高工作溫度額定值:Topr最大值=125°C
應用
- 半導體測試設備(用於記憶體、SoC和LSI的探針卡和測試頭等)
- 燒錄設備
- 測量儀器(示波器、資料記錄器等)
產品規格
(除非另有規定, @Ta=25 °C)
| 器件型號 | TLP3403SRHA |
TLP3407SRA [2] |
TLP3412SRHA [2] |
TLP3475SRHA [2] |
||
|---|---|---|---|---|---|---|
| 封裝 | 名稱 | S-VSON4T | ||||
| 安裝面積典型值 (mm2) | 2.9 | |||||
| 觸點 | 1-Form-A | |||||
|
絕對最大 額定值 |
斷態輸出端電壓 VOFF (V) |
20 | 60 | 60 | 60 | |
| 導通電流 ION (A) | 1.5 | 1 | 0.4 | 0.4 | ||
|
(脈衝)IONP (A) |
@t=100 ms, 占空比=0.1 |
4.5 | 3 | 1.2 | 1.2 | |
| 工作溫度 Topr (°C) | -40 到 125 | |||||
| 建議工作條件 |
VIN 典型值 / 最大值 (V) |
@Topr= -40 至 125 °C |
3.3/6 | |||
| 電氣特性 |
IOFF 最大值 (nA) |
@VOFF=50 V | 1 (@20 V) |
1 | 1 | 1 |
| 輸出電容 COFF 輸出電容. (pF) | 120 | 80 | 最大 20 | 12 | ||
| 耦合電氣特性 |
ILIM(LED) 典型值 (mA) |
@Ta=110 °C, VIN=5.5 V |
6.3 | 0.7 (@3.3 V) |
6.3 | 6.3 |
| 工作電壓 VFON 最大值 (V) | 3 | |||||
| 導通電阻 RON 最大值 (Ω) | 0.2 | 0.3 | 1.5 | 1.5 | ||
| 開關特性 | 導通時間 tON 最大值 (ms) | 2 | 20 | 0.5 | 0.5 | |
| 關斷時間 tOFF 最大值 (ms) | 0.2 | 1 | 0.2 | 0.2 | ||
| 隔離特性 |
隔離電壓 BVS 最小值 (Vrms) |
500 | ||||
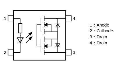
引腳分配

應用電路示例
注:
本文所示應用電路僅供參考。需要進行全面評估,特別是在量產設計階段。
提供這些應用電路示例並不授予任何工業產權許可。
本文檔中的產品價格和規格、服務內容和聯繫方式等資訊,在公告之日仍為最新資訊,如有變更,恕不另行通知。