uPI推出高效能定頻降壓轉換器-uP9614
uP9614是具有內部電源開關的高效能單相同步降壓轉換器。 借助內部低RDS(ON)開關,uP9614能夠為充電器接口提供高達7A的輸出電流。
Pin Configuration

功能特點:
輸入電壓範圍可自10.8V至30V之間
輸入電壓最大值為32V並具有輸入過電壓保護
輸出電壓範圍可從2.9V至12V
可選擇的軟啟動模式
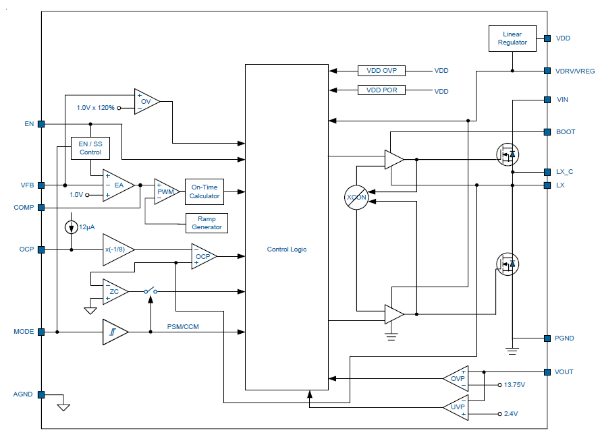
Functional Block Diagram

Typical Application Circuit

uPI推出高效能定頻降壓轉換器-uP9614
uP9614是具有內部電源開關的高效能單相同步降壓轉換器。 借助內部低RDS(ON)開關,uP9614能夠為充電器接口提供高達7A的輸出電流。
Pin Configuration

功能特點:
輸入電壓範圍可自10.8V至30V之間
輸入電壓最大值為32V並具有輸入過電壓保護
輸出電壓範圍可從2.9V至12V
可選擇的軟啟動模式
Functional Block Diagram

Typical Application Circuit
