一. 引言
隨著電動汽車動力電池電量的增加,車載充電機(OBC)被迫從3.3 kW、6.6 kW快速邁向11 kW甚至22 kW。然而,整車佈局留給OBC的空間有限,傳統的兩級拓撲(PFC+LLC)因中間母線的大電解電容與獨立磁性元件,以及散熱面積隨器件數量線性增加,已成為提升功率密度的瓶頸。單級架構將電網整流、升壓與隔離DC-DC合併為同一功率級,可減少30%的無源元件體積與20%的開關器件,但在控制上需要在一個開關週期內同時完成功率因數校正、電池調壓與ZVS任務。本文主要介紹基於ST StellarE1 HRTIM模組實現單級OBC調頻加雙移相的複雜發波時序。
二. 變頻加雙移相發波時序介紹

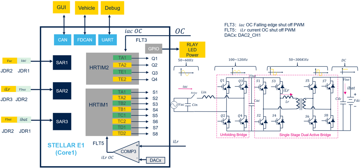
ST StellarE1 的 HRTIM2 的 TA1、TB1、TE1、TE2 表示 4 通道 PWM 用於不控整流橋 Q1-Q4。HRTIM1 的 TA1、TA2、TB2、TB1、TC1、TC2、TD1、TD2 表示 8 通道 PWM DAB 驅動 S1-S8。功率正向傳輸時,HRTIM2 的 4 通道 PWM 不發波。

由於控制策略為變頻(VF)和雙相移(DPS),HRTIM1運行在遞增計數模式,控制器的週期在40Khz的定時器中斷中執行。在每個週期中,ADC採樣由主定時器觸發。當控制器結束時,PWM將更新至下一個週期。定時器A、B、C和D的上、下通道相互補充。
ADC觸發器用於Iac、iLr、ibat、Vbat、Vac、Vbus取樣,由TM.CMP4(主定時器比較4匹配事件)觸發,且觸發頻率與PWM開關相同。定時器A和B的計數器由主定時器翻轉事件重置,以使定時器A、B與主定時器同步。
由於TA1/TA2連接到S1/S2,TB1/TB2連接到S4/S3,定時器A和定時器B的配置相同,它們通過比較1個匹配事件(TA.CMP1=T/2且TB.CMP1=T/2)自動重置,並通過週期事件自動設置,因此S1和S3可以產生占空比為50%且相位差為180度的驅動信號。
定時器C(TC)計數器由主定時器比較1匹配事件(TM.CMP1)針對相位角θ_1進行重置。TM.CMP1匹配事件還設置TC1,TC.COMP1=T/2,重置TC1以生成占空比為50%的驅動信號。
定時器D(TD)計數器由主定時器比較3匹配事件(TM.CMP3)針對相位角θ_2進行重置。TM.CMP1匹配事件也會設置TD1,TD.COMP1=T/2,從而重置TD1以生成占空比為50%的驅動信號。
最後,可以實施EPS+VF:
T = HRTIM_輸入時鐘 * 8 / 採樣頻率
TM.CMP1 = (0.5 - θ_1) × T
TM.CMP3 = (0.5 - θ_2) × T
HRTIM_INPUT_CLOCK:HRTIM輸入時鐘,範例配置為300000000
T:與PWM開關頻率週期相對應的計數值
fs:PWM開關頻率(本演示的頻率範圍為50-300KHz,對應50,000 - 300,000)
θ_1:次級相移角1(θ_1≤0.5)
θ_2:次級相移角2(θ_2≤0.5)
三. StellarE1實現變頻加雙移相發波
根據環路計算結果得到所需的開關頻率及移相角度,轉換為HRTIM的週期計數值及移相比較值;
msprod = (uint16_t)(2400000000 / fs);
phase1 = (uint16_t)(msprod * (0.5 - theta1));
phase2 = (uint16_t)(msprod * (0.5 + theta2));
mc1 = phase1;
mc3 = phase2;
關閉HRTIM的更新功能,為各個TIM模組寫入週期值及比較值;寫入完成後開啟HRTIM的更新功能。
hrtim_timer_disable_update(&DRV_HRTIM1, HRTIM_TIMER_MASTER_MASK_ID | HRTIM_TIMER_A_MASK_ID | HRTIM_TIMER_B_MASK_ID | HRTIM_TIMER_C_MASK_ID | HRTIM_TIMER_D_MASK_ID);
(void)hrtim_timer_set_period(&DRV_HRTIM1, HRTIM_TIMER_MASTER, m_prd);
(void)hrtim_timer_set_period(&DRV_HRTIM1, HRTIM_TIMER_A, m_prd);
(void)hrtim_timer_set_period(&DRV_HRTIM1, HRTIM_TIMER_B, m_prd);
(void)hrtim_timer_set_period(&DRV_HRTIM1, HRTIM_TIMER_C, m_prd);
(void)hrtim_timer_set_period(&DRV_HRTIM1, HRTIM_TIMER_D, m_prd);
(void)hrtim_timer_set_cmp(&DRV_HRTIM1, HRTIM_TIMER_MASTER, HRTIM_CMP1, mc1);
(void)hrtim_timer_set_cmp(&DRV_HRTIM1, HRTIM_TIMER_MASTER, HRTIM_CMP3, mc3);
(void)hrtim_timer_set_cmp(&DRV_HRTIM1, HRTIM_TIMER_A, HRTIM_CMP1, ta_cmp1);
(void)hrtim_timer_set_cmp(&DRV_HRTIM1, HRTIM_TIMER_B, HRTIM_CMP1, tb_cmp1);
(void)hrtim_timer_set_cmp(&DRV_HRTIM1, HRTIM_TIMER_C, HRTIM_CMP1, tc_cmp1);
(void)hrtim_timer_set_cmp(&DRV_HRTIM1, HRTIM_TIMER_D, HRTIM_CMP1, td_cmp1);
(void)hrtim_timer_set_cmp(&DRV_HRTIM1, HRTIM_TIMER_A, HRTIM_CMP4, ta_cmp1 / 10);
hrtim_timer_enable_update(&DRV_HRTIM1, HRTIM_TIMER_MASTER_MASK_ID | HRTIM_TIMER_A_MASK_ID | HRTIM_TIMER_B_MASK_ID | HRTIM_TIMER_C_MASK_ID | HRTIM_TIMER_D_MASK_ID);
四. 實驗現象
下圖顯示了TA1(S1)、TB1(S3)、TC1(S5)、TD1(S7)的PWM開關頻率從100k切換至120k,基於HRTIM的更新機制,確保了所有通道同步更新週期值;S5和S7通道的兩個移相角是通過主定時器的CMP1和CMP3事件來實現的。

五. 結論
實驗波形證實,得益於StellarE1晶片上HRTIM的高精度及靈活的發波能力,才使得「變頻+雙移相」這一理論上複雜、時序上苛刻的混合調制策略在單級6.6 kW OBC中得以可靠落地,並為後續更大功率、更高密度平台奠定可靠而堅實的MCU控制基石。
評論