1. 簡介
光學式皮膚感測器可以區分皮膚與不同物體的表面,廣泛應用在無線耳機,智慧手錶,等穿 戴式設備,以無線藍芽耳機 TWS 為例,只有在使用者戴上耳機時才會撥放音樂,當使用者將耳 機取下放在桌上或口袋,音樂隨即暫停撥放。皮膚傳感器可以使用紅外光線來檢測電子設備附 近皮膚的存在。使設備可以檢測到皮膚的存在而採取不同行動。 例如在 VR 眼鏡中,可以基於 皮膚傳感器是否檢測到皮膚來控制 VR 眼鏡的功能啟動和待機,當眼鏡正被使用者佩戴時開啟 功能,眼鏡脫下時待機以節省功耗。本文介紹如何使用億光皮膚感測器實現皮膚檢測功能。

圖一、表貼式(SMD type)皮膚感測器 B-PM1914B3/L973-A-3R
2. 感測原理
億光皮膚傳感器 B-PM1914B3/L973-A-3R 由兩顆紅外 LED 與一顆光電二極管(Photo Diode)組成,具有不同波長的第一(1040nm)和第二發光(1450nm)紅外 LED,與相應的紅外感 測裝置。反射光由光電二極管(Photo Diode)監測。皮膚傳感器一般有薄膜干涉濾光片或鏡片 (Lens)與第一和第二紅外 LED 重疊的其他光學結構,以縮小皮膚傳感器發射光的角度。這會降 低靈敏度並有助於提高皮膚傳感器的準確性。

表一、皮膚傳感器兩種 IR 發光波長
人類皮膚的光譜響應以波峰和波谷為特徵。例如,人體皮膚的反射率在 1065nm 波長處相對較高(例如,大約 50-60%),而在 1465nm 波長處相對較低(例如,大約 5-10%)。 因此,可 以通過發射 1065nm 和 1465nm 光並測量目標物體在這些波長下反射的光量的傳感器來監 測皮膚的存在。下圖為液態水的吸收頻譜曲線

圖二、液態水的吸收頻譜曲線
從上圖可以看出,相較於 1050nm,1450nm 對於含水分的物體吸收率較高,利用此特點 通過適當機構設置,讓皮膚感測器貼合在待測物表面,可以監測 1050nm 反射光與 1450nm 反射光的比率 R 並與閾值 TH(例如 3 或其他合適的值)進行比較。 當比率 R 小於 TH 時,可 以判斷待測物不是皮膚。 當比率 R>TH 時,可以判斷存在皮膚。 為了幫助避免存在非皮膚物 體時的誤報,可能需要控制皮膚傳感器的光輸出。具體而言,可以通過縮小發射光的角度範圍來 抑制誤報。 有助於避免皮膚傳感器讀數中的雜訊。
3. 應用電路
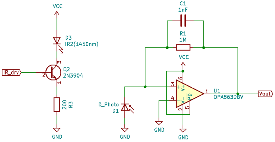
要放大光電二極管的訊號,可以選擇轉阻放大器電路(Transimpedance amplifier):此電路 利用一個轉阻放大器將光電二極管的高阻抗小電流訊號轉換成低阻抗電壓訊號,再通過後級放 大器進一步放大。轉阻放大器可使用單一電源供應,並且具有較高的輸入阻抗和輸出阻抗,因此 能有效減少噪音和失真。
皮膚傳感器搭配轉阻放大器(TIA),將電流轉換為電壓訊號。實驗使用 IR LED 驅動電流約 20mA,實際應用可以使用脈衝驅動。(註: 1050nm,1450nm IR LED 其順向偏壓 VF 不同,限 流電阻可視情況調整。)

圖三、應用電路
3.1 測試步驟
讀取把皮膚感測器電流/電壓值,判斷物體或皮膚流程如下:
1. 準備不同的物品,例如:白紙、黑卡、手腕(手背)…等。
2. 使用皮膚感測器貼合在待側物體表面測試,切換不同 IR LED(1050nm(A)與 1450nm(B))光源,各別紀錄輸出電壓讀值 Vout。
3. 計算比值 R = A/B,即可判別待測物是否是皮膚(含水分物體)或物品(無水分)。
4. 更換不同待測物品並重複上述步驟 1~4,可得到不同的比值 R(n)。參考表二。

表二、皮膚感測器測試數據
從表二的數據可大致歸納出皮膚的判定條件,1050nm 紅外對物品是否有水分變化不大,對 可當物體偵測,而 1450nm 紅外對含水分物品,相較之下變化較大,所以兩者搭配使用,可感 測皮膚的存在。

![]()
![]()
![]()
![]()
表三、皮膚感測器判定 R 值
注意:每顆皮膚感測器芯片靈敏度、製程及有無鏡片、塑料片,都會有些微差異,量得的 Vout
也會有誤差,故若要求精確度較高需再自行校正並修正。
實際量測手腕波形如下:

圖四、1050nm 波形與 1450nm 波形
4. 注意事項 塑料飾板厚度建議 根據皮膚感測器 IRLED 的波段,建議塑料飾板或鏡片選擇,紅外線(1000nm~1500nm)穿 透率較高的材質。厚度越薄越好<1mm 作為參考。
Q/A EVERLIGHT光學式皮膚感測器應用手冊
1. 問:光學式皮膚感測器的主要應用場景有哪些?
答:主要應用於穿戴式設備,如無線藍牙耳機(TWS)和智慧手錶,用於檢測使用者是否佩戴設備,從 而控制音樂播放或暫停。也可用於VR眼鏡,根據佩戴狀態啟動或進入待機模式以節省功耗。
2. 問:皮膚感測器是如何區分皮膚與其他物體的?
答:皮膚感測器使用兩種波長的紅外光(1050nm 與 1450nm),利用皮膚中含水分對這兩種波長反射率差異的特性。計算兩者反射光的比值 R=A/BR=A/B(A為1050nm反射訊號,B為1450nm反射訊號),若 R>3R>3 則判定為皮膚,反之則為非皮膚物體。
3. 問:皮膚感測器的電路設計中,轉阻放大器(TIA)的作用是什麼?
答:轉阻放大器用於將光電二極管產生的小電流訊號轉換為電壓訊號,便於後續處理。它具有高輸入阻抗和低輸出阻抗,能有效減少雜訊與失真,提升檢測精度。
4. 問:在實際測試中,如何判斷待測物是否為皮膚?請列出步驟。
答:步驟如下:
- 將感測器貼合待測物表面。
- 分別開啟1050nm與1450nm IR LED,記錄輸出電壓值 AA 與 BB。
- 計算比值 R=A/BR=A/B。
- 若 R>3R>3,判定為皮膚;若 R<3R<3,則為非皮膚物體。
5. 問:使用皮膚感測器時,對外部塑料飾板或鏡片有什麼建議?
答:建議選擇對紅外光(1000nm~1500nm)穿透率高的材質,且厚度應盡量薄,最好小於1mm,以確保感測器能準確接收反射光訊號。
參考來源