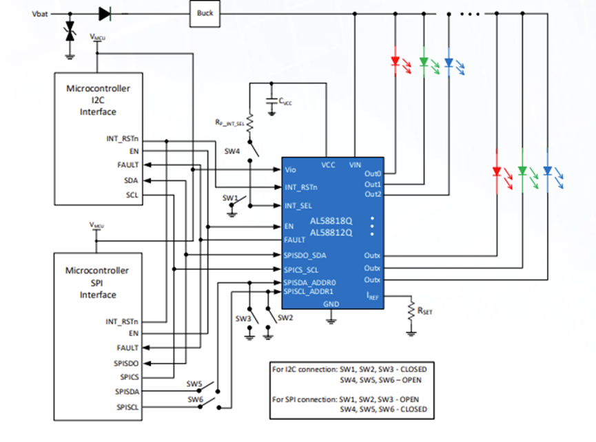
Diodes 公司 (Diodes) (Nasdaq:DIOD) 宣布符合汽車標準的 AL58818Q/12Q 是 18和12 通道線性恆流 LED 驅動器,整合 12 位元 PWM,可透過 I2C/SPI 介面控制顏色和亮度。這使得這些裝置成為最多 6 個 RGB LED 模組或 18 個單色 LED 汽車照明應用的理想選擇。(作者:diodes;出處:www.diodes.com)

AL58818Q/12Q 具有內建可定址暫存器,並提供三個可程式化的bank (A、B、C),可針對每個顏色進行軟體控制,使使用者能輕鬆自訂器件以符合需求。當所有 LED 關閉超過 30ms 時,AL58818Q/12Q 會自動進入其省電模式,最大僅消耗 15µA。
此元件供應為濕潤性 W-QFN5050-40/SWP (Type A1) 封裝。

產品優勢
- 硬體可選數位介面:I2C 或 SPI,為系統提供程式設計上的靈活性
- 獨立故障遮罩暫存器與開路/短路暫存器,並具備開漏故障腳位,可偵測並回報每個 LED 通道的開路/短路狀況,且可針對單一通道啟用或停用
- 支援 PWM (3%) 與類比 (<3%) 調光,並提供 3 位元抖動功能,可將 PWM 解析度提升至 0.0244%
- 內建 16MHz 振盪器供 PWM 調光使用,無需外部 PWM 時脈
精確的 3% 器件間與通道間電流匹配,確保精準色彩混合與燈具、顯示器間的顏色一致性
Typical Application

Product Portfolio

評論