特點:
• 通用交流輸入電壓範圍:90~264 VAC,頻率為47~63 Hz
• 最大輸出功率:65 W
• 可選輸出電壓範圍:5 V、9 V、12 V、15 V、20 VDC
• 峰值效率:93.7%(滿載條件下,輸入電壓為230 VAC)
• 待機功耗:
- 46 毫瓦(輸入電壓為115伏交流電)
- 62 毫瓦(輸入電壓為 230 伏交流電)
• 主要核心元件:STACF01、MasterGaN1L、SRK1004
應用領域:
• 智慧型手機、筆記型電腦及其他手持設備的交流-直流轉換器
• 離線式開關電源
產品描述:
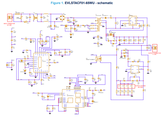
EVLSTACF01-65WU 是一款額定功率為 65 W 的有源箝位反激(Active Clamp Flyback, ACF)轉換器,專為評估 STACF01 ACF 控制器而設計。該評估板支援通用交流輸入電壓,並能夠根據 USB PD(電力傳輸)規範提供 5 V 至 20 V 的可選輸出電壓。
在初級端,STACF01 控制器與 MasterGaN1L 搭配使用。MasterGaN1L 是一款整合了高壓驅動器的600 V半橋增強型氮化鎵(GaN)HEMT。STACF01 內建升降壓轉換器,透過單個變壓器的輔助繞組實現極低的待機功耗。
在次級側,採用基於 SRK1004 的同步整流技術以進一步提升效率。此外,STACF01 集成了額定 800 V 的高壓啟動電路,並提供全面的保護功能,包括交流欠壓保護、X 電容放電、過載保護、短路保護以及輸出過壓保護。
該評估板的設計旨在為開發人員提供高效、可靠的解決方案,適用於多種便攜式設備的電源應用。

評論