1. 簡介
本文介紹了一種用於儲能系統(ESS)的自適應驅動器優化策略,以應對過載可靠性和運行效率方面的挑戰。透過根據即時負載條件動態調整柵極電阻(R剛/R戈夫該策略在正常運行期間實現了開關損耗的最小化,同時在過載條件下(額定電流的1.5至3倍)抑制了電壓應力並提高了可靠性。所提出的方法已在215kW的基於SiC的儲能系統解決方案上進行了驗證,證明了其在可再生能源併網應用中提升系統性能和可擴展性的潛力。
2. 儲能PCS的過載需求——為何提出?
傳統的儲能過載需求為1.1、1.2,而在電網配置的儲能系統中,PCS變流器的過載需求為1.5、2甚至3倍,過載對應的電流需求更高,相當於短期過載條件下的輸出電流需求。

2.1 IGBT電流與電壓應力之間的關係

2.2 IGBT/SiC開關電阻選擇的關係
R高夫取決於關斷電壓應力
R剛取決於二極體開通電壓應力
3. 段控制策略
3.1 儲能系統中功率元件過載的挑戰
在過載條件下,由於時間非常短暫,瞬時過流非常嚴重,主要瓶頸有兩個方面:(1)大電流下設備開關的應力,(2)大電流下設備過熱的問題。
3.2 儲能系統過載

由於系統僅在極少數運行條件下才需要過載需求,如果因為這些極少數的運行條件而犧牲正常運行條件下的效率,將會造成極大的浪費。因此,可以考慮將此類工況的需求與過載工況分開處理。
4. 215kW儲能系統的碳化矽解決方案
在本研究中,英飛凌的碳化矽混合模組 F3L3MR12W3M1H_H11(如圖2所示)被用作核心功率元件,為215kW儲能系統構建了一個高效解決方案。該模組採用了有源中性點箝位(ANPC)拓撲結構,配備兩個高速SiC開關(T2/T3)和四個低速矽IGBT。這種配置大幅降低了開關損耗,同時提升了系統的整體效率。

5. 實施分段驅動控制策略
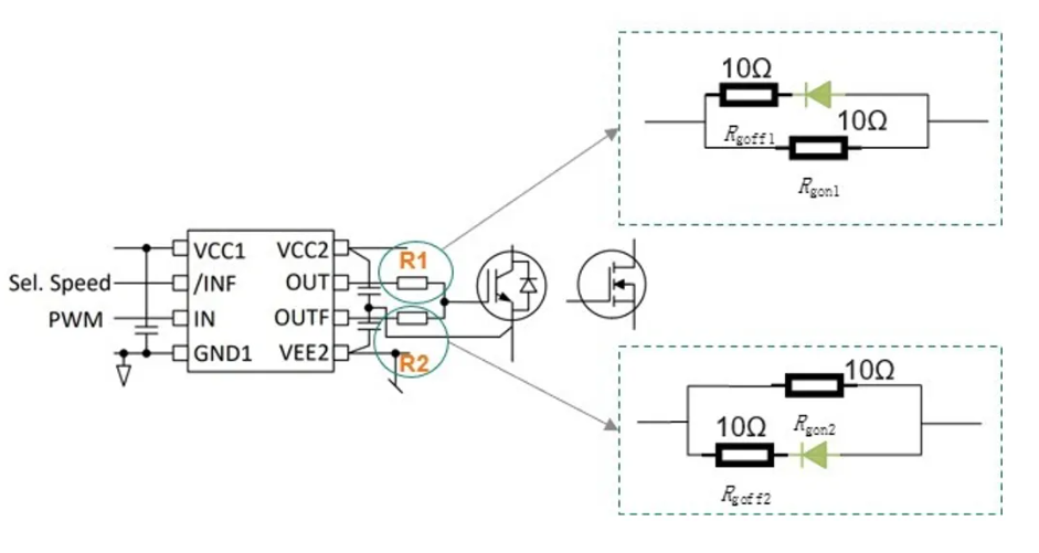
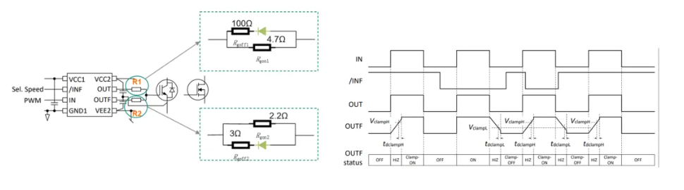
5.1 基於2L-SRC驅動晶片的實現
採用英飛凌的2L-SRC緊湊型(1ED32xx)系列驅動晶片

5.2 性能驗證
本研究以215千瓦儲能系統為例,該系統需要1.5倍的過載能力,以滿足併網條件下的瞬時大電流需求。傳統的驅動器設計通常採用較大的固定導通和關斷電阻,以確保過載條件下的系統可靠性。然而,這種方法大大增加了正常運行時的開關和導通損耗,導致效率降低和熱應力增加,從而降低了系統的整體性能。
本文提出的分段驅動器策略可即時動態調整驅動器參數,有效滿足過載需求,同時提高正常運行條件下的效率與可靠性。分段驅動器策略示意圖如下圖所示。

6. 結論
本文主要分析了一種在變流器設計中根據輸出電流大小設定開關參數的方法,探討了其帶來的價值,以及在幾個具體方面的優勢與改進,並介紹了相應的系統實現。最後,以英飛凌提供的一款驅動晶片為例,結合實際案例進行了系統分析,進一步證明了分段驅動在儲能逆變器系統中帶來的價值及其獨特性。
掃描 QR Code,關注英飛凌工業半導體尋找更多應用程式或產品資訊
參考來源