大家對氫元素肯定都不陌生,認識它基本都是從背元素週期表開始的。近年來我們身邊多了很多氫的身影,從北京冬奧會的氫燃料電池大巴,再到廣州南沙小虎島電氫智慧能源站,氫也越來越被大家熟知。工業上,氫的使用可是一點都不少,自 1975 年以來,需求量增長了三倍,而且還在繼續增長。然而,氫氣生產目前幾乎全部由化石燃料供應,消耗了全球約 6% 的天然氣和 2% 的煤炭。據估計,目前全球每年氫氣生產產生的二氧化碳排放量為 8.3 億噸,相當於英國和印尼的排放量總和,氫氣生產的增長與遏制全球氣溫上升的努力不相適應[1]。
首先要明確一點,氫氣是二次能源。我們根據環境友好程度以及生產過程中是否有溫室氣體排放等,使用了幾種顏色來區分,即綠氫、藍氫和灰氫。上面提到的用化石燃料製氫叫灰氫,因為這種方式每生產1噸氫氣就會產生9~12噸的二氧化碳。在生產過程中產生的二氧化碳若被儲存或再利用,這種方式生產的氫氣則稱為藍氫。
接下來我來介紹一下綠氫。綠氫是在電解過程中產生的,該過程利用風能和太陽能等可再生能源,並且在此過程中不會產生溫室氣體。其他生產綠氫的方法包括生物質的氣化和發酵以及沼氣的重整。為了實現「雙碳」目標,「氫」也能發揮一定的作用。新能源發電比較依賴環境的影響,因此具有不穩定的特點,可能會出現一些「棄風」或「棄光」的現象。大家自然就會對未來有一些構想,例如建設「氫網」,將無法上網的電力用來製氫,透過管網運輸出去,或者長時間儲存起來。

圖1. 電解氫——未來能源系統的一部分
電解氫想必很多人都看過,我們中學化學老師會用電解水的例子來講解電化學反應。工業上的電解氫技術需要結合效率、成本以及工藝的成熟度,我們常見的有三種:鹼性電解水製氫(ALK)、質子交換膜製氫(PEM)和固體氧化物電解水製氫(SOEC)。
如下表所示,目前主要以鹼性電解水為主,其次是PEM。至於固體氧化物製氫,由於其運行條件限制,目前占比較小。本文所討論的製氫電源的方案主要針對鹼性電解水和PEM這兩種電解槽。
表1 電解氫技術

鹼性水電解槽利用 KOH 或 NaOH 溶液作為電解質,透過隔膜分離氫氣和氧氣,並傳導氫氧根離子 (OH⁻)。PEM 電解槽使用質子交換膜,水在陽極分解為氧氣、質子 (H⁺) 和電子。質子通過膜,電子經外電路到陰極,在陰極形成氫氣。這兩種方法的電荷流動都是有方向性的,因此客觀上決定了必須使用直流電。
鹼性電解法因其設備投入成本低、生產工藝相對成熟,目前占據主要的市場份額,但其動態特性較差;而動態系統表現良好且與新能源發電契合度高的PEM製氫方法,再加上發電效率高等優勢,隨著設備投入成本的下降,未來具有更廣闊的發展空間。
那要使用什麼電路拓撲呢?目前存在單級拓撲和雙級拓撲,這兩種拓撲各有優缺點。單級拓撲是僅存在一級AC/DC功率轉換,將交流轉換成直流來直接電解水製氫。單級拓撲多用於從電網取電的場合,其效率高、成本低。雙級拓撲不僅有前級AC/DC功率級,還包括後級的DC/DC,響應速度快,適合新能源發電來直接電解氫。
首先,先看一下輸入級(AC/DC)的方案。
1 多脈波整流器

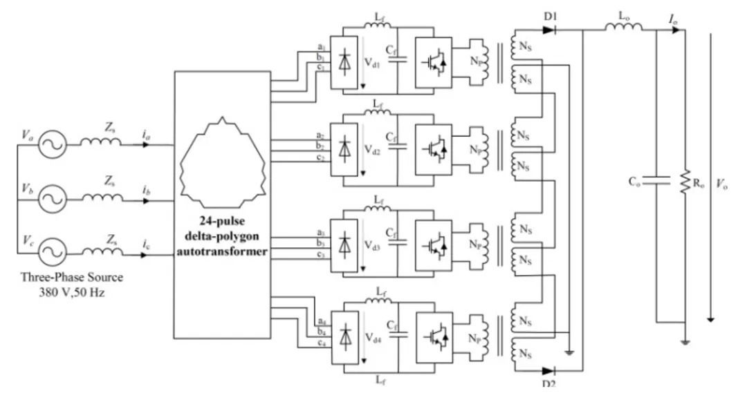
圖2. 多脈波晶閘管整流器[2]
多脈波整流器作為單級拓撲具有損耗低、效率高的優勢,若要滿足並網電流諧波、母線電壓諧波和功率因數等國標,分別至少需要24和12脈衝及以上的拓撲,這就需要龐大的整流變壓器。針對多脈衝整流器,英飛凌的功率晶閘管有以下產品可供選擇:

2 PWM全控整流
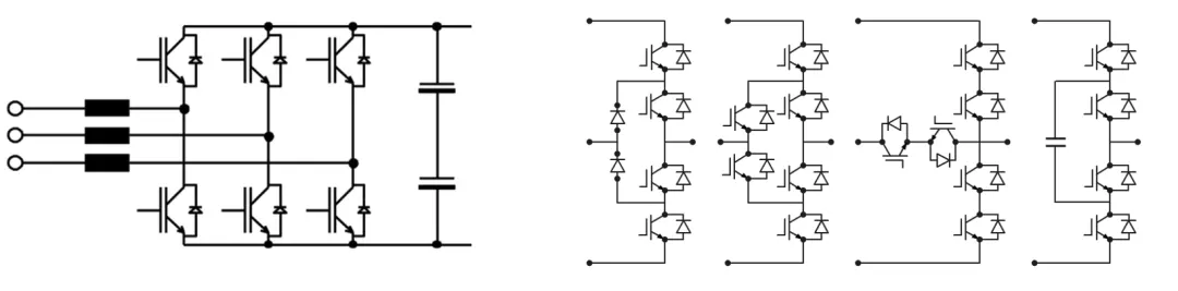
PWM全控整流透過調節IGBT的占空比,可以將輸入端的交流電流控制為正弦波,從而大幅降低電流諧波失真並提升功率因數。也可以使用碳化矽MOSFET取代矽IGBT,從而簡化拓撲。響應速度快,電能品質佳,無需整流變壓器。主要拓撲包括兩電平的B6和三電平。

圖3. 整流電路拓撲

以上是輸入級的大致方案,對於雙級電路來說,輸出級的DC/DC有哪些合適的方案呢?電解槽的規格各不相同,所需的電壓也不一樣。如果整流後的電壓比較高,需要一級DC/DC將電壓降下來,交錯式降壓電路是一個非常直接的選擇。有些用戶強調安全性,會需要隔離型的拓撲,這時會使用DAB。對於強調效率的應用場景,三電平也是一個很好的選擇。
1 交錯buck
該電路設計簡單,可以非常方便地從其他成熟平台轉化而來,大幅降低了開發成本,能夠快速推向市場。方便模組化擴展,無需隔離,紋波電流低,電解槽壽命更長。

圖4 交錯式Buck電路

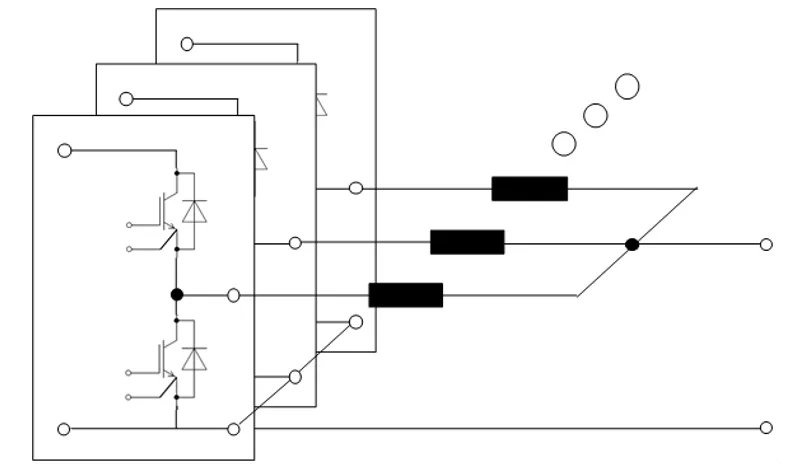
2 DAB(雙向有源橋)
DAB 的好處就是原邊和副邊的隔離,可以提升電解氫系統的安全性。透過變壓器以高效率實現大幅度降壓。如果採用高頻設計,變壓器和磁性元件會更小,成本也更低。

圖5 DAB拓撲

以上就是大致的制氫電源的主功率拓撲和元件的方案。英飛凌整體解決方案不僅包含功率元件,還有MCU、存儲晶片、IoT、電流採樣晶片、氣體檢測晶片、柵極驅動器以及輔助電源管理晶片等,如果有興趣的話可以打開英飛凌的網頁看看。

隨著器件的不斷推陳出新,以及新能源製氫的持續發展,不斷會有新方案湧現出來。英飛凌也將推出新的器件,助力電解氫應用的發展。
參考資料
1. 電能轉換技術在綠色氫氣生產中的重要性。最後更新時間:2024年5月。
https://www.infineon.com/dgdl/Infineon-The_importance_of_power_conversion_technologies_in_the_production_of_green_hydrogen-Whitepaper-v01_00-EN.pdf?fileId=8ac78c8c8eeb092c018f383f2d1630d5&da=t
2. Delta-Polygon 自動變壓器基於 24 脈衝整流器的切換模式電源,郝春玲*、陳曉強、邱浩。TELKOMNIKA, 第14卷, 第2期, 2016年6月, 頁431~439,ISSN: 1693-6930
掃描 QR Code,關注英飛凌工業半導體尋找更多應用程式或產品資訊
參考來源