高速吹風機變頻方案介紹
高速吹風機,特別是轉速突破10萬轉的產品,已成為消費電子和個人護理領域的新標竿。相比於傳統電吹風,高速吹風機的風量更大,能減少對頭髮的傷害,噪音更低,使用體驗也更佳。
針對高速吹風機市場,英飛凌推出16萬轉及以上無感FOC的高速吹風機解決方案。該方案採用PSOC™ 控制 C3,搭配英飛凌的CoolGaN™ 半橋集成功率級能夠實現高達100KHz的載頻控制,支援快速啟停,400毫秒內可達最大轉速。
方案特性
- PWM載波頻率和控制頻率高達100kHz
- 無感測器FOC演算法執行時間 <8μs
- 支援動態PWM載頻變換功能(5KHz至100KHz)
- 兼容7/5段SVPWM,減少PWM開關損耗
- 支援半週期PWM更新模式,提升位置估算精度和電流環響應時間
- 電機參數線上識別,控制參數自適應
- 極強的系統方案穩健性,馬達參數±80%誤差仍能保持正常運作
- 支持速度控制、恆功率控制以及恆轉矩控制
- 支援順風啟動,無抖動靜止閉環啟動,可靠性100%
- 偽差分ADC採樣,無需外部運算放大器和比較器,PCB佈線更簡潔,噪音抑制能力更強。
- 兼容單/腿/3電阻電流採樣模式
- 支援完整的馬達控制保護和IEC60730安全功能
- 電機控制解決方案已通過量產驗證
PSOC Control C3 產品介紹
PSOC Control C3 是英飛凌專門為電機控制和數位電源設計的 MCU,整合了專門針對電機應用優化的周邊設備,支援電機常見的各種控制方式。它具備適合無感 FOC 控制的相關周邊設備和特色亮點:
高效能可程式化模擬子系統

高性能可編程模擬子系統
- 12位元12Msps SAR ADC,支援16個類比通道進行平行閒置取樣
- 每個通道都配備獨立取樣保持器
- 每個通道可獨立配置增益(1、3、6、12)
- 所有通道都支援同步取樣模式
- 16個模擬通道可分配給8個獨立的群組,每個群組支持8路觸發來源
- 支持偽差分採樣模式
- 每個通道整合限幅檢測功能(協助過流/過壓保護,減少CPU介入)
- 支援ADC DMA和FIFO模式,減少CPU干預
- ADC 模擬輸出可直接接入 CSG 比較器進行保護
- 10位DAC為比較器的輸入提供參考電壓
- 提供多路觸發源輸出(用於關鍵周邊同步觸發)

單電阻偽差分ADC採樣結構圖
2. 彈性的TCPWM
面向不同PWM應用的彈性計數模式以及彈性的輸入輸出觸發信號。

TCPWM用於單電阻取樣
- 3個TCPWM計數器用於產生3對互補PWM信號。1個TCPWM計數器用作ADC觸發信號。電機運行時,所有4個TCPWM計數器同步。
- 溢出事件觸發FOC中斷,並在前半個PWM週期內執行。
- 所有的 GPIO 都可以作為 PWM 輸出腳位,讓 PCB 的佈局更加簡便。
- 從AD取樣到下一次PWM比較更新的時間間隔僅約為半個PWM週期,從而顯著提升電流環的頻寬和觀測器性能。
基於PSOC Control C3控制器的高速吹風機變頻方案
展示硬體
基於PSOC Control C3的高速吹風機Demo可以使用KIT_PSC3M5_CC2的MCU控制卡搭配高壓GaN驅動板的靈活方案。

基於PSoC Control C3 MCU控制卡和高壓GaN驅動板的展示
2. 系統架構

高速吹風機系統框圖
- ADC支援偽差分輸入取樣模式
- ADC通道支援同步取樣模式
- 內部CSG比較器的正相輸入信號來自ADC引腳,反相參考信號來自DAC。
- 反電勢相電壓僅用於高反電勢電壓電機
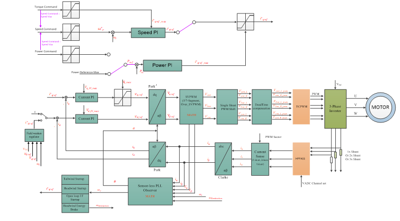
3. 無感FOC控制
支援三種控制模式:扭矩、功率和速度控制,具備順風、逆風以及靜態直接閉環啟動、死區補償等功能。

無感FOC控制框圖
4. FOC 執行時間
得益於以下特性,PSOC Control C3高速吹風機的無感測器FOC演算法執行時間 <8μs:
- 主頻180MHz
- 單精度浮點運算單元(FPU)和DSP
- 16KB的指令快取
- 基於Arm® v8-M架構的Arm®三級流水線(3PIP)
- 透過I-Cache的AHB(C-AHB)匯流排,無任何時間延遲

無感測器FOC演算法執行時間
5. 高速吹風機控制性能展示
吹風機啟動波形

50K轉/分鐘 ---> 120K轉/分鐘 ---> 50K轉/分鐘

12萬轉穩定運行時的相電流波形

直接閉環啟動的波形
測試結果:
- 加減速測試:50K轉/分鐘 → 120K轉/分鐘 → 50K轉/分鐘
- 穩定運行:12萬轉穩定運行時的相電流波形良好
- 啟動性能:直接閉環啟動非常平穩,沒有抖動,335毫秒達到滿速
結語
16萬轉的高速吹風機整體解決方案,採用基於32位元ARM Cortex-M33核心、180MHz主頻的PSOC Control C3,搭配英飛凌的CoolGaN™ Half-Bridge IPS,可實現100KHz開關頻率的單電阻FOC控制,支援快速加減速,具有損耗低、運行穩定、BOM成本低等特點。
對方案感興趣的朋友可以聯繫我們,獲取完整方案的硬體和軟體資料。
點擊這裡了解更多資訊。

掃描 QR Code,關注英飛凌官方微博尋找更多應用程式或產品資訊
評論