USB-PD充電協定,包含PD協定波形圖
1、USB Type-C簡介
Type-C是USB介面的一種形式,不分正反兩面均可插入,支援USB標準的充電、資料傳輸、視頻傳輸、音訊廣播、顯示輸出等功能。支持USB-PD後則可實現高達100W的電源供電。本文重點描述的USB-PD就是通過Type-C的“配置通道引腳CC”(圖 1)進行通訊的。


Type-C 介面及插座引腳功能定義
USB Type-C標準相對於舊標準的另一不同點是它引入了雙角色能力。每根USB Type-C電纜的兩端都是完全等同的,這就意味著連接起來的兩台設備必須相互進行溝通以確定自己應作為主機還是外設而存在。角色的溝通需針對資料和電源分別進行,此工作在電纜接通之後就要進行。用於資料通訊的主機埠被稱為下行埠 (Downstream Facing Port, DFP),外設埠被稱為上行埠 (Upstream Facing Port, UFP)。而電源方面,供電端被稱為源端 (Source),耗電端被稱為吸端 (Sink)。有的設備既可以有資料上的雙角色 (Dual Roles of Data, DRD) 能力,又具有電源上的雙角色 (Dual Roles of Power, DRP) 能力。CC線在兩台設備連接期間能起到定義電源角色的作用。
USB Type-C系統帶來的另一個好處是較高的供電能力。傳統的USB電纜只容許提供2.5W功率,USB Type-C電纜則容許提供高達5V/3A即15W的最大功率,如果採用了電源傳輸 (Power Deliver, PD) 協定,電壓電流指標就可以提升到20V/5A即100W的最大功率,這就容許通過USB埠為大型設備如監視器等設備供電,也容許對含有大型電池包的筆記型電腦等設備進行充電。新的USB PD 3.0協定還支援可程式設計電源 (Programmable Power Supply, PPS) 協定,容許對匯流排電壓和電流進行精確調節,而電壓則可以低於5V。利用這樣的協定,使用可調的匯流排電壓對電池進行直接充電的高效直充系統就成為可能,這時的匯流排電壓可以低達3V。標準的Type-C電纜額定的負載能力是3A,當更高的電流出現時,含有電子標籤的電纜就必須被使用了,其中的電子標籤可經CC線對電纜的能力進行標識。電子標籤需要的電源供應是5V的,可用CC線經由電纜的VCONN向其提供。
經由TX/RX線對提供的10Gbps高速通訊能力使得原來須由專用電纜提供的通訊如HDMI / DisplayPort/Thunderbolt等經由USB電纜進行傳輸成為了可能,4k的高清視訊訊號傳輸也完全沒有問題。使高清HDMI信號經由USB Type-C電纜傳輸的應用需要將電纜的資料線進行特殊的配置,這被稱為替換模式 (Alternate Mode)。
2、USB Type-C標準進行資料和電源配置的方法
未扭轉、未翻轉的直接連接
顯示的是電纜未扭轉、插座未翻轉時的連接狀態。從左側的插座到右側的插座,RX1線對連接到TX1線對,RX2線對連接到TX2線對;D+與D+連接,D-與D-連接,SBU1與SBU2連接,CC1經由CC線與CC1連接。
USB 3.1僅需使用兩對資料線,在此案中,高速資料經由RX1+/-和TX1+/-從一端傳遞到另一端。
電纜兩端的VCONN是不需要連通的。為電纜中電子標籤IC供電的VCONN來自電纜的一端,它在電子標籤晶片被確定存在於電纜中即被提供。
電纜扭轉以後的連接
在這種情形下,從左側的插座到右側的插座,RX1線對連接到TX2線對,RX2線對連接到TX1線對,D+仍然連接到D+,D-仍然連接到D-,SBU1連接到SBU1,SBU2連接到SBU2,CC1經由CC線連接到CC2。現在,高速資料經由左側的RX1+/-和TX1+/-到右側的RX2+/-和TX2+/-進行傳輸。
總共有4種可能的連接方式:插座翻轉或不翻轉,電纜扭轉或不扭轉。
在USB 3.1的系統中,RX/TX資料線需要使用多工器針對各種可能的電纜連線狀態對RX/TX線的連接狀態進行配置,使得正確的通訊連接能夠形成,下圖顯示了USB Type-C埠之間資料線的路由可能性。通過測量每個端子上CC1/2的狀態即可瞭解電纜和插座的方向,CC邏輯控制器可據此完成多工器的路由配置,此工作既可在多工器中完成,也可能在USB晶片組中進行。

3、電源傳輸
在不採用電源傳輸協定的USB Type-C介面中,電源從源端傳輸到吸端的方法如下圖所示。

USB Type-C的源端總是包含有一個用於接通/關斷VBUS的MOSFET開關,它也可能具有VBUS電流的檢測能力,其主要作用是對過流狀況進行檢測,另外還會含有VBUS的放電電路。CC1和CC2的檢測電路在源端和吸端都會存在。
CC (Channel Configuration) 線的作用是對兩個連接在一起的設備進行電源供應的配置。初始情況下,USB Type-C介面的VBUS上是沒有電源供應的,系統需要在電纜連線期間進行設備角色的定義,插座上的CC線被上拉至高電平的設備將被定義為電源供應者即源端,而被下拉至低電平的設備將被定義為電源消費者即吸端。

上圖顯示出了確定電源供求角色、電纜方向和電流供應能力的方法。源端的CC1和CC2通過電阻Rp被拉高,被監測著的CC1/CC2在沒有連接任何東西時總是處於高電平,一旦吸端接入,CC1或CC2的電壓就被電阻Rd拉低了。由於電纜中只有一條CC線,因而源端可以分辨出是哪個CC端被拉低了。吸端的CC1/CC2的電壓也同樣被監測著,一旦發現某條CC線被拉高了,其電壓水準就讓吸端知道源端電流供應能力。電路中的上拉電阻Rp也可以用電流源代替,這在積體電路中很容易實施,而且可以不受V+電源電壓誤差的影響。
吸端的下拉電阻Rd的定義值是5.1kΩ,因而CC線的電壓是由源端上拉電阻Rp的值(或電流源的電流值)決定的。已經定義的匯流排電流能力有3檔,最低的CC線電壓(大約0.41V)對應的是預設的USB電源規格(USB 2.0的500mA 或 USB 3.0的900mA),較高的CC線電壓(大約0.92V)對應的電流能力是1.5A。假如CC線電壓為大約1.68V,對應的最大電流供應能力為3A。相關資料可參照下圖。

下圖示範了一個測量案例,其中的電源供應端(源端)被連接到了電源消費端(吸端),使用了普通的USB Type-C電纜。
最初的時候,源端插座上的CC1和CC2都被電阻Rp上拉至高電平,吸端的CC1和CC2都被下拉電阻Rd下拉至低電平。
電纜接通以後,CC1或CC2根據電纜的插入方向而被上拉至較高電壓。本案中的電纜沒有處於扭轉狀態,源端的CC1和吸端的CC1之間被接通,CC1上出現由Rp和Rd分壓以後的電壓,此電壓將由吸端進行測量並由此知道源端的電流供應能力是多少。
在此案例中,接通以後的CC1的電壓大約是1.65V,意味著源端最大能供應3A電流。
CC線的連接被確定以後,VBUS上的5V電壓將被接通。
在不含電源傳輸協定的系統中,匯流排上的電流供應能力由分壓器Rp/Rd確定,但源端只會供應5V電壓。
引入電源傳輸 (Power Delivery, PD) 協定以後,USB Type-C系統的匯流排電壓可以增加到最高20V,源端和吸端之間關於匯流排電壓和電流的交流通過在CC線上傳輸串列的BMC編碼來完成。
包含PD協定的USB Type-C系統從源端到吸端的系統框圖如下圖所示

現在的源端內部包含了一個電壓轉換器,它是受源端PD控制器控制的。根據輸入電壓條件和最高匯流排電壓的需求,該電壓轉換器可以是Buck、Boost、Buck-Boost或反激式轉換器。經過CC線進行的PD通訊也在PD控制器的管控之下。USB PD系統還需要有一個開關可以將Vconn電源切換至一條CC線上。
當電纜的連接建立好以後,PD協定的SOP通訊就開始在CC線上進行以選擇電源傳輸的規格:吸端將詢問源端能夠提供的電源配置參數(不同的匯流排電壓和電流資料)。由於吸端對電源的需求常常是與吸端的系統有關的(例如電池充電器),吸端的嵌入式系統控制器就需要先與吸端的PD控制器進行通訊以確定相應的規格。
下圖示範的是吸端的PD控制器申請一個較高的匯流排電壓的例子。
吸端和源端之間在CC線上進行的通訊看起來像如下的樣子:
1. 吸端申請獲得源端的能力資料。
2. 源端提供它的能力資料資訊。
3. 吸端從源端提供的能力資料資訊中選出適當的電源配置參數並發出相應的請求。
4. 源端接受請求並將匯流排電壓修改成相應的參數。在匯流排電壓變化期間,吸端的電流消耗會保持盡可能地小。源端提升匯流排電壓的過程是按照定義好的電壓提升速度來進行的。
5. 匯流排電壓達到最後的數值以後,源端會等待匯流排電壓穩定下來,再發送出一個電源準備好信號。到了這時候,吸端就可以增加其電流消耗了。當吸端希望匯流排電壓降低的時候,同樣的通訊過程也會發生。
在匯流排電壓下降期間,源端會啟動一個分流電路,通過主動的匯流排放電使匯流排電壓快速降低。達到額定值以後,源端會等待一段稍長的時間讓匯流排電壓穩定下來,然後再送出一個電源準備好信號。
這樣的通訊方法可確保匯流排上的任何電源變化都落在源端和吸端的能力範圍內,避免出現不可控的狀況。當Type-C電纜的連接被斷開時,匯流排上的電源也被關斷,任何新開始的連接都會進行電纜連線檢測,電壓也總是處於5V,這樣就可以避免在電纜接通時有高電壓從一台設備進入另一台設備 。
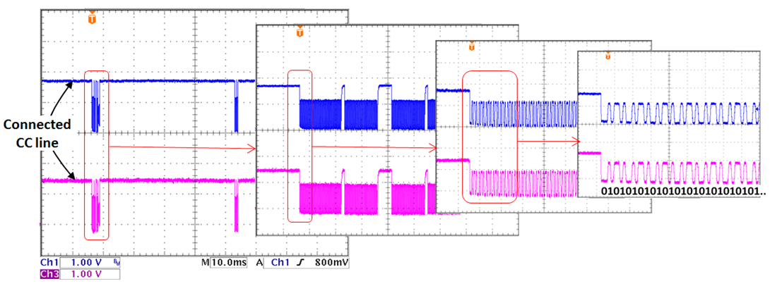
USB PD通訊使用的是雙相標記碼 (Bi-phase Mark Code, BMC),此碼是一種單線通信編碼,資料1的傳輸需要有一次高/低電平之間的切換過程,資料0的傳輸則是固定的高電平或低電平。每個資料包都含有0/1交替的前置碼、報文起始碼 (Start of Packet, SOP)、報文頭、資訊資料位元組、CRC迴圈冗餘編碼和報文結束碼 (End of Packet, EOC),參見下圖:

下圖展示的是一次要求匯流排電壓升高的PD通訊的波形從密集至展開的樣子,從最後展開的波形中可以看出前置碼的序列。

BMC通訊資料可以用USB PD解碼器進行解碼,Ellisys的EX350分析儀就是這樣的設備。有了這種工具以後,PD通訊的資料就可以被捕獲下來並顯示出每個資料包的意義,其中含有與時間相關的資料如匯流排電壓值、CC線上的波形等,參見下圖
4、電源配置清單
USB PD 3.0規範定義了下列電源配置清單:

有4個獨立的電壓值是預先定義好的:5V、9V、15V和20V。對於5V、9V和15V來說,最大的電流為3A。在20V的配置中,如果電纜是普通的,最大容許的輸出是20V/3A即60W。假如使用了特別定制的含電子標籤電纜,相應的資料可以放大到20V/5A即100W。一個系統在支援最高的電壓和功率等級的情況下還必須同時支援所有的較低的電壓和功率等級。
5、含有電子標籤的電纜
USB Type-C規範定義了各種不同規格的電纜。低速的USB 2.0電纜沒有特別的要求,只是要求其電流承載能力要達到3A。支持超速資料傳輸的USB 3.1電纜或是電流承載能力超過3A的電纜必須使用電子標籤進行標識。圖22所示的電纜中含有IC,其作用就是對電纜特性進行標識。這種具有活力的電纜也可以包含用於信號整形的IC,它們都需要從電纜的VCONN端子獲得電源供應。

含有電子標籤IC的電纜中的Vconn上都含有1kΩ的下拉電阻Ra,其值要小於典型值為5.1kΩ的電阻Rd。這樣的電纜在插入時,源端都會看到CC1和CC2電壓下降的情況,具體的電壓水準將告訴主機哪個端子被吸端的5.1kΩ電阻下拉了、哪個端子被電纜的1kΩ電阻下拉了,因而電纜的插入方向就可以被確定下來。Ra的下拉作用也能讓源端知道VCONN需要得到5V的電源供應,因而需要向CC端供電以滿足電子標籤的電源需求。
下圖顯示了一個測試案例,電源供應端(源端)被使用了電子標籤的電纜連線到電源消耗端(吸端),其中的電纜是處於扭轉的狀態 。從中可以看到,當電纜接通以後,源端的一條CC線被來自VCONN端的1kΩ低電阻拉到了很低的電壓。
源端將檢測到此電壓,並由此知道電纜中含有電子標籤,於是就會將5V的VCONN電源接入CC線以實現對電纜內部電路的供電。
在其後發生的PD通訊中將會包含源端和電子標籤之間的通訊(稱為SOP’或SOP”)以及源端和吸端之間的通訊(稱為SOP)。

6、電源的雙重角色
有的USB Type-C設備既可做源端,又可做吸端,它們被稱為支援雙重角色的設備 (Dual Role for Power, DRP)。這種設備的CC1和CC2端在互連以前處於高低電平交替變換的狀態,一旦連接發生,兩者的CC端都會發生改變,如下圖所示。
在這次連接事件中,左邊的DRP設備選擇做了源端,右邊的DRP設備選擇做了吸端。這個情形也可能反轉過來,除非一台DRP設備已經被設定為源端優先(例如它由外部電源適配器供電時),或是被設定為吸端優先(例如處於由電池供電的情形)。
電源角色的轉換在連接期間也是可以發生的,只要連接在一起的兩台DRP設備中有一台設備發起了角色變換的要求就行,下圖顯示了這樣的角色變換的過程。

參考來源