杰發科技首款功能安全MCU晶片AC7840x已經順利量產一年多,考量到客戶端對多電機應用的強烈需求,杰發科技在已經成熟的AC7840x雙電機板基礎上,為電機客戶設計並提供了三電機控制應用解決方案。日前,AC7840x三電機控制方案已開發調試完成,每個電機可獨立控制,且均支援有感FOC和無感FOC演算法的正常運行。
三電機應用方案簡介
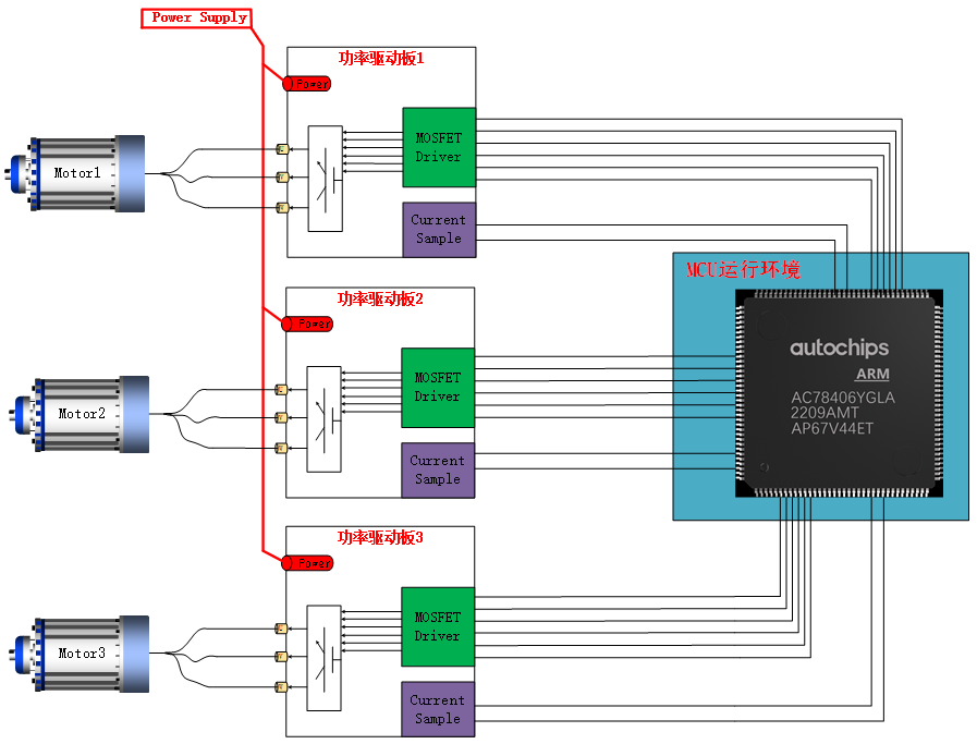
三電機控制應用方案的硬體拓撲結構如圖1所示。功率驅動板主要由MOSFET驅動和相電流採樣等模組構成。每塊功率驅動板接收MCU輸入的發波調制驅動信號,並調理電機相電流採樣信號回饋給MCU,與電機和共享MCU構成完整的控制迴路。預驅、MOSFET和MCU為獨立式分布,增強了硬體環境配置的靈活性。使用者亦可根據應用需求提高三電機控制方案的整合度,將三電機驅動的所有硬體單元整合於一塊電路板。

圖1:三電機應用方案結構示意圖
三電機應用方案實現
AC7840x 是一款單核 MCU,最高主頻為 120MHz。每個電機在執行 FOC 演算法時,都需要高頻率觸發 ADC 取樣,並在取樣中斷任務 Isr 中完成相應的 FOC 演算法運算。為了滿足同時運行三個電機 FOC 演算法的需求,需要設計合理的三電機應用方案 MCU 時序,對單核 MCU 進行分時複用,為三個電機的演算法運行分配時間,避免各電機演算法運行時相互衝突,同時優化各電機演算法的運行時間,確保電機演算法能在分配的時間內完成。三電機控制應用方案根據設計時序依次觸發三個電機的 ADC 取樣,並在中斷 Isr 中完成 FOC 演算法後,將 MCU 釋放給下一個電機演算法使用。MCU 運行時序圖如圖 2 所示。

圖2:三馬達應用方案運行時序圖
在三電機應用方案中,使用者可以靈活選擇進行配置。杰發科技的算法庫(Lib)支援運行有感霍爾FOC和滑模觀測器、磁鏈觀測器、模型參考自適應等無感FOC算法。以磁鏈觀測器無感FOC算法,相電流雙電阻取樣為例,算法運行載頻為6KHz,每個電機算法執行時間約為30微秒,ADC中斷負載率為55%。三電機應用方案採用單核AC7840x同時控制三台無刷電機,可取代多顆M0核低端MCU,透過更高的主頻和整合度,讓使用者事半功倍,輕鬆應對多電機控制的應用場景。
參考來源
評論
dadatong_202022
5 個月前