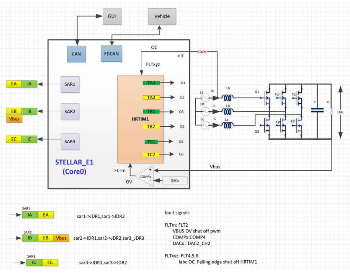
ST Stellar-E1 應用於22KW OBC的三相圖騰柱PFC資源配置:
將交流輸入的三相定子電壓Va, Vb, Vc透過Clark轉換成α、β軸中,此方式稱為正弦脈波寬度調變(SPWM)。
為了獲得空間矢量脈寬調製(SVPWM)的調製波形,即通過注入諧波的正弦脈寬調製(SPWM)來實現 SVPWM 的調製。
將定子電壓向量的方向與電機磁通向量對齊,實現對磁通(d 軸分量)和轉矩(q 軸分量)的獨立控制,此就為空間向量脈波寬度調變(SVPWM)的調變波形。
之後再將d q軸反向Park轉換成α、β軸後,再將α、β軸透過Clark反向轉換成三相電壓Va, Vb, Vc,既可得到一類似的交流波型。

電壓定向矢量控制策略方塊圖 (Voltage-oriented Vector Control Diagram Block):


評論