新品
6EDL04x065xR和6EDL04N03PR
系列三相柵極驅動器
650V和300V三相柵極驅動器,帶過電流保護(OCP)、使能(EN)、故障檢測和集成自舉二極體(BSD)
產品型號:
■ 6EDL04I065NR
■ 6EDL04I065PR
■ 6EDL04N065PR
■ 6EDL04N03PR
產品特點
- 英飛凌薄膜-SOI技術
- 最大阻斷電壓+650V
- 輸出源/吸收電流+0.165A/-0.375A
- 集成超快、低RDS(on)自舉二極體
- SOI技術使橋輸出對高達-50V的瞬態負電壓不敏感
- 六個驅動器均有獨立的控制電路
- 過流和欠壓檢測
- 過電流檢測後故障清除延遲可由外部編程
- 出錯時"關閉"所有開關CMOS和LSTTL兼容輸入(負邏輯)
- 每相信號互鎖,防止交叉導通
應用價值
- 更小的占板面積
- 更高的效率
- 提高可靠性
- 易於設計
競爭優勢
- 集成自舉二極體
- 節省空間
- 降低BOM成本
- 針對VS引腳上的負瞬態電壓,具有出色的堅固性和抗噪能力
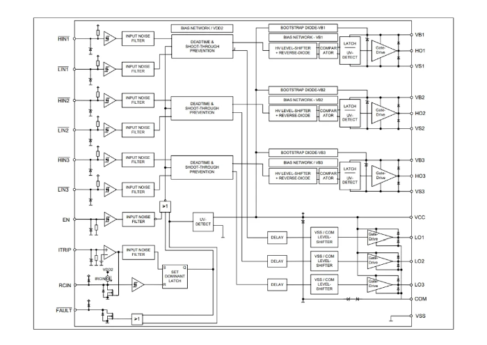
框圖

應用領域
- 洗碗機
- 冰箱
- 洗衣機
- 水泵
- 風機
- 熱泵
- 縫紉機
掃描二維碼,關注英飛凌工業半導體尋找更多應用或產品信息
評論