摘要
如今,Class D功率放大器在音頻系統中被廣泛使用。然而,在放大器啟動或關閉時,以及在靜音/取消靜音切換期間,揚聲器中經常會出現爆裂聲或點擊聲。這些噪音可能會被聽到,並使用戶感到不適。在音頻系統中靜音功率放大器是避免在啟動或關閉期間出現爆裂聲的有效方法。此外,音頻系統有時播放音樂,有時停止播放,這需要頻繁地靜音或取消靜音放大器。因此,爆裂聲是頻繁靜音和取消靜音控制的關鍵問題。本文討論了靜音/取消靜音過渡期間爆裂聲的發生原因,並設計了相應的方法來抑制這些噪音。
簡介
高效率和小尺寸的特點使Class D功率放大器非常適合用於高功率音頻系統。圖1是使用Class D功率放大器的典型音頻系統。音頻處理器將音頻信號傳送到功率放大器,同時它還可以控制功率放大器的啟動和關閉。
圖1:Class D功率放大器系統
Class D功率放大器輸出與輸入音頻信號相對應的脈衝,A點和B點的脈衝由半橋開關產生。低通濾波器由電感和電容組成,為從這些高頻脈衝中解調出的音頻信號提供路徑,解調後的音頻信號通過揚聲器,將電能轉換為聲能,然後被人的耳朵聽到。如果用戶在開始播放音樂或計劃停止音樂時總是聽到爆裂聲或點擊聲,這將是非常糟糕的體驗。
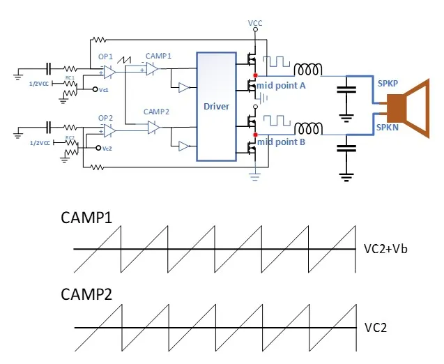
圖2:Class D功率放大器原理圖
圖2是典型的Class D功率放大器原理圖。OP1、CAMP1、驅動器和功率級A構成單端功率放大器A,同樣,OP2、CAMP2、驅動器和功率級B構成另一個單端功率放大器B,揚聲器連接在功率放大器單端A和單端B之間。OP1和OP2根據輸入和反饋生成相應的誤差信號,誤差信號與比較器中的鋸齒波進行比較,並觸發輸出響應寬度脈衝,鋸齒波以固定的載波頻率運行,在每個載波周期內,脈衝的占空比與誤差信號的幅度成正比,以上過程稱為小信號調製。調製脈衝是進入驅動器設備的源邏輯信號,驅動器根據輸入邏輯脈衝打開/關閉輸出功率級,以完成功率放大器的功率調製。低通濾波器從功率脈衝中解調音頻信號,音頻信號施加在SPKP和SPKN上。功率放大器可以通過靜音禁用調製器和輸出開關級,這意味著在靜音階段不會有任何瞬態階躍信號施加在揚聲器上,當然也不會有爆裂噪聲。在音頻系統開機或關機期間,所有電源軌都是不穩定的,讓功率放大器在音頻系統開機或關機前保持靜音是避免更大爆裂噪聲的必要措施。在電源軌供電穩定後,音頻系統將讓功率放大器從靜音變為取消靜音並準備播放音樂,不幸的是,如果功率放大器沒有設計抑制方法,用戶在那時仍會聽到爆裂聲或點擊聲。
預補償方法
本章分析靜音爆裂噪聲的根本原因,然後演示如何使用預補償方法來解決這個問題。
圖3:理想條件下波形圖
在音頻系統開機並完成初始設置後,功率放大器的調製器和功率級應啟用工作,我們稱這個過程為取消靜音。圖3是顯示取消靜音過程的波形圖,假設所有條件都是理想的。根據波形圖,我們可以得出以下方程
OP1=OP2
CAMP1=CAMP2
Mid point A=Mid point B
SPKP=SPKN=1/2VCC
因此,揚聲器端子SPKP和SPKN之間的電壓水平相同,沒有電壓偏差導致電流流入揚聲器的線圈,當然也不會有點擊或爆裂噪聲。現在我們來看實際的模擬電路:元件的公差、參考點的位置不同、驅動器的時間方案差異、PCB走線因素等。所有這些差異導致A點的PWM與B點的PWM不匹配,即使在相同的初始條件下啟動也是如此。圖4是功率放大器從靜音到取消靜音時的實際波形。調製器開始工作並將占空比從小調節到50%,這是功率放大器在啟動階段的循環階段,PWM的目標是在功率放大器環路穩定後保持輸出平均水平等於1/2VCC。
圖4:實際波形
SPKP和SPKN是低通濾波器後的電壓水平。由於A點的輸出脈衝與B點的輸出脈衝不匹配,SPKP將不等於SPKN,這會在揚聲器端子之間產生容差電壓,並驅動電流流入線圈,從而產生點擊聲或爆裂聲。偏置電壓幅度在環路穩定後將保持一定值,我們稱這個偏移值為功率放大器的直流偏置電壓,“SPKN-SPKP”的波形顯示了詳細結果。直流偏置電壓會在揚聲器上造成功率損耗,當功率放大器靜音時也會產生點擊聲或爆裂聲,因為揚聲器端子之間的偏置電壓在從取消靜音到靜音時會從直流偏置電壓變為0,這種過渡會使電流流入揚聲器線圈,較大的直流偏置電壓在靜音時會導致更大的爆裂噪聲。圖5總結了揚聲器在不同播放控制階段的偏置電壓。Vb是稱為直流偏置電壓的偏移電壓。
圖5:應用於揚聲器的偏置電壓
預補償旨在減少輸出脈衝的不匹配並降低施加在揚聲器上的偏置電壓水平,最終減少從靜音到取消靜音或從取消靜音到靜音時的爆裂噪聲。從圖4中我們知道,功率放大器在5-6個周期調節後最終輸出50%占空比的脈衝,此外,功率放大器的開關頻率超過300kHz,而人類的聽覺範圍是20Hz-20kHz,因此由50%占空比脈衝產生的直流偏置電壓Vb是導致爆裂噪聲的主要能量源,SPKN-SPKP從0到Vb的躍變是點擊聲的根本原因。減少Vb將抑制爆裂噪聲。Vb是在穩定調製階段的固定值,它是單端A和單端B之間的不平衡,因此Vb是調製器的校正參數。
圖6:預補償原理圖和波形圖
圖6預補償原理圖中,微調電阻Rc1和Rc2用於預補償,微調電阻調整比較器上的直流電平並減少單端A和單端B之間的調製不匹配。以下方程解釋了預補償的工作原理。
1) Vc1=Vc2, SPKN - SPKP=Vb
方程1顯示了沒有預補償的功率放大器。調整Rc1和Rc2的值使以下方程成立。
2) Vc1 - Vc2=Vb
然後
3) SPKP = SPKN
在預補償之前,Vb可能為正或負。例如,SPKN>SPKP,那麼需要調整Vc1>Vc2直到減去Vb的值。
實驗


圖7:爆裂噪聲測試平台
圖7中該平台用於爆裂噪聲評估,V-Meter可以測量直流偏置電壓,Sound meter可以測量來自揚聲器的爆裂噪聲的聲壓。靜音按鈕用於將功率放大器從靜音切換到取消靜音或從取消靜音切換到靜音,Sound meter的麥克風傳感器與揚聲器在同一條線上,Sound meter將測量揚聲器的聲壓級。該平台設置在靜音室中,然後分別進行有預補償和無預補償的測試,數據列在以下表格中。
Non-Pre-compensation (Mute Room SPL=20dB)
With Pre-compensation (Mute Room SPL=20dB)
測試結果表明,預補償可以減少直流偏置電壓,同時預補償方法可以在靜音到取消靜音的過渡過程中抑制爆裂噪聲。
參考文獻
-
Glen M. Ballou Editor. Handbook for Sound Engineers
-
Bob Metzler. Audio Measurement Handbook
-
Jun Honda, IRS2093M Functional Description
-
Jun Honda & Jonathan Adams, Class D Audio Amplifier Basics
-
Walt Jung/ADI, Op Amp Applications Handbook
想尋找更多應用或產品信息?
想聯繫我們購買產品?
歡迎掃描二維碼並填寫表單,
我們將後續跟進。

評論