功率半導體熱設計是實現IGBT、碳化矽SiC高功率密度的基礎,只有掌握功率半導體的熱設計基礎知識,才能完成精確熱設計,提高功率器件的利用率,降低系統成本,並保證系統的可靠性。
功率器件熱設計基礎系列文章會聯繫實際,比較系統地講解熱設計基礎知識,相關標準和工程測量方法。
功率半導體模塊殼溫和散熱器溫度
功率模塊的散熱通路由晶片、DCB、銅基板、散熱器和焊接層、導熱脂層串聯構成的。各層都有相應的熱阻,這些熱阻是串聯的,總熱阻等於各熱阻之和,這是因為熱量在傳遞過程中,需要依次克服每一個熱阻,所以總熱阻就是各熱阻的累積。
各晶片在導熱通路上有多個導熱層,在IEC 60747-15 Discrete semiconductor devices–15_Isolated power semiconductor devices按照設計的具體需要定義了殼溫Tc和散熱器溫度Th,以及測試方法。
在損耗和熱仿真時,基本的仿真總是針對單個IGBT或單個二極體,所以需要知道的殼溫是指晶片正下方的溫度,散熱器溫度也是指晶片正下方的溫度。英飛凌數據手冊就是這樣定義的。
按照IEC 60747-15,具體測試方法為:
Tc:殼溫是通過功率開關(晶片)下面穿透散熱器以及熱界面材料的小孔測量到的管殼溫度Tc。
Ts(Th):散熱器溫度是通過止於散熱器表面下方2mm±1mm(型式試驗特徵,應予規定)的規定的盲孔測量。
Tsx:散熱器溫度也可以取自距功率開關(晶片)最近的最熱可觸及點,但這殼溫與英飛凌數據手冊上的定義和測量方法不一致,這樣的管殼溫度可以作為設計也測量參考,需要的化,可以通過測量定標,建立與結溫的函數關係。

為了測量Tc打了穿透散熱器以及熱界面材料的小孔,插入傳感器會影響模塊殼到散熱器的熱傳遞,好在有基板的模塊,熱會在基板上橫向傳導擴散,孔和探頭對測量誤差可以控制在5%水平。
註:在IEC 60747-15中的Rth(j-s),Rth(c-s)與本文中Rthjh和RthCH一致。
對於沒有基板的模塊,如英飛凌的Easy系列,DCB下表面的銅層很薄,熱的橫向傳導非常有限,熱傳遞的有效面積與晶片尺寸相當,打孔測殼溫對模塊散熱影響就比較大,測量改變了工況,這樣的測量不宜提倡。
因此,對於這種沒有基板的模塊,熱阻抗的參考溫度為Ts(Th)而不再用TC,就是說直接定義RthJH,在數據手冊里找不到RthJC和RthCH。
模塊殼溫的工程測量方法:
在晶片底部測殼溫是型式試驗方法,用於功率平台開發,而實際應用中,功率模塊會自帶NTC,負溫度係數熱敏電阻作為測溫元件。
NTC安裝在矽晶片的附近,以得到一個比較緊密的熱耦合。根據模塊的不同,NTC或者與矽晶片安裝在同一塊DCB上,或者安裝在單獨的基片上。
NTC測量值不是數據手冊中定義熱阻的殼溫,需要按照經驗進行修正,或進行散熱定標。
熱量可能傳導路徑的等效熱路:
經驗法:
NTC可用於穩態過熱保護,其時間常數大約是2秒。在數據手冊上的瞬態熱阻曲線上可以讀到晶片的熱時間常數,0.2秒左右,但是整個散熱系統的時間常數卻非常大,譬如在20秒左右,因此NTC可以檢測較緩慢溫度變化和緩慢過載情況,對短時結溫過熱保護是無能為力的,更不能用於短路保護。
我們可以有兩個簡單的說法:
1.由於連接晶片結到NTC的路徑RthJNTC上有溫度差,熱敏電阻NTC的溫度TNTC會比結溫TJ來得低。
2.但NTC的溫度會比散熱器上測量的溫度來得高。由經驗可知,對於電力電子設備,散熱器的溫度和NTC的溫度的差值約等於10K的溫度左右。
這方法僅用於估算,建議用下面的定標法和熱仿真得到更精確的數值。
定標法:
對於結構設計完成的功率系統,我們可以測得晶片表面溫度和在特定的散熱條件下的Tvj~TNTC曲線,這曲線可以很好幫助你利用NTC在穩態條件下來監測晶片溫度。具體方法參考《論文|如何通過IGBT模塊內置的NTC電阻測量晶片結溫》。
下圖就是摘自上述微信文章,被測器件是PrimePACK™模塊FF1000R17IE4 1000A/1700V,採用可調風速的風冷散熱器。
晶片的溫度用紅外熱成像儀測量,數據手冊所定義的殼溫用熱電偶在晶片下方測量。NTC電阻值通過數據採集器記錄,並且根據IGBT模塊數據手冊中的NTC阻值-溫度曲線將電阻值轉換成對應的溫度值。
單管管腳溫度測量:
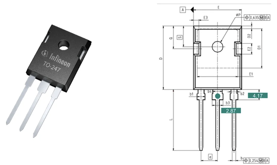
功率半導體單管,例如TO-247-3封裝,其中心管腳是框架的一部分,在系統設計中往往測中心管腳溫度作為殼溫的參考,為此JEDEC即固態技術協會在1973年就發布了一份出版物《測量電晶體引線溫度的推薦做法》,目前有效版本是2004年的JEP84A 。
JEP84A推薦做法包括:
1.建議的引線溫度測量點為距離外殼1.5毫米處或製造商指定的位置,如圖綠點位置;
2.熱電偶測量時,必須注意熱電偶與引線表面的牢固接觸,建議採用焊接方式;
3.熱電偶球的橫截面積不得大於引線橫截面積的二分之一,由於圖示封裝b3=2.87mm,所以熱電偶不要超過1.4mm。
掃描二維碼,關注英飛凌工業半導體尋找更多應用或產品信息

評論