新品
符合AQG324標準的車載充電用
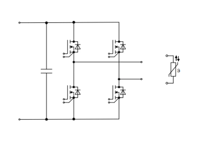
CoolMOS™ CFD7A 650V
EasyPACK™模塊
符合AQG324標準的EasyPACK™採用了最新的CoolMOS™ CFD7A 650V晶片和一個集成的直流緩衝器Snubber電路。完美的性價比組合,適用於車載充電器和電動汽車輔助系統應用。
產品型號:
■ F4-35MR07W1D7S8_B11/A
產品特點
- 高度可靠的壓接式針腳
- 預塗熱界面材料(可選)
- 可實現緊湊系統設計
- 可集成SMD
應用價值
- 引腳-PCB連接非常良好
- 更好的熱性能
- 減少裝配工作量
- 設計自由度更高
- 減少器件並聯
競爭優勢
- 可進行靈活的引腳設計
- 降低系統成本
- 可實現緊湊系統設計
應用領域
電動汽車車載充電OBC
框圖

掃描下方二維碼,即可查看產品詳細資料

掃描二維碼,關注英飛凌工業半導體尋找更多應用或產品信息
評論