隨著開關電源的廣泛應用,開關電源的整流和濾波過程會產生大量的高次諧波,導致電流波形嚴重畸變,進而引起電磁干擾(EMI)和電磁兼容(EMC)問題。因此,功率因素校正(PFC)技術應運而生。
PFC技術旨在校正電流波形,使其與電壓波形保持同相,從而提高功率因子和減少諧波干擾。另一方面,電源供應器通常需要通過CISPR32或是EN55032的標準。這些標準的主要目的是確保信息技術設備在運行過程中不會對其他設備造成有害干擾,同時也能抵抗外界的電磁干擾。CISPR32/EN55032測試項目分成兩類,傳導干擾以及輻射干擾。
此外,根據產品使用環境的類型將標準分為兩類,主要用於住宅環境的任何設備都必須符合B類限制;所有其他設備必須符合A類限制。圖1為傳導干擾限值曲線。

圖1.CISPR32/EB55032傳導干擾限值曲線
早期PFC技術主要使用橋式整流器加上升壓型PFC轉換器(Boost PFC Converter)。由於橋式整流器的存在,在轉換器工作時始終有兩個二極體同時導通。在高功率應用中,這個固定損耗由於電流提升而增加,影響了效率的近一步提升。
現今電源供應器市場為因應全球減碳活動,已經將效能目標設定為更高效率、減少損失、節省能源、降低成本、提高系統容量為主。圖騰柱PFC由於其結構簡單且元器件數量少,可以在較小的體積內提供更高的功率密度。同時,寬能隙半導體材料如氮化鎵(GaN)和碳化矽(SiC)開始導入設計,這些材料具有更低的導通電阻和更快的開關速度,進一步提高了效率和功率密度。因此,圖騰柱PFC被廣泛應用於各種高效能和高功率密度的電源系統中,如服務器電源、5G通信電源、電動車充電器以及工業電源。
圖騰柱PFC由兩個半橋開關構成,其中一個半橋作為整流橋,負責電容負端至輸入端地回流路徑,使用普通低RDS(ON)的MOSFET即可。另一組半橋負責Boost converter 的充放電切換,可以由SiC/GaN FET 等反向恢復時間短的功率晶體組成。
如圖2所示,電路的工作原理主要分為正半周和負半周兩個部分。正半周(VAC > 0):當Q1導通時,電感電流上升,電感進行儲能。接著Q1斷開,電感開始釋放能量,電感電流下降。此時,Q2的體二極體在死區時間內順嚮導通,接著,Q2導通,減少體二極體造成的功率損耗。正半周時,SD2為常開狀態,SD1為常閉狀態。負半周(VAC < 0):當Q2導通時,電感電流上升,電感進行儲能。接著Q2斷開,電感開始釋放能量,電感電流下降。此時,Q1的體二極體在死區時間內順嚮導通,接著,Q1導通,減少體二極體造成的功率損耗。正半周時,SD1為常開狀態,SD2為常閉狀態。

圖2.圖騰柱PFC工作原理
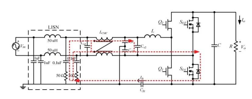
然而,圖騰柱PFC在提高效率和功率密度的同時,也面臨著電磁干擾(EMI)問題。其中,共模噪聲是該拓樸的主要干擾源。通常是由功率組件的高速切換產生的高頻噪聲,這種噪聲可以透過寄生電容耦合到框架接地(frame ground, FG),從而產生共模噪聲。
如圖3所示,Q1的高頻開通和關斷動作產生高壓變化dv/dt,成為噪聲源。噪聲電流流經寄生電容Cp,然後流過LISN。為了降低噪聲電流流過LISN, 可在FG與PFC輸出電容的接地端(GND)加入電容器Cfg,該電容可視為Y電容器,為開關噪聲提供低阻抗。

圖3.高頻開關切換造成的噪聲源及其傳導路徑
另一方面,如文獻所述[1], 在圖騰柱PFC電路中,一個典型的控制問題是AC電壓過零點切換。當AC電壓處在正半周期時,且接近AC過零點時,Q1為主開關,由於輸入電壓很小,所以其占空比會達到接近100%(Q2占空比接近0),而SD1在此半周期一直導通。
當AC電壓過渡到負半周期時,Q2為主開關,由於輸入電壓很小,所以其占空比接近為100%(Q1占空比接近0),此階段SD2會由關斷變為導通,則當Q2一導通時,SD1的寄生輸出電容Coss會很快放電,除了產生反向電感電流尖峰,由於劇烈的高壓變化dv/dt而產生了共模噪聲。圖4(a)展示了過零點的共模噪聲的傳導路徑。SD1兩端電壓作為噪聲源,是一個方波且幅度為輸出電壓同時與AC輸入電壓頻率相同。
圖4.零交越點產生的噪聲源及其傳導路徑
為了解決傳統MOSFET開關的反向恢復性能較慢,通常在圖騰柱PFC的設計上,會選用寬能隙功率晶體。安森美(onsemi)在寬能隙功率晶體(iGaN)上,將多種電力電子器件整合到一個氮化鎵晶片上,以實現集成650V氮化鎵FET和氮化鎵驅動器於單晶片中。
集成化的關鍵是能減小延遲和消除寄生電感,大幅降低與開關頻率相關的損耗。如前所述,為了降低圖騰柱PFC的共模噪聲,首先可以針對高頻切換的所產生的噪聲做調整。安森美的iGaN可以針對導通時的dv/dt斜率做調整。圖6(a)為NCP58922周邊線路,透過調整串聯於VDR的Ron電阻,可以改變NCP58922導通時的dv/dt斜率,同時降低共模噪聲。

圖5. iGaN可透過Ron來調整導通時dv/dt的斜率
另一方面,為了改善零交越點所產生的共模噪聲,在慢速臂的晶體並聯電容器C3和C4(如圖7),可以降低電壓變化dv/dt從而抑制共模噪聲[2]。添加電容器後過零點附近的噪聲源,不僅通過電容Cfg,也通過電容C3、4。由於Cfg的容值遠低於C3, C4,因此流經Cfg的噪聲電流較小。

圖6.在慢速臂的晶體並聯電容器C3和C4
除此之外,另一種降低慢速臂在AC零交越點時dv/dt斜率,是透過緩啟動的方式,慢慢增加快速臂的占空比。圖8為安森美的圖騰柱PFC控制器(NCP1680, NCP1681)針對零交越點的控制機制(open loop pulses)[3]。當AC通過零交越點後,從較小的占空比開始轉換SD1上Vds跨壓。接著,逐漸增加占空比的時間,使Vds從400V降至0V,同時完成慢速臂的換相控制。NCP1680以及NCP1681提供設計者4種open loop pulses的選擇,可根據慢速臂的輸出電容(Coss)參數或是PFC電感量來選擇適合的open loop pulses。


圖7.NCP1680/1的零交越點的控制機制(open loop pulses)
安森美提供了一個500W高效率和高功率密的適配器方案(EVBUM2875)。如圖8所示,該方案使用 圖騰柱PFC控制器(NCP1681)和LLC控制器(NCP13994)完成遊戲筆記本電腦適配器方案,同時搭配iGaN (NCP58921)將適配器的整體尺寸縮小到183mm*93mm*30mm,功率密度提升至16W/inch^3。

圖8.500W遊戲適配器方案
此外,該方案使用前面所提供EMI的對策,(1)在FG到PFC bulk 接地端之間加入Y電容(Cfg), (2) 調整iGaN的導通電阻(3) 並聯電容於慢速臂(C3, C4), (4) 選擇合適的open loop pulses來降低零交越點的電壓斜率。圖9為Conducted EMI的測試結果,可滿足CLASS B的規格。
評論