電隔離式(GI)柵極驅動器在優化碳化矽(SiC)MOSFET性能方面扮演著至關重要的角色,特別是在應對電氣化系統日益增長的需求時。隨著全球對電力在工業、交通和消費產品中依賴性的加深,SiC技術憑藉其提升效率和縮小系統體積的能力脫穎而出。本文為第一篇,將分享MOSFET、柵極驅動器及電隔離柵極驅動器的基礎知識,還將介紹電隔離柵極驅動器選型指南。
隨著我們的世界日益電氣化,用於運行各類設備和系統的電力需求持續增長。例如,在汽車行業中,我們可以看到越來越多的電氣系統被嵌入到汽車中,以確保安全並為用戶提供便利。從完全或部分(混合)依賴內燃機汽車到純電動汽車,甚至燃料電池汽車的廣泛過渡,進一步放大了這一趨勢。
為了滿足越來越多的設備供電需求以及提供更大的總體電力,電氣系統正朝著更高的工作電壓和頻率方向發展。這一轉變旨在提升效率、加快充電速度,同時最大限度地減少導體和其他系統元器件的尺寸和重量。
這一轉變的許多方面可以通過採用SiC器件得以更好的實現,與傳統的矽(Si)器件相比,SiC器件更能承受更高的功率和溫度。
然而,SiC MOSFET 在沒有柵極驅動器的情況下無法正常工作。因此,將每個功率開關(GaN、MOSFET 和 IGBT)與電隔離式柵極驅動器配合使用會更為有效。電隔離式柵極驅動器具有對優化 SiC MOSFET 器件性能至關重要的特性。在優化性能方面,電隔離式柵極驅動器有助於通過高效開關減少能量損耗。安森美(onsemi)的最新器件通過內置的負偏置減少了外部元件,從而節省了成本。
了解柵極驅動器
柵極驅動器是一種功率放大器,它接收來自控制器IC的低功率輸入信號,並生成適用於功率開關器件(如MOSFET或IGBT)的適當的大電流柵極驅動信號。
SiC 和 Si 功率 MOSFET是電壓控制器件,在電源電路、電機驅動等系統中用作開關元件。柵極是一個由柵極電容構成的電隔離控制端子,每次MOSFET導通或關斷時,該電容必須充放電。而且,這個柵極電容不能瞬間改變其電壓,從而導致開關損耗。MOSFET的其他兩個端子分別是源極和漏極。
柵極驅動:SiC導通
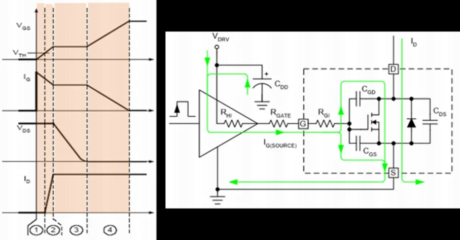
一般來說,SiC器件的導通過程可以分解為以下四個不同的時間狀態,如下面圖1所示:
-
時間狀態1:柵極驅動器將柵極至源極電壓(VGS)從0 V增加到柵極至源極閾值電壓(VGS(TH))。在此期間,柵極驅動電流(IG)會瞬時達到峰值。漏極至源極電壓(VDS)不變。此時,漏極電流(ID)沒有流動。
-
時間狀態2:柵極驅動器繼續將柵極至源極電壓(VGS)提升至米勒平台區。柵極驅動電流(IG)降低。漏極至源極電壓(VDS)仍然保持不變。此時,漏極電流(ID)開始增加。
-
時間狀態3:柵極驅動器維持柵極至源極電壓(VGS)在米勒平台區內。柵極驅動電流(IG)趨於平穩。漏極至源極電壓(VDS)開始下降。此時,漏極電流(ID)達到最大值。
-
時間狀態4:柵極驅動器將柵極至源極電壓(VGS)提升到最大值,通常是18 V。此時,柵極驅動電流(IG)降為0 A。漏極至源極電壓(VDS)繼續保持在較低水平。此時,漏極電流(ID)達到最大值。同時,導通電阻(RDSON)處於最低水平。

圖 1. SiC導通
柵極驅動:碳化矽關斷
同樣地,SiC器件的關斷過程也可以分解為以下四個不同的時間狀態,如下面圖2所示:
-
時間狀態1:柵極驅動器將柵極至源極電壓(VGS)從18 V降低到米勒平台區。柵極驅動電流(IG)瞬時達到峰值。漏極至源極電壓(VDS)仍然保持在較低水平。此時,漏極電流(ID)仍在流動。
-
時間狀態2:柵極驅動器維持柵極至源極電壓(VGS)在米勒平台區內。柵極驅動電流(IG)趨於平穩。漏極至源極電壓(VDS)開始上升。此時,漏極電流(ID)繼續流動。
-
時間狀態3:柵極驅動器將柵極至源極電壓(VGS)降低到柵極至源極閾值電壓(VGS(TH))。柵極驅動電流(IG)降低。漏極至源極電壓(VDS)現在很高。此時,漏極電流(ID)減少。
-
時間狀態4:柵極驅動器將柵極至源極電壓(VGS)降至最小值,通常是0 V,或者更低至-5 V。此時,柵極驅動電流(IG)降為0 A。漏極至源極電壓(VDS)保持高位。此時,漏極電流(ID)為0 A。同時,導通電阻(RDSON)達到最大值。
圖 2. SiC關斷
隔離的重要性
隨著電動汽車電池電壓已升至 800 V 或更高,電隔離 柵極驅動器的重要性日益凸顯。電隔離 柵極驅動器的特點是在初級側(連接低壓系統)和次級側(連接功率級)之間具有隔離結構。這樣,低壓系統就能安全地承受高壓浪涌,防止損壞設備或對人體造成傷害。此外,電隔離還能為非常大的電位差提供保護。因此,電隔離 柵極驅動器比普通柵極驅動器更適合驅動 SiC MOSFET。

圖3. 非隔離與隔離對比
高頻碳化矽系統中的電隔離驅動器
在部署高頻 SiC 系統時,電隔離(GI)尤為重要。除了在高頻運行期間提供電壓浪涌保護外,電隔離柵極驅動器還能在低壓和高壓系統區域之間的物理隔離結構中保護控制器 IC 等智能且昂貴的低壓系統。
電隔離還能確保設備能夠承受較大的地電位差,並降低高能量或相隔距離較遠的電路中出現破壞性接地迴路的風險。
寄生導通
由於 di/dt 非常高,當柵極驅動器達到最小柵-源電壓時,可能會出現過度振鈴。此外,PCB 布局和元件封裝還會增加寄生電容和電感,從而在關斷過程中產生電感反衝。這些電感反衝可能意外地觸發閾值電壓(Vgs(Th)),從而在本應關斷期間導致意外的導通,這可能引發災難性後果。
例如,在半橋應用中考慮以下情況:當低壓側開關正在關斷而高壓側開關正準備開啟時,低壓側開關可能會因電感反衝(inductive kick)而意外開啟(VGS(TH)被觸發)。這會導致高壓側與低壓側開關同時導通(shoot-through直通電流),進而可能導致高壓電源軌與地直接短路,從而損壞 MOSFET。解決這一問題的一個非常有效的方法是,在關斷時將電壓擺動至 0 V 以下,降至 -3 V 或甚至 -5 V,這樣就為防止因意外電感反衝觸發VGS(TH)提供了足夠的裕量或裕度。
EOFF損耗減少 25%
在下圖4中,x軸表示從0V到-5V的負偏置關斷電壓,而y軸則表示開關損耗(微焦耳,μJ)。這展示了負偏置關斷帶來的第二個優勢,即顯著降低了EOFF開關損耗。實際上,當驅動安森美第二代"M3S"系列SiC MOSFET(專為高頻開關應用設計)時,將關斷電壓從0V降低到-3V,開關損耗可降低多達 100 μJ。具體來說,關斷損耗從 0 V 時的 350 μJ 降低到 -3 V負偏置關斷時的 250 μJ,關斷損耗降低了 25%。

圖4. 負柵極偏置
電隔離柵極驅動器選型指南
在為您的應用評估電隔離柵極驅動器時,需要考慮以下幾個因素。
低壓和高壓系統通用選型指南
在工作電壓較低的系統中,只要控制器的耐壓在允許範圍內,開關元件就可以直接連接到控制器。然而,有許多系統既包括高壓區,也包括低壓區。需要將高壓直流電轉換為低壓直流電、交流電轉換為直流電等。在電力轉換中應用了多種拓撲結構,如半橋、全橋、升壓(boost)和降壓(buck)等。我們將用於電力轉換的功能模塊稱為 "轉換器",柵極驅動器是大多數電源轉換器中的常見元件。由於控制電路在低電壓下工作,控制器無法提供足夠的功率來快速、安全地打開或關閉功率開關。因此,控制器發出的信號被傳送到柵極驅動器,柵極驅動器能承受更高的功率,並能根據需要驅動 MOSFET 的柵極。
在大功率或高電壓應用中工作時,電路中的元件會受到大電壓偏移和大電流的影響。如果功率 MOSFET 向控制電路泄漏電流,電力轉換電路中涉及的高電壓和大電流很容易燒毀電晶體,導致控制電路嚴重擊穿。因此,在大功率應用中,柵極驅動器的輸入和輸出之間必須實現電隔離,以保護用戶和任何其他連接設備。
SiC、Si 和 GaN MOSFET 的柵極驅動電壓範圍
在 SiC、Si 和 GaN MOSFET 的柵極驅動電壓範圍內,轉換器的工作電壓由開關元件的規格決定,因此必須確認轉換器的輸出電壓不會超過開關元件柵極電壓的最大值。
柵極驅動的正電壓應當足夠高,以確保柵極被完全導通。同時,驅動電壓不應超過絕對最大柵極電壓。驅動 Si MOSFET 通常需要 12 V 或更高的電壓,而驅動 SiC MOSFET 則需要 15 V 或更高的電壓,驅動 GaN FET 至少需要 5 V。
當柵極電壓為0V時,它可以滿足所有器件的關斷條件。通常,矽 MOSFET 不需要負偏置柵極驅動,但 SiC 和 GaN MOSFET 器件有時會使用負偏置柵極驅動。強烈建議在開關應用中使用 SiC 和 GaN MOSFET 的負偏置柵極驅動,因為在高di/dt(電流變化率)和dv/dt(電壓變化率)的開關過程中,由於PCB布局和元件封裝引入的寄生電感和電容,功率電晶體的柵源驅動電壓可能會出現振鈴現象。
下表列出了每種開關器件適用的柵極驅動電壓。
柵極驅動電壓範圍

評論