一、工具篇
本章確定 I-jet 及適配器與 E3640 開發板 J-LINK 座子是否適配。
1、I-jet 適配器

圖 (1)
I-jet 前面板上配有 MIPI-20 連接器,配有 MIPI-20 和 MIPI-10 電纜,以及傳統的 Arm-20 適配器。 所有其它可用的 I-jet 適配器也與 I-jet Trace 兼容。這裡我們使用的是 Arm-20 適配器。
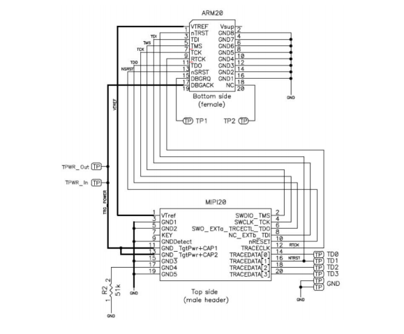
2、MIPI-20 轉 ARM-20 適配器
I-jet 附帶 MIPI-20 轉 ARM-20 適配器。它將 MIPI-20 I-jet 電纜轉換為傳統的 ARM-20(2.54mm×2.54mm 間距)JTAG 接頭。 部件號 HTST-110-01-L-DV,適配器的連線圖如下。

圖 (2)
3、E3640 開發板 J-LINK J402 部分原理圖:

圖 (3)
ARM-20 與 JLINK 引腳適配。
二、代碼篇

圖 (4)
kick 多核。
三、配置篇
需要下載至 flash,再 attach 啟動。
模式 0000 燒錄,Interface 選用 SWD 模式,JTAG 模式可能會因占用引腳而燒錄失敗,或者推薦使用 SDTOOL 工具燒錄,燒錄時核選擇 1 個。
1 個核起來後再 attach,帶其他核起來。
下載:

圖 (5)
圖 (6)
圖 (7)

圖 (8)
attach:

圖 (9)

圖 (10)
四、單核操作或多核一起操作

圖 (11)
五、參考資料:
http://www.bmrtech.com/upload/tech_pdf/000/000/001/601282fd0cdfe.pdf
《E3 Mcal IAR + I-jet 多核調試》
《在 IAR Embedded Workbench for Arm 中進行多核調試》
歡迎在博文下方留言評論,我們會及時回復您的問題。
如有更多需求,歡迎聯繫大聯大世平集團 ATU 部門:atu.sh@wpi-group.com 作者:紫色
更多資訊,請掃碼關注我們!
評論