1. 引言
隨著汽車工業的飛速發展,智能化與網聯化已成為不可逆轉的趨勢。在這一背景下,車規晶片作為汽車智能化轉型的關鍵基石,其需求呈現出爆發式增長。車規晶片作為車輛控制、通信、傳感及娛樂系統的核心部件,不僅關乎車輛的性能表現,更直接影響到行車安全、用戶體驗及未來汽車生態的構建。
面對日益複雜的車載系統需求,艾為電子推出符合車規AEC-Q100認證的高性能、高可靠性、低功耗的10W/22W模擬音頻晶片AW8361xTSR-Q1,成為各大車企及零部件供應商競相追逐的焦點,推動著整個汽車產業向更加智能、綠色、安全的方向邁進。


AW8361xTSR-Q1是一款模擬輸入單聲道Class D類音頻放大器,非常適用於車載T-BOX、遠程信息處理、車載儀錶板等應用場景。


表1 AW8361xTSR-Q1與行業同類產品參數對比表
3. 產品亮點一 LLM模式低靜態功耗技術
2018年4月歐洲議會通過立法為所有新車配備eCall,聯合國和俄羅斯ERA-GLONASS也在推行相關政策。歐洲eCall標準規定系統需要維持10幾分鐘的語音通話,之後至少保持60分鐘的網絡以便緊急服務人員給司機回電。AW8361xTSR-Q1搭載LLM模式低功耗技術,低的靜態功耗將為緊急救援爭分奪秒。

圖3 車載eCall示意圖

圖4 LLM模式工作原理
LLM模式可將靜態電流由BD模式18mA降低至15mA,靜態功耗節省約17%。

圖5 BD&LLM靜態功耗對比
產品亮點二 優異的車規EMI表現
CISPR25《用於保護用在車輛、機動船和裝置上車載接受機的無線電騷擾特性的限值和測量方法》是保護用在車上、船上和裝置上的接受機免受無線電騷擾,規定了限值和測試方法。目前幾乎所有車輛廠商均需求通過此相關標準。複雜的電磁環境和高標準要求導致EMI認證即耗時又耗力,AW8361xTSR-Q1的邊沿調整與擴頻技術使得EMI性能表現更為優異。
AW8361xTSR-Q1擴頻功能對PWM基頻及諧波處EMI的影響數據如圖6。

圖6(a) 不開擴頻EMI測試數據 圖6(b) 開啟擴頻EMI測試數據
AW8361xTSR-Q1邊沿調整對EMI的影響數據如圖7。

圖7(a) 關閉調沿功能EMI測試數據 圖7(b) 開啟調沿功能EMI測試數據
產品亮點三 溫度AGC功能
當設備超出推薦的溫度/功率限制,或者PCB熱系統設計較弱時,系統存在因為過熱導致熱關機風險,溫度AGC旨在保護AW8361xTSR-Q1免受過度的晶片溫度升高而意外關機的情況。當溫度觸發超溫警告級別(140°C)時,內部AGC(自動增益控制)將逐漸降低增益。一旦溫度降到過溫警告水平以下,器件的增益逐漸恢復到以前的設置。

圖8 溫度AGC工作原理
溫度AGC開啟與不開啟情況AW8361xTSR-Q1晶片溫度實測結果如圖10,當開啟溫度AGC時溫度被有效壓制,不會因為溫度過高導致觸發OT功能而關機,不開啟溫度AGC時則會因溫度過高而關機,存在緊急救援過程通話丟音、雜音等風險。

圖9(a) 開啟溫度AGC功能 圖9(b) 無溫度AGC功能
4. 產品規劃
艾為電子將陸續推出2.1MHz PWM調製頻率的低外圍成本、低占板面積產品,其規格與差異如下。

表2 AW836xxTSR-Q1系列產品規劃


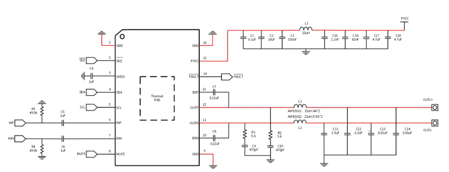
圖1 AW8361xTSR-Q1原理圖
2. 主要特性
AW8361xTSR-Q1是一款模擬輸入單聲道Class D類音頻放大器,非常適用於車載T-BOX、遠程信息處理、車載儀錶板等應用場景。

圖2 應用場景圖
AW8361xTSR-Q1支持4.5V~18V的工作電壓,可在負載為4Ω的情況下提供高達10W@AW83611TSR-Q1、22W@AW83612TSR-Q1的功率。
AW8361xTSR-Q1既支持傳統的Legacy模式(不需要I²C控制寄存器,上電即可工作),也支持I²C配置模式。
AW8361xTSR-Q1除了集成常規的OT(過溫保護) 、OVP(過壓保護)、UVP(欠壓保護)、DC診斷(直流檢測)、OC(過流保護)等保護功能外還集成了負載突降保護功能、負載診斷功能,且能夠通過I²C上報對應狀態。
AW8361xTSR-Q1的優勢性能與行業主流產品對比,同樣可圈可點。

表1 AW8361xTSR-Q1與行業同類產品參數對比表
3. 產品亮點一 LLM模式低靜態功耗技術
2018年4月歐洲議會通過立法為所有新車配備eCall,聯合國和俄羅斯ERA-GLONASS也在推行相關政策。歐洲eCall標準規定系統需要維持10幾分鐘的語音通話,之後至少保持60分鐘的網絡以便緊急服務人員給司機回電。AW8361xTSR-Q1搭載LLM模式低功耗技術,低的靜態功耗將為緊急救援爭分奪秒。

圖3 車載eCall示意圖

圖4 LLM模式工作原理
LLM模式可將靜態電流由BD模式18mA降低至15mA,靜態功耗節省約17%。

圖5 BD&LLM靜態功耗對比
產品亮點二 優異的車規EMI表現
CISPR25《用於保護用在車輛、機動船和裝置上車載接受機的無線電騷擾特性的限值和測量方法》是保護用在車上、船上和裝置上的接受機免受無線電騷擾,規定了限值和測試方法。目前幾乎所有車輛廠商均需求通過此相關標準。複雜的電磁環境和高標準要求導致EMI認證即耗時又耗力,AW8361xTSR-Q1的邊沿調整與擴頻技術使得EMI性能表現更為優異。
AW8361xTSR-Q1擴頻功能對PWM基頻及諧波處EMI的影響數據如圖6。

圖6(a) 不開擴頻EMI測試數據 圖6(b) 開啟擴頻EMI測試數據
AW8361xTSR-Q1邊沿調整對EMI的影響數據如圖7。

圖7(a) 關閉調沿功能EMI測試數據 圖7(b) 開啟調沿功能EMI測試數據
產品亮點三 溫度AGC功能
當設備超出推薦的溫度/功率限制,或者PCB熱系統設計較弱時,系統存在因為過熱導致熱關機風險,溫度AGC旨在保護AW8361xTSR-Q1免受過度的晶片溫度升高而意外關機的情況。當溫度觸發超溫警告級別(140°C)時,內部AGC(自動增益控制)將逐漸降低增益。一旦溫度降到過溫警告水平以下,器件的增益逐漸恢復到以前的設置。

圖8 溫度AGC工作原理
溫度AGC開啟與不開啟情況AW8361xTSR-Q1晶片溫度實測結果如圖10,當開啟溫度AGC時溫度被有效壓制,不會因為溫度過高導致觸發OT功能而關機,不開啟溫度AGC時則會因溫度過高而關機,存在緊急救援過程通話丟音、雜音等風險。

圖9(a) 開啟溫度AGC功能 圖9(b) 無溫度AGC功能
4. 產品規劃
艾為電子將陸續推出2.1MHz PWM調製頻率的低外圍成本、低占板面積產品,其規格與差異如下。

表2 AW836xxTSR-Q1系列產品規劃
評論