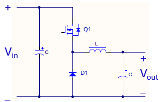
Buck Converter 是電源轉換最常用的架構之一,具有效率高成本低及設計簡單等優點,因此應用非常廣泛。小從 1 W 以下到 kW 以上都可以看到 Buck Converter 應用的產品。Buck Converter 電路架構如下圖 1 所示,由於此電路零件少、控制簡單 ( 只需控制 Q1 ),已可以滿足很多小功率的應用。在電流較大的應用上,由於二極體 ( D1 )具有較大的導通壓降 ( VF ),效率及熱變成是工程師必須解決的問題。因此利用 MOSFET 取代 Diode 的同步整流技術即是最佳解決方案,如下圖 2 所示。目前市面上的 Buck Converter Control IC 大部分都含有同步整流的功能。雖然同步整流 Buck Converter 看似完美,但依據控制方式的不同在使用上還是有些問題需要考量,以下將討論常見的Buck Converter 同步整流的控制方式及設計上需考量的問題點,作為工程師設計產品時的參考。

圖 1. Buck Converter

市面上 Buck Converter 同步整流控制方法大多是定頻、上下臂互補的控制方式。這種模式下,開關頻率固定,不會隨負載變化而改變。這種方式主要是 PWM 控制方法簡單,也能滿足大部分的應用。優缺點如下 :
優點:
1. 穩定性高:由於開關頻率固定,輸出電壓較為穩定,從空載到滿載 duty cycle 幾乎不變。
2. 控制簡單:控制電路設計簡單,易於實現。
缺點:
1. 輕載效率較低:在輕載情況下,固定頻率操作會導致較高的開關損耗,效率下降。下圖 3 是輕載操作波形。

由於同步整流 Buck Converter 架構也是可以雙向電源轉換的架構,如上圖 2。從 Vin 轉換到 Vout 是 Buck Converter,從 Vout 轉換到 Vin 變成 Boost Converter。這種情況可能發生在以下情況,OVP Test : 當使用外部電壓模擬 OVP 條件時,此架構就會變成 Boost Converter 將 Vout 端電壓 Boost 到 Vin 端電壓,如果 Vin 端是另一個開關轉換器來源,可能造成其發生 OVP 或過壓損壞。
另一種同步整流控制方式是加入偵測電感電流,當電感電流降到趨近於 0A 時關斷同步整流 MOSFET,這種控制方式使得同步整流 MOSFET 的導通及關斷趨近於 Diode的行為,輕載操作波形如下圖 4。這種模式可以結合輕載降頻可以使輕載效率更高,並可避免外部電壓源施加於 Vout 端使輸出電壓高於控制電壓時造成反向 Boost 操作問題。缺點是 PWM 控制機制較複雜。

3. JOULWATT JWH6344 Synchronous Step-Down PWM Controller 簡介
JWH6344 是一款支援 6V ~ 65V 輸入電壓範圍及 0.8V ~ 55V 輸出電壓範圍的降壓同步整流控制 IC。操作模式有 FCC mode 及 PFM mode 可設定。FCC mode 的同步整流模式如上述的上下臂互補及定頻模式 ; PFM 的同步整流模式如上述的輕載降頻模式,可以依據需求規格及應用選擇適合的工作模式。另外,IC 具有 enable ( 可控制 IC ON/OFF )、power good indicator,switching frequency 可設定範圍 100kHz to 1MHz ; 保護功能有 OTP、OCP、SCP 及 Vcc UVP 等功能。IC 採用 QFN3.5X4.5-20 封裝,提供具有最少外部元件的緊湊解決方案。適合各種非隔離式降壓解決方案。