前言
高速數據傳輸的時代來臨, 傳輸界面將傳輸速率不斷提高,而各項產品將在新產品也支援最新標準的情況下, 高速傳輸面臨最頭痛的問題是傳輸時的訊號損失.
Redriver 是Repeater IC的一種主要用來做強化增強訊號的功能,我們可以透過 Redriver 中的等效功能(Equalization),平坦增益功能(Flat-Gain)及線性擺幅調整功能(Swing),來達到訊號強化之目的,保障接口訊號之完整性讓接收端可以順利識別訊號並順利傳送穩定的訊號, 降低訊號的錯誤率提高訊號的完整度與可靠度.
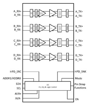
NB7NQ621M 是一款可同時支援HDMI 2.1®, DisplayPort™ 1.4a 2種介面,支援四對訊號線傳輸,高達12 Gbps的傳輸速率,可硬體調整(Pin-strapping) 或軟體調整(I2C)接收器均衡(EQ)和平坦增益(FG),高達15 dB的EQ(在6 GHz)的Re-driver

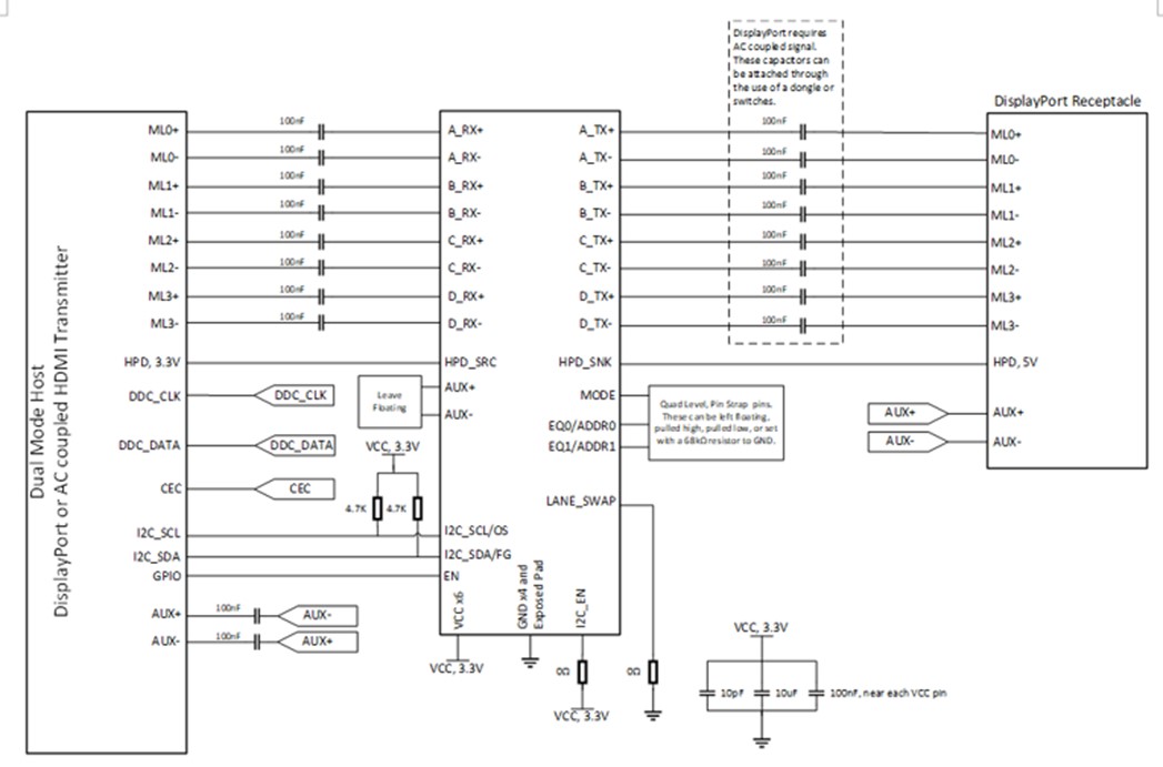
客戶線路示意圖
狀況描述
客戶應用在DP1.4a mode Redirver,進行相容性測試,發現在Test 3.3 測項Fail
DP相對於HDMI而言,較少使用在消費性產品,而是著重在IT產業,但仍需注意相容性問題,若未通過相容性測試,可能造成A設備可工作,B設備無法動作,此時會讓工程師疲於奔命的解決問題,反之若可通過相容性測試,則可避免因不相容而造成的麻煩
分析

Test 3.3 Pre-emphasis 是對連續訊號的第一個Bit做預加強,越高的Pre-emphasis Level加強的比值越大
以測試經驗來看Pre-emphasis fail 會把 EQ and FG調小.
目前設置FG:L / OS:R / EQ1:F / EQ0:L
FG : 1.1db , OS: 1200mV , EQ 6.1 db


建議修改設置如下
設置 FG:L / OS:R / EQ1:F / EQ0:L
FG : -0.5db , OS: 1200mV , EQ 4.8db
經過修改FG & EQ後,可通過相容性測試
總結
NB7NQ621M 除了可通過外部電阻設定改變FG,EQ,Output Swing,彈性適應在各種不同長度PCB走線訊號加強應用外,也可通過I2C數位控制,方便應用快速調整使產品可通過認證
參考文檔
https://www.onsemi.cn/products/signal-conditioning-control/redrivers/nb7nq621m