一、簡介
BMS 的絕緣檢測至關重要:絕緣檢測是檢測動力電池的(正、負)總線與 BMS 的外殼“地”是否存在連接,是否存在漏電的風險,簡單來說,絕緣檢測就是檢測電池包是否漏電。
-
保障人身安全,防止觸電事故發生。
-
預防電氣事故,防止設備漏電,出現電氣失火安全事故
-
提高設備使用壽命,及時發現儀器設備的安全風險,迅速解決漏電風險
二、BMS 絕緣檢測原理
在現實理論情況下,電池包的高壓+ 和 高壓- 對於整個電池包的外殼或者車身地來說,絕緣電阻應該是 ∞。
所以在高壓電池包,絕緣檢測是不可缺少的一環,下圖顯示的是電池包的高壓± 對外殼地的連接電路,根據這一電路,求出相對電阻 Riso+ 和 Riso- ,Riso+ 和 Riso- 只要有一方阻值足夠大,車身地與電池不形成導電迴路,那麼它們之間就是絕緣的。
存在意外風險時, 相對電阻降到一定阻值,高壓電池迴路對車身地形成漏電迴路,才會造成短路的情況。

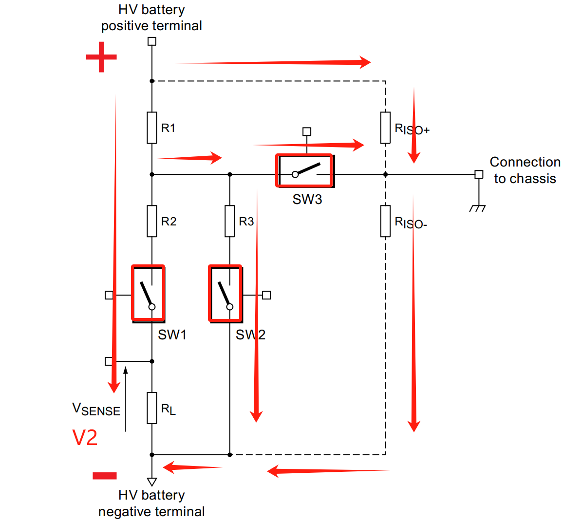
1、使用不平衡電橋法檢測絕緣電阻
上述圖示電路中,增加三路開關,四個已知電阻 R1 、R2、R3、RL,,通過交替切換開關 SW1 、SW2 改變兩極對地的等效電阻,得到正、負極檢測電阻上不平衡的檢測電壓 Vsense,從而計算出正負極的絕緣電阻,正負極檢測電阻上的電壓隨著開關切換周期變化,當某一極絕緣電阻變低時該側檢測電阻電壓變小,對應另一側檢測電阻的電壓變大。
① Open SW1 & SW2 & SW3 ,測量 Vbattery 正極電壓 Vbat
② Close SW1 & SW3 , 等待 10ms 左右,測量 Vsense 電壓,轉化後記錄為 V1

③ Close SW1 & SW2 & SW3 ,等待 10ms 左右,再次測量 Vsense 電壓,轉化後記錄為 V2


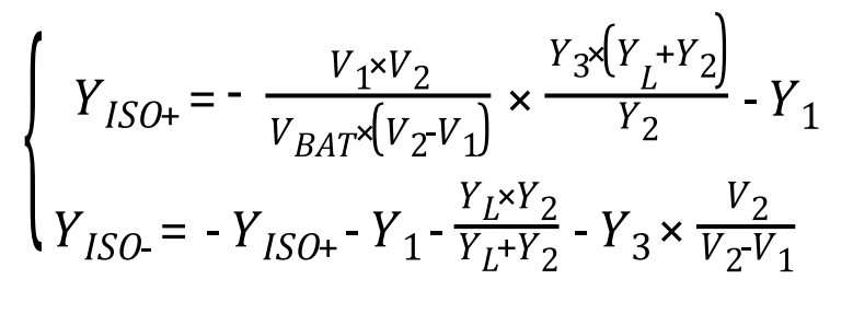
2、絕緣電阻計算公式
上述的電路圖示,其中電路串聯或者並聯電阻:R1 、R2、R3、RL ,為了簡便運算,以電阻的電導 Y=1/R 進行參與計算,電導單位為西門子,R 的單位是 Ω 。
公式推導:
① 簡化測量 V1 時的電路,如下圖:

根據基爾霍夫定律:
a:(Vbat+/R1) + (Vbat+/Riso+) = (Vbat-/(R2+RL)) + (Vbat-/Riso-)$$
b:V1/R2=Vbat-/(R2+RL)$$
① 簡化測量 V2 時的電路,如下圖:

c:(Vbat+/R1)+(Vbat+/Riso+) = (Vbat-/(R2+RL))+(Vbat-/R3)+ (Vbat-/Riso-)$$
d:V1/R2=Vbat-/(R2+RL)$$
聯立方程組進行簡化後,得到的公式就是:

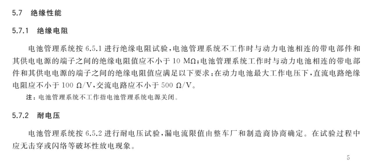
三、絕緣檢測檢驗標準
絕緣電阻值是判斷電氣系統絕緣性能好壞的標準,而對於高壓儲能系統而言,檢測電池簇的正/負極母線分別對地的絕緣電阻值是很重要的。
《GB 18384-2020 電動汽車安全要求》 和 《GB 38031-2020 電動汽車用動力蓄電池安全要求》的標準要求如下:
五、參考
評論