
二、Typical Application Circuit
A、SH_IN_Px & SH_IN_Nx:通過Rsense(5Ω)做電流偵測。
B、BS_INx:使用Kelvin Connection對VBUS量測電壓。
C、IMON_INx:電壓直接反饋送至Multiplexer進行讀取,且用DIFF_OUT的電壓來代表IMON_INx PIN腳上的電壓,而來監控該PIN腳並循環顯示不同的測量參數。
D、DEFF_OUT_X:將量測到VBUS的DIFF_OUT 和負載電流的電壓訊息and VR IMON電壓訊息,透過US5651PQKI內部的MUX分時送至DIFF_OUT提供給GPU的ADC進行轉換成數據並校正,其計算出相對應的INPUT POWER。
E、公式參考:Vdiff_out_VIN= VBS_IN / Bus_Gain
Vdiff_out_IIN= I * Rsense * Shunt_Gain
三、Features
A、4 Channel Bus Voltage Monitoring Input,Up to 30V.
B、4 Channel Shunt Current Monitoring Inputs with 5V to 30V Operating Voltage.
C、2.8V to 3.8V VCC Supply Voltage
D、Differential Output via Analog Multiplexer with Single Bit MUX Select.
E、Selectable I2C Device Address by Resistor Strap.
F、Open-Drain Bus OK Indicator.
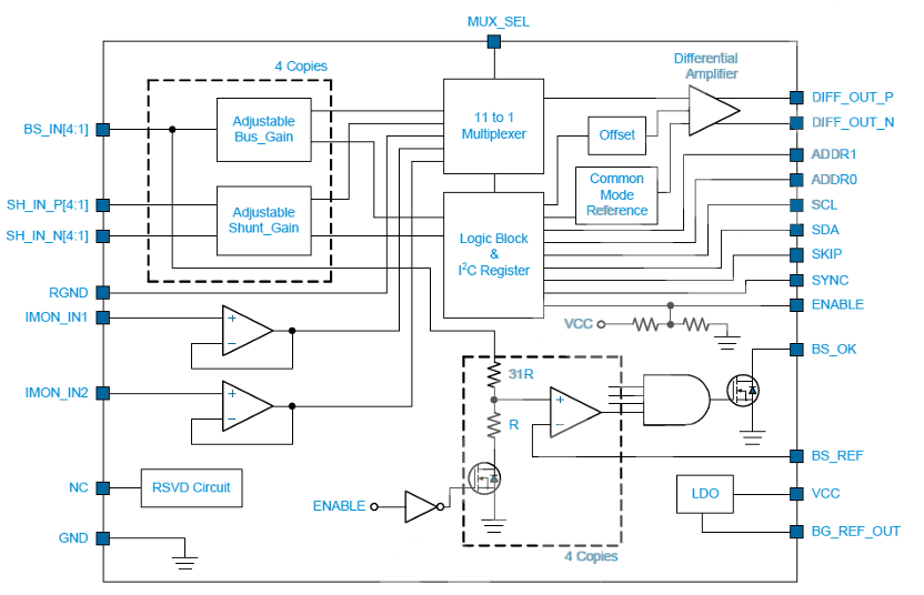
四、Functional Block Diagram

參考文獻:UPI uS5651PQKI datasheet (https://www.upi-semi.com/tw-article-upi-654-2572)
五、Q & A
Q1:你上述提到的4 Channel,分別是用在那幾個POWER?
A1:市售產品中,一般都只用到2 Channel,分別的NVVDD & FBVDD.
Q2:這個產品可以應用在什麼商品上面?
A2:Computers,Notebooks,VGA…等等.
Q3:請問是否可以適用在AC/DC Function?
A3:該產品只適用於DC/DC.
Q4:在Layout中,有沒有什麼地方需要特別注意?
A4:1. IC的下一層要是GND.
2. SHINP/N_x, BSIN_x,請避開干擾層
3. DIFF_OUT_P/N,上下至少要有一層為GND
4. Vcc Cap & BF_REF_OUT Cap : Place VCC & BF_REF_OUT CAP放靠近IC pin.
Q5:上述提到一般都只用到2 Channel,那沒用到的Channel該如何處理?
A5:沒用到的Channel, 例如:CH3 & CH4未使用接至BS_IN1pin即可。