參數:
- 2 個焊接式 L99LD21 柔性 LED 驅動器
- 電路板尺寸 100 x 55 毫米
- 兩個擴展接頭(2 x 36 引腳 - 100 mil),用於快速連接 SPC560B-DIS 發現板
- 可通過 www.st.com 上的專用圖形用戶界面進行控制
- 可在 www.st.com 上免費下載隨時運行的應用固件,以支持快速評估和開發
模塊介紹:
L99LD21-ADIS發現板能夠通過將其連接到SPC560B-DIS發現板來驅動四個獨立的高亮度LED串,用於汽車前照應用,下載應用程序固件示例和GUI可用,它由一個高效率單片升壓控制器和一個雙降壓轉換器組成。
L99LD21-ADIS板載2個L99LD21,與SPC560B-DIS連接後可控制遠光燈、近光燈和轉向燈,也可用於驅動位置燈、側標和霧燈。
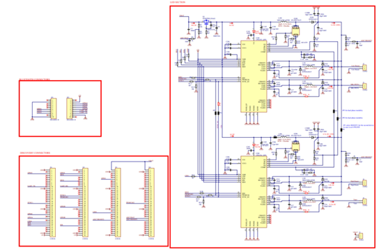
L99LD21-ADIS原理圖:

L99LD21-ADIS GUI:

評論