參數:
- 滿足AEC-Q100, 工作溫度範圍:Tj為-40至+150°C
- 3.5至38 V工作輸入電壓
- 從0.85 V到VIN的輸出電壓
- 3.3和5 V固定輸出電壓版本
- 3 A直流輸出電流
- 內部軟啟動
- 高電壓VIN兼容啟用
- 輸出過電壓保護
- 熱保護
- 0.2至2.2 MHz可編程開關頻率
模塊介紹:
STEVAL-A6983NV1 是一款易於使用的同步單片式降壓穩壓器,能夠向負載提供高達 3 A 的直流電,寬輸入電壓範圍使該器件適用於各種應用。
基於峰值電流模式架構,採用帶內部補償的 QFN16(3 x 3 mm)封裝,從而最大限度地降低了設計複雜性和尺寸。
該器件專為汽車停車期間的應用而設計,因此可通過控制輸出電壓紋波最大限度地提高輕負載時的效率。
STEVAL-A6983NV1 允許在 200 kHz - 2.3 MHz 範圍內選擇開關頻率,並可選擇擴頻以改善電磁兼容性。
EN 引腳提供啟用/禁用功能。禁用時的典型關斷電流為 2 μA。
一旦 EN 引腳被上拉,器件就會被啟用,內部 1.3 ms 軟啟動就會發生。
STEVAL-A6983NV1 具有電源良好集電極開路功能,可監測 FB 電壓。
兩個功率元件上的逐脈衝電流檢測實現了有效的恆流保護,熱關斷功能可防止熱失控。
STEVAL-A6983NV1實物圖:

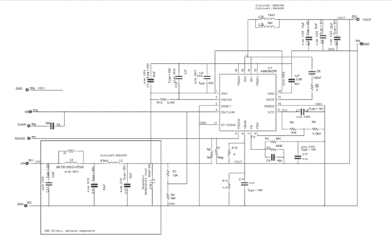
STEVAL-A6983NV1原理圖:

評論