產品介紹 :
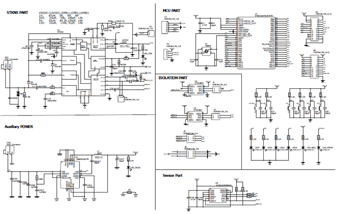
此STEVAL-STKNX1CB是一款設計板,其中STKNX作為KNX元件收發器,低功耗STM32G070CBT6作為主控制器,STISO620/STISO621作為隔離裝置,L6983N33作為電源元件。 用於 KNX 感測器開發的整合 VL53L3CX。
評估 STKNX 電路性能以及根據 TP1-256 標準在雙絞線媒體上開發 KNX 設備所需的所有組件。
該板提供帶有第三方KNX堆疊和ETS資料庫的開放SDK,該SDK和ETS DD可供客戶用於研究和評估。
板上有一個SWD接口和一個UART接口,用於編程和調試。
套件上有標準 KNX 編程按鈕和 LED。 此外,四個基本按鈕和四個 LED 可用於模擬基本 KNX 感測器/執行器或提出任何調試設施。
此評估套件在微控制器和 STKNX 之間提供隔離器。
預設情況下停用,但可以啟用它們以允許在 SELV 產品的任何條件下進行開發。
板上可使用輔助電源。
開發版特點:
- 基於 STKNX 微型收發器的完整 KNX 雙絞線設備開發套件
- 由 STM32G070CB 微控制器 32 位元 Cortex®-M0+ MCU 控制,具有 64 MHz - 128 KB 快閃記憶體
- 支援雙絞線TP1-256
- 與ETS工程工具軟體相容
- 測試板上已下載的韌體以演示功能
- 標準序列線調試 (SWD)
- UART 透過隔離的 USB 主機介面連接 PC
- 用於 KNX 程式設計的一個按鈕和一個 LED
- 用於基本 KNX 感測器和執行器模擬的四個按鈕和四個 LED
- STKNX 與 STMG070CB 之間可選擇隔離
- 可提供輔助電源
- 工作溫度範圍 -40°C 至 +85°C
- 提供帶有 ETS 資料庫的開放 SDK
開發版框圖:

開發版線路:

開發版照片:

評論