對於有助於工廠自動化的工業機器人應用來說,控制馬達的逆變器是必要的。我們引入150V MOSFET的多階逆變器方法來取代600 V MOSFET的2階逆變器方法以提高效率。
與使用 2階逆變器相比,使用多階逆變器能夠實現更精細的輸出電壓控制與 600V MOSFET 相比,150V MOSFET 具有更低的導通電阻和更低的閘極電荷,實現了效率提高提供可支援5階操作的參考設計。
多階逆變器(Multi-Level Inverter)
多階變流器在開關部分包含多個串聯的開關元件,即普通逆變器(2電平逆變器)僅包含一個開關元件,能夠精細地控制輸出電壓。
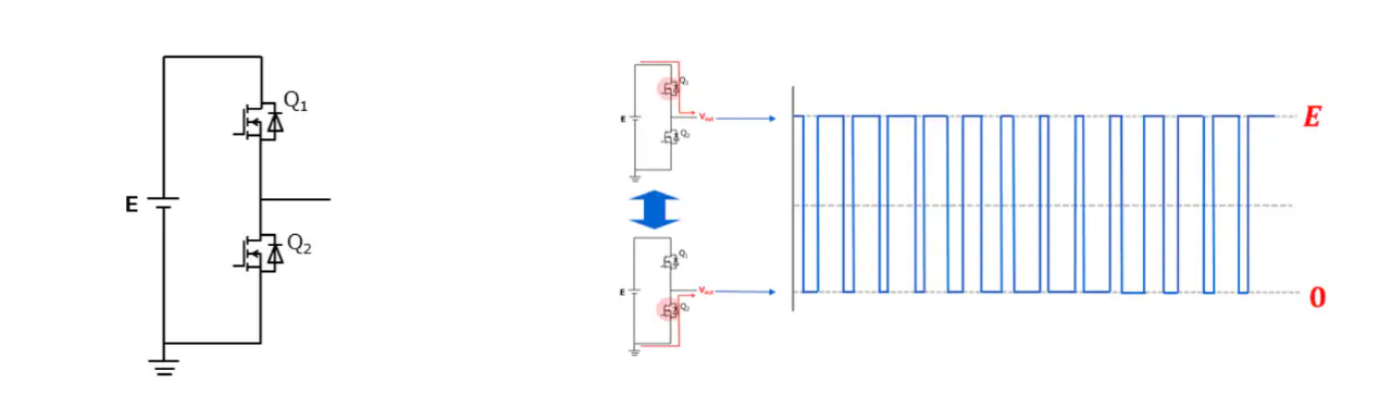
圖1顯示了橋式電路的框圖,該電路是通用二階逆變器電路的一部分。(逆變器電路由多個該部分組成,取決於要控制的馬達。控制三相馬達的三相逆變器由3 個橋式電路組成。)
在該圖中,有2 個開關元件( MOSFET 是圖中使用的Q1和Q2位於電壓源和接地之間,透過控制Q1和Q2的ON/OFF,從中點輸出所需的電壓。
(電壓源與中點之間、中點與接地之間的 MOSFET 所在部分稱為「臂」。)

二階逆變器每臂有一個開關器件,而多階逆變器每臂有多個開關器件。透過控制各個開關元件,透過中點輸出所需的電壓。
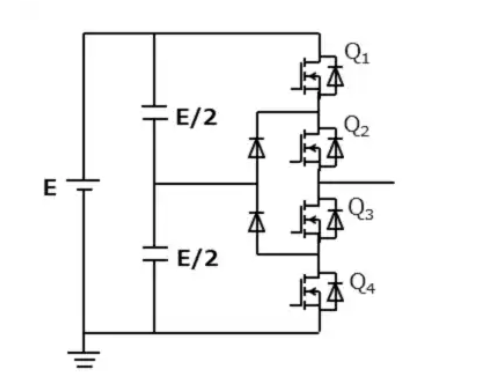
我們以圖 3 所示的每臂有 2 個開關裝置的三階逆變器為例來說明其操作。
圖4顯示了三階逆變器的操作範例。重複Q1和Q2導通時、Q2和Q3導通時以及Q3和Q4時的三個週期。輸出電壓有 3 階段,Q1 和 Q2 導通時為 E,Q2 和 Q3 導通時為 E/2,Q3 和 Q4 導通時為 0。
這樣,三階逆變器的優點是由於具有倍數的輸出電壓分辨率,可以精細地控制輸出電壓。
現在,我們考慮當電壓源電壓均為E時,二階逆變器或三階逆變器的每個開關裝置的輸出電壓幅度和施加電壓。二階逆變器的輸出電壓幅度為E,因為輸出電壓有E和0 ,那麼對每個元件施加的電壓也是E。
另一方面,由於輸出電壓有E、E/2和0,所以三電平逆變器的輸出電壓幅度為E/2,那麼對每個元件施加的電壓也為E /2。
因此,在三階逆變器的情況下,與二階平逆變器相比,施加到每個開關裝置的電壓變為一半,並且可以使用一半耐壓裝置。
一般來說,MOSFET等開關元件的單位面積的導通電阻增大,因此耐壓越高,開關動作的功率損耗就越嚴重。
因此,使用較低耐壓元件有助於減少多階逆變器應用的功率損耗。


這是一款高速二極體(HSD)型產品,其內部二極體速度是透過壽命控制技術所改善的,除了開關電源應用之外,還適用於馬達驅動時續流電流流過其內部二極體的逆變器應用。
與使用 2階逆變器相比,使用多階逆變器能夠實現更精細的輸出電壓控制與 600V MOSFET 相比,150V MOSFET 具有更低的導通電阻和更低的閘極電荷,實現了效率提高提供可支援5階操作的參考設計。
多階逆變器(Multi-Level Inverter)
多階變流器在開關部分包含多個串聯的開關元件,即普通逆變器(2電平逆變器)僅包含一個開關元件,能夠精細地控制輸出電壓。
圖1顯示了橋式電路的框圖,該電路是通用二階逆變器電路的一部分。(逆變器電路由多個該部分組成,取決於要控制的馬達。控制三相馬達的三相逆變器由3 個橋式電路組成。)
在該圖中,有2 個開關元件( MOSFET 是圖中使用的Q1和Q2位於電壓源和接地之間,透過控制Q1和Q2的ON/OFF,從中點輸出所需的電壓。
(電壓源與中點之間、中點與接地之間的 MOSFET 所在部分稱為「臂」。)

二階逆變器每臂有一個開關器件,而多階逆變器每臂有多個開關器件。透過控制各個開關元件,透過中點輸出所需的電壓。
我們以圖 3 所示的每臂有 2 個開關裝置的三階逆變器為例來說明其操作。
圖4顯示了三階逆變器的操作範例。重複Q1和Q2導通時、Q2和Q3導通時以及Q3和Q4時的三個週期。輸出電壓有 3 階段,Q1 和 Q2 導通時為 E,Q2 和 Q3 導通時為 E/2,Q3 和 Q4 導通時為 0。
這樣,三階逆變器的優點是由於具有倍數的輸出電壓分辨率,可以精細地控制輸出電壓。
現在,我們考慮當電壓源電壓均為E時,二階逆變器或三階逆變器的每個開關裝置的輸出電壓幅度和施加電壓。二階逆變器的輸出電壓幅度為E,因為輸出電壓有E和0 ,那麼對每個元件施加的電壓也是E。
另一方面,由於輸出電壓有E、E/2和0,所以三電平逆變器的輸出電壓幅度為E/2,那麼對每個元件施加的電壓也為E /2。
因此,在三階逆變器的情況下,與二階平逆變器相比,施加到每個開關裝置的電壓變為一半,並且可以使用一半耐壓裝置。
一般來說,MOSFET等開關元件的單位面積的導通電阻增大,因此耐壓越高,開關動作的功率損耗就越嚴重。
因此,使用較低耐壓元件有助於減少多階逆變器應用的功率損耗。


TPH9R00CQ5 Application to Multi-Level Inverter
新發布的TPH9R00CQ5是一款150 V MOSFET,由於採用最新的U-MOSX-H製程優化了單元結構,並且與先前的產品相比,導通電阻和充電特性之間的平衡得到了很好的改善,從而實現了降低開關操作功耗。這是一款高速二極體(HSD)型產品,其內部二極體速度是透過壽命控制技術所改善的,除了開關電源應用之外,還適用於馬達驅動時續流電流流過其內部二極體的逆變器應用。
我們討論的是TPH9R00CQ5所適用的多階逆變器。如果逆變器輸出假設為三相交流200 至240 V則輸入電壓需要約直流400 V。在二階逆變器情況下,儘管穩定施加,但考慮到開關操作時的浪湧電壓會使用600 V 或以上的耐壓。開關元件的狀態電壓幅度為 400 V。如果使用 TPH9R00CQ5,包含 4 個串聯元件的 五階逆變器就足夠了。
從開關應用特性的角度,將 二階逆變器上的開關元件與用於 五階逆變器的 TPH9R00CQ5 進行比較。如上所述,二階逆變器上的開關元件的耐壓需要600V或以上。因此TK62N60W5(600V/DTMSOIV/HSD型)由於內建高速二極體和600V,適合逆變器應用選擇耐受電壓。
在TPH9R00CQ5的情況下,當TPH9R00CQ5特性與TK62N60W5特性進行比較時,考慮了4個裝置的總特性,因為TPH9R00CQ5用於五階逆變器。
表 1 顯示了影響通電時傳導損耗的導通電阻 (RDS(ON)) 值以及影響 TPH9R00CQ5 和 TK62N60W5 兩個裝置的 MOSFET 開啟/關閉時開關損耗的閘極電荷 (Qg) 值。
TPH9R00CQ5(總共 4 個裝置)的導通電阻和閘極電荷值均小於 TK62N60W5。這表明,如果逆變器運行。
採用 TPH9R00CQ5 的 5 電平逆變器將比採用 TK62N60W5 的 2 電平逆變器具有更低的功率損耗。


Related link
Follow the links below for application information using 150 V MOSFET
Inverter/Servo
Follow the links below for various reference designs that can be used for end equipment design
Reference Design Center
Follow the links below for electrical models for circuit simulation, PSpice®, LTspice®, etc
Simulation
評論